Вступление
Проектируя систему сигнализации (СС) с датчиками (извещателями) первичных сигналов, проектировщик сталкивается с проблемой выбора соединительного кабеля, соответствующего объекту эксплуатации по внешним воздействиям и назначению СС.В зависимости от назначения СС подразделяются на пожарные, охранные и технологические с разными требованиями к конструкции кабеля, существенно влияющими на его стоимость. Ситуация осложняется, если областью применения датчика СС являются ещё и взрывоопасные среды, где многочисленные, а порой и разноречивые нормативные документы накладывают массу дополнительных требований, направленных на снижение риска возможных грозных аварий. Подключение датчика к кабелю происходит как непосредственно к его клеммам, так и через соединительную коробку – для датчиков с постоянно присоединённым кабелем, марка которого уже заложена в его конструкции. Датчики с постоянно присоединённым кабелем обычно имеют меньшие габариты и внутренний объём, что в условиях присутствия взрывоопасных сред весьма критично и позволяет уменьшить стоимость датчика. Уменьшение внутреннего объёма датчика с кабелем происходит за счёт исключения блока клемм и герметичных соединений крышки с корпусом, замены нормированных электрических воздушных зазоров на меньшие зазоры в компаунде, что ещё дополнительно повышает устойчивость датчика к вибрациям и ударам.
Конструкторы серийных взрывозащищённых датчиков с постоянно присоединённым кабелем типа концевых выключателей на герконах или микропереключателях не знают, на каком конкретном объекте он будет эксплуатироваться, и стараются выбрать кабель так, чтобы датчик был применим для большой (неопределённой) номенклатуры объектов, оставаясь при этом привлекательным и доступным по цене.
Проектировщик системы СС, зная конкретную взрывоопасную среду объекта, назначение СС и нормативные ограничения, может снизить требования к кабелю и соответственно уменьшить его стоимость, оставаясь при этом в нормативном поле. Рассмотрим нормативные требования к кабелю для взрывозащищённых датчиков на примере датчиков для контроля положений частей механизмов с выходом типа «сухой контакт».
Основополагающие нормативы на технические требования к кабелю
Первоначально алгоритм выбора кабеля для взрывоопасных зон выглядит просто. Имеется действующий стандарт [1] ГОСТ Р 58342-2019 «Кабели силовые и контрольные для применения в электроустановках во взрывоопасных средах» взамен отменённого стандарта [2] ГОСТ Р 59387-2011 «Кабели монтажные для использования в электроустановках во взрывоопасных зонах, в том числе для подземных выработок. Общие технические условия» (отменён), который частично дополнил требования к контрольным кабелям советского, но действующего и ныне стандарта [3] ГОСТ 26411-85 «Кабели контрольные. Общие технические условия» и применяется совместно с ним. Стандарты [1, 2] распространяются на кабель для стационарной прокладки с неподвижным присоединением к устройствам (кроме кабелей с минеральной изоляцией). Для гибких кабелей и шнуров для подземных работ (читай – взрывоопасных) требования устанавливаются стандартом [4] ГОСТ 31945-2012 «Кабели и гибкие шнуры для подземных и открытых горных работ». Согласно стандартам [1, 2] первыми в обозначении марки кабеля для взрывоопасных зон должны присутствовать буквы «Вз» – для взрывоопасных зон, а по стандарту [4] в конце обозначения марки кабеля должна стоять буква «Ш» – шахтный. Буквы «Вз» и «Ш», конечно, помогают различать кабели по области применения, но такая маркировка не укладывается в общую методологию маркировки взрывозащищённого оборудования и его компонентов по стандарту [10], которая позволяет чётко выбрать оборудование для конкретной взрывоопасной зоны. Целесообразно было бы лучше присвоить кабелю маркировку взрывозащиты как Ех-компоненту по разделам 13 и 29 стандарта [10], например, как на клеммы «Ех е IIC U» или пустой корпус коробки «Ех d IIB U», чтобы проектировщик не брал на себя всю ответственность при выборе кабеля для конкретной взрывобезопасной зоны и способов его прокладки, к примеру, по стандарту [35], раздел 4.Вот примеры условных обозначений кабеля по стандарту [1]: Кабель Вз-ВВГм нг(A)-LS 4х70мк(PE)-1-ТУ; Кабель Вз-КППГнг(A)-HF 7х1,5 ок-0.66-ТУ; Кабель Вз-РэРэГнг(A)-HF 4х6ок(PE)-ТУ и пример обозначения кабеля по стандарту [4]: Кабель КУГРВШ 18х1,5-380 ТУ. По этим обозначениям [1, 4] можно определить конструкцию кабеля, но подойдёт ли он для конкретного проекта, надо уже разбираться.
Ситуация осложняется ещё и тем, что кабельные заводы продолжают выпускать кабели для взрывоопасных зон по своим прежним обозначениям (до введения стандартов [1, 4]), приводя в своих рекламных материалах только некоторые технические характеристики, которые не дают прямого ответа на вопросы: «Зачем это нужно?», «Сколько этого нужно?» и «Что это такое?»
Памятуя народную мудрость, что «дьявол в деталях» (любая деталь имеет значение, маленькие камешки переворачивают повозку и т.п.), попробуем более пристально рассмотреть эти детали при выборе конкретного кабеля, которые будут полезны конструктору датчика и проектировщикам СС, и для которых выбор кабеля – лишь эпизодическое явление наряду с таким же выбором большого числа других комплектующих для полного завершения проекта.
Дополнительные нормативные требования к кабелям сигнализации для взрывоопасных зон
Условно эти требования можно разделить на две большие группы: требования пожарные и требования технические.Требования пожарные
Согласно Техническому регламенту «О требованиях пожарной безопасности» (ФЗ № 123):- «4.5. Кабельные линии систем противопожарной защиты должны сохранять работоспособность в условиях пожара в течение времени, необходимого для функционирования конкретных систем защищаемого объекта.
- 4.6. Кабельные линии систем оповещения и управления эвакуацией (СОУЭ) и пожарной сигнализации, участвующие в обеспечении эвакуации людей при пожаре, должны сохранять работоспособность в условиях пожара в течение времени, необходимого для полной эвакуации людей в безопасную зону».
Конкретизирует пожарные требования для общепромышленных кабелей международный стандарт [5] ГОСТ 31565-2012 «Кабельные изделия. Требования пожарной безопасности» взамен отменённого российского ГОСТ Р 53315-2009, согласно которому и п. 4.1, и п. 10.4 стандарта [1] для систем противопожарной защиты, включая её питание, при прокладке по воздушной кабельной линии (кроме прокладки кабелей в воде, земле и маслонаполненных) преимущественно допускаются кабели исполнения нг(A)-FRLS и нг(A)-FRHF, где нг – не распространяющий горение (самопроизвольно гаснут после удаления источника огня и испытаны по ГОСТ IEC 60332-3-22-2011 при вертикальном расположении кабеля) при групповой прокладке (расстояние между кабелями в линии не более 300 мм) категории А (самая высокая нормируемая плотность кабелей до 7 литров на 1 метр длины в кабельной линии), FR – огнестойкий (от англ. Fire Resistant) – работает при и после воздействия пламени определённое время. Горизонтально расположенный кабель должен быть испытан по практически одинаковым стандартам по ГОСТ 60331-23-2011 – электрический кабель для передачи данных, а по ГОСТ IEC 60331-21-2011 – кабель на напряжение 660 вольт, но температура воздействия пламени на кабель в этих стандартах не указана. Испытания проводят на оборудовании по ГОСТ Р МЭК 60331-11-2012, из названия и приложений которого можно догадаться, что температура воздействия пламени американской пропановой горелки на кабель должна быть 750–800°С. Согласно п. 5.2.4.1 стандарта [1] для кабелей с индексом FR это должна быть изоляция жил из кремний-органической (керамообразующей) резины или другой изоляции (например, ПВХ-изоляции по стандарту [2]
п. 5.1.2.4.2), наложенной поверх термического барьера из слюдосодержащих лент), LS (от англ. Low Smoke) – с пониженным дымо- и газовыделением, HF (от англ. Halogen Free) – не выделяющий коррозионно-активных газообразных продуктов при горении и тлении (но всё равно дымит и образует галогенные кислоты), с классами пожарной опасности не менее П(1-4)7.2.2.2 и П(1-4)7.1.2.1.1 соответственно. В классе пожарной опасности обозначения П1а, П1б, П2, П3 и П4 характеризуют предел распространения горения кабеля, которые дублируют обозначение нг (должен не только самопроизвольно гаснуть, но ещё и обугливаться не более 2,5 метра при воздействии пламени горелки), испытанный при различной групповой прокладке, в частности, кабель класса П1б должен быть испытан по ГОСТ IEC 60032-3-22-2011 (как и на нг) на оборудовании по ГОСТ IEC 60332-3-10-2011 (температура воздействия не указывается), когда плотность неметаллического материала (без жил, экранов и брони) вертикально расположенных кабелей составляет 7 литров на 1 метр длины при времени воздействия горелки 40 минут, а П4 – когда кабель диаметром до 12 мм испытан по ГОСТ IEC 60032-3-25-2011 с плотностью материала 0,5 л/м и временем воздействия пламени 20 минут, а цифры характеризуют огнестойкость кабеля (например, цифра 7 – это 30 минут, а цифра 1 – это 180 минут) и нормы выделения кабелем «плохих веществ» при горении и тлении.
В работе [6] показано, что кабель исполнения FRLS в плане пожарной безопасности значительно уступает кабелю исполнения FRHF (больше дымит и дымит ядовитыми галогенами: фтором и хлором), и в настоящее время кабель исполнения FRLS в Европе уже не выпускается, хотя в России он разрешён к применению, и стоимость его ниже. Взамен него в Европе выпускается низкогалогеновый кабель LHFR-LS – Low Halogens Fire Resistant Low Smoke, в России подобные кабели называются FRLSLTx – Fire Resistant Low Smoke Low Toxic, которые в части выделяемой токсичности имеют показатели даже лучше, чем безгалогенные кабели HF.
Стандарт [1] по сравнению со стандартом [5] своим пунктом 6.3.5 резко повысил требования к огнестойкости кабелей исполнений нг(A)-FRLS и нг(A)-FRHF (пожарные кабели по стандарту [5]) для взрывоопасных зон с напряжением до 1000 вольт. Согласно этому пункту кабели с индексом FR должны не только выдерживать 180 минут воздействия на них пламени при испытаниях огнестойкости по ГОСТ IEC 60331-21-2011 при температуре 750°С (стандартное требование для общепромышленных кабелей с индексом FR), но и должны ещё работать 120 минут при воздействии пламени температурой 830°С при одновременном воздействии на кабель механических ударов по п. 5.2.3.2 (кабель под напряжением, закреплённый на горизонтальной лестнице, греют газовой горелкой и бьют по лестнице грузом согласно методике испытаний по ГОСТ IEC 60331-1 для кабеля диаметром более 20 мм и ГОСТ IEC 60331-2 для кабеля диаметром менее 20 мм). Данный пункт устранил неяснос-ти по величине температуры воздействия пламени на такой кабель (750°С и 830°С) при испытаниях его огнестойкости по общепромышленным стандартам ГОСТ IEC 60331-21-2011 и ГОСТ 60331-23-2011, тем самым снизил риск возможной аварии в ситуации, когда взрывоопасная среда нагрелась свыше своей температуры воспламенения или вспышки, но температура её пока ещё ниже температуры самовоспламенения (см. ниже), а изоляция кабеля уже расплавилась.
Кроме исполнений нг(A)-FRLS и нг(A)-FRHF п. 4.1 стандарт [1] допустил для непожарных дел по стандарту [5] использовать во взрывоопасных зонах кабели других исполнений по стандарту [5]. Это кабели, предназначенные только для групповой прокладки с объёмом рабочей нагрузки исполнений нг(А/R) – специальные силовые кабели с жилой сечением более 35 мм², нг(А), нг(B) – плотность в группе до 3,5 л/м, нг(А) (…)-LS и нг(…)-HF, но требований к их огнестойкости стандарт [1] не предъявил, ограничившись требованиями п. 5.2.4 к минимальному диапазону температуры эксплуатации кабеля –50...+50°С. Эти кабели также несут ответственность за предотвращение взрыва за счёт возможных замыканий жил, и назначение предела их огнестойкости было бы целесообразно.
По данным https://paritet.su/ 41% пожаров исходит от электропроводки. Возможно, пока кабельная промышленность к этому ещё не готова.
Разделом 6.3 стандарта [1] ко всем кабелям для взрывоопасных зон установлены минимальные нормы выделения ими «плохих» веществ в случае их горения и тления. Если по показателям токсичности (40 г/м³) и дымообразования (HF – 40% и LS – 50%) они совпали с минимальными требованиями стандарта [5], то по образованию галогенных кислот дополнительно п. 6.3.4 [1] установлено противоречивое требование для кабелей с поливинилхлоридной изоляцией и изоляцией из кремний-органической и этиленпропиленовой резины. Галогенные кислоты – очень химически активные вещества на основе хлора (соляная), фтора (плавиковая), брома, йода и астата из 7-й группы таблицы Дмитрия Ивановича Менделеева. Они образуются при соприкосновении выделяемых кабелем газовых галогенов с водой, например, при тушении пожара. Данные кислоты при соприкосновении с некоторыми металлами могут вызвать вспышку, не говоря уже про порчу оборудования, которое должно работать при эвакуации бесперебойно.
Данный пункт вступает в противоречие с обозначением этого показателя по стандарту [5]. Если кабелю с изоляцией из кремнийорганической и этиленпропиленовой резины и индексом HF можно ещё присвоить цифру 1, то как обозначать этот показатель кабеля по стандарту [5] с поливинилхлоридной изоляцией и с индексом LS, который должен выделять не более 120 мг/г хлористого водорода?
Отсюда при выборе кабеля, удовлетворяющего критерию пожарной безопасности, удовлетворяющего стандартам [1, 5] во взрывоопасных зонах, преимущественно рассматривают кабели из диапазона исполнений:
– для систем противопожарной защиты (от лучшего к худшему).
От исполнения нг(A)-FRHF, П(1б) 1.1.1.1 (нг(А)), не распространяющий горение при самой плотной групповой прокладке кабелей по категории А (до 7 л/м), FR – огнестойкий, HF – безгалогенный, 1 – время огнестойкости 180 минут (но должен ещё выдерживать механические удары при температуре 830°С, что обычно в общепромышленных кабелях с индексом FR не нормировано), 1 – нормируется образование галогенных кислот по [1, 5] (при сожжении кабеля на испытаниях по ГОСТ IEC 60754-1 и ГОСТ IEC 60754-1, дым от которого проходит через воду и образует кислоты), 1 – показатель токсичности продуктов горения, который говорит, что половина из 8 и более белых мышей (50% подопытных животных) умрут за 30 минут, а также в течение последующих 14 суток при сожжении от 120 грамм и более полимерных материалов этого кабеля в замкнутом объёме 1 метр кубический, 1 – снижение светопроницаемости воздуха из-за дыма при горении кабеля не более 40% (раньше нормировалось 25%, у зарубежных кабелей бывает и до 4%).
До исполнения нг(B)-FRLS, П(B) 1.2.2.2 (нг(B) – не распространяющий горение при групповой прокладке кабелей по категории В (до 3,5 л/м³), FR – огнестойкий, LS – малодымный, 1 – время огнестойкости 180 минут, 2 – образование жидких галогенов не нормируется по [5], но нормируется по п. 6.3.4 стандарта [1], 2 – токсичность уже при горении 40 грамм кабеля в 1 метре кубическом, 2 – снижение светопроницаемости воздуха из-за дыма при горении кабеля до 50%).
Стоимость таких кабелей может достигать 1000 рублей за метр;
– для охранных и технологических систем (в диапазоне минимальных исполнений, чтобы остаться в нормативном поле).
От исполнения нг(A)-HF, преимущественно для прокладки внутри помещений, где могут присутствовать люди (нг(A) – не распространяющий горение при самой плотной групповой прокладке кабелей по категории А (до 7 л/м³), не огнестойкий, HF – безгалогенный, 8 – время огнестойкости не нормируется (может быть и менее 30 минут), 1 – нормируется образование галогенных кислот (хотя кабель и с индексом HF – безгалогенный), 2 – показатель токсичности продуктов горения, который говорит, что 50% подопытных животных умрут при сожжении 40 грамм и более полимерных материалов этого кабеля в замкнутом объёме 1 м³, 1 – снижение светопроницаемости воздуха из-за дыма при горении кабеля до 40%).
До исполнения нг(B) (П 2) 8.2.2.4 (нг(B) – не распространяющий горение при групповой прокладке кабелей по категории В (до 3,5 л/м³), не огнестойкий, 8 – время огнестойкости не нормируется, 2 – не нормируется образование галогенных кислот, но нормируется по п. 6.3.4 стандарта [1], 2 – показатель токсичности продуктов горения 40 г/м³, 4 – снижение светопроницаемости воздуха из-за дыма при горении кабеля не нормируется).
Практически это любой кабель с индексом нг стоимостью от 100 до 300 рублей и с обязательным (не добровольным) сертификатом на соответствие требований регламента ТР ТС 004/2011 «О безопасности низковольтного оборудования».
Как уже отмечалось, область применения концевых выключателей с выходом «сухой контакт» для пожарных систем незначительная (в номенклатуру пожарных извещателей по стандарту [36] они не включены), с точки зрения конструктора взрывозащищённого датчика с кабелем оптимального по области применения при минимальной стоимости следует выбрать современный менее опасный для человека кабель по показателю пожарной опасности исполнений не менее нг(A)-HF, П(1б) 8.1.2.1 (электроустановки в высотных (до 75 метров) зданиях с массовым (50 человек и более) пребыванием
людей, у которых ещё и компьютеры имеются).
2.2. Технические требования
2.2.1. Требования к жиле кабеляВоспламенение взрывоопасной среды (газов или пыли) происходит в основном из-за появления в ней искры и/или её нагрева (воспламенение от ультразвуковых и электромагнитных излучений с частотами от 9 кГц до 60 ГГц здесь не рассматривается). Чтобы искра зажгла взрывоопасную среду, среда должна иметь температуру воспламенения (холодная не загорится), т.е. температуру горючего вещества, при которой происходит его устойчивое горение при воспламенении от источника зажигания, или температуру вспышки, т.е. температуру горючего вещества, при которой на поверхности образуются пары и газы, способные вспыхивать от источника зажигания, но скорость их образования недостаточна для устойчивого горения.
Чтобы взрывоопасная среда загорелась сама от нагрева части датчика или кабеля, среда должна нагреться от них выше своей температуры самовоспламенения, т.е. температуры горючего вещества, при которой происходит резкое увеличение скорости экзотермических реакций, заканчивающееся возникновением пламенного горения. И то, и другое может привести к взрыву, т.е. быстрому преобразованию веществ, сопровождающемуся выделением энергии и образованием сжатых газов, способных производить работу, в том числе и разрушительную. (Допустимая температура самовоспламенения среды отражается в требованиях к минимальному значению температурного класса взрывозащищённого оборудования, например Т4, а температуры вспышки и воспламенения необходимы для определения класса взрывоопасной зоны, например, по ГОСТ IEC 60079-10-1-2013, которая в дальнейшем отразится в требованиях к минимальному уровню взрывозащиты оборудования. Определение данных температур проводится по ГОСТ 12.1.044. Считается, что правильно сконструированное и применённое взрывозащищённое оборудование искр не производит с какой-то степенью вероятности.)
Искру и нагрев может дать жила кабеля, нагруженная током. Кроме того, жила кабеля должна передать сигнал датчика на достаточное расстояние без существенных искажений.
О материале жилы и её гибкости
Почти все нормативные документы (общепромышленные и на взрывозащиту) однозначно требуют, чтобы контрольный кабель, в том числе и огнестойкий (п. 5.2.1.3 стандарта [1]) был с медными изолированными жилами. Пункт 5.2.1.3 стандарта [2] требовал, чтобы медные жилы кабелей для взрывоопасных зон были не ниже 2 класса гибкости по стандарту [20], т.е. с многопроволочными жилами из отожжённой проволоки с покрытием или без него с числом проволок не ниже 7 для сечений до 10 мм², а п. 2.4.1 [3], требования которого надо выполнять согласно табл. 1 стандарта [1], допускает использовать для стационарной прокладки жилы и 1 класса (однопроволочные). Стандарт [4] на гибкие кабели для подземных работ (взрывоопасные среды по рудничному газу и угольной пыли, группа 1 по [1]) своими п. 3.4 и п. 4.2.1.4 требует жилы сечением от 0,35 мм² не ниже 5 класса гибкости по стандарту [20]. Для переносного оборудования в газовых и пылевых средах (группы 11 и 111 по [10]) стандарт [11], п. 9.3.4 требует, чтобы проводники кабеля были многожильными, причём «Диаметр поперечного сечения проводников должен быть не менее 1,0 мм²» (интересно, где именно опечатка?).
О сечении жилы кабеля в условиях её нагрева током
Ведомственные нормативы на СС конкретны и требуют разное сечение медной жилы кабеля 0,2–0,5 [7], 0,5–0,75 [8], 1,5 [9] мм². Нормативы на взрывозащиту более расплывчаты [10–13] и требуют, чтобы любая часть датчика (изделия), включая кабель при самых неблагоприятных условиях эксплуатации (токах, вибрациях, замыканиях и т.п.), не нагрелась сверх допустимой температуры и тем самым не воспламенила конкретную взрывоопасную среду с известной температурой самовоспламенения. В частности, п. 9.3.8 стандарта [11] требует, чтобы температура поверхности кабеля не превышала температуру присвоенного изделию температурного класса для взрывозащищённого электрооборудования электроустановки (обычно обозначают как Ех-оборудование, от английского слова «Explosion» – взрыв). Температурный класс взрывозащищённого изделия, который обозначается как Т6, Т5, Т4, Т3, Т2 или Т1, определяется при его сертификации на соответствие техническому регламенту ТР ТС 012/2011 [14]. При испытаниях взрывозащищённого изделия в качестве подстраховки ГОСТы снижают температуру на 5–10°С от нормируемой классом температуры, например, взрывозащищённое изделие для газовых сред с температурным классом Т6 при испытаниях не должно нагреться более 80°С, а не на 85°С, определяемой классом Т6 согласно п. 26.5.1.3 стандарта [10]. Разделение взрывоопасных сред на температурные классы произведено в соответствии с практическим обобщением температур самовоспламенения реальных групп газов и пылевых сред, примеры веществ с известной температурой самовоспламенения и воспламенения приведены в главе 7.3 ПУЭ [13], например, температуры воспламенения какао, чая и сахара во взвешенном состоянии составляют 420°С, 925°С и 360°С. Алгоритм выбора температурного класса оборудования, в том числе и с кабелем, приведён в п. 5.6.2 стандарта [11] и его табл. 1, также в п. 7.3.2.7 ПУЭ [13], согласно которым класс Т6 является наиболее универсальным, если температура эксплуатации изделия невысока.
![Таблица 1. Таблица 4 стандарта [11]. Зависимость между температурными классами электрооборудования и температурой самовоспламенения газа или пара](/images_cta/articles/2025/cta2025-2/cta2025-2_22%20tabl1.jpg)
Температурный класс взрывозащищённого изделия, в том числе и с постоянно присоединённым кабелем, обязательно указывается в его маркировке взрывозащиты согласно разделу 29 ГОСТ 31610.0-2014 [10], например, маркировка датчика (изделия) 1Ех db IIC Т6 Gb Х расшифровывается так: 1 – изделие уровня взрывозащиты 1 для газовых сред, Ех – изделие соответствует стандартам на взрывозащиту, db – вид взрывозащиты изделия, где d – взрывонепроницаемая оболочка (очень прочный корпус с узкими и длинными сопряжениями, которые гасят выходящее из корпуса пламя при взрыве внутри), b – с параметрами (размерами) для уровня взрывозащиты 1 и Gb (дублирование уровня взрывозащиты, раньше было просто d), IIC – изделие применимо для самых текучих и опасных газов группы IIC (водород, ацетилен, сероуглерод и менее взрывоопасные и текучие газы по группам IIВ и IIА), Т6 – температурный класс изделия (гарантируется, что температура изделия и любых его частей, включая кабель, не превысит температуру 85°С при самых неблагоприятных условиях эксплуатации), Gb – уровень взрывозащиты оборудования для газовых сред высокий (дополнительное дублирование российского обозначения уровня взрывозащиты 1 в угоду гармонизации с европейскими стандартами), знак Х, если он имеется, указывает на особые условия применения изделия, которые отражены в его документации, например, знак «Х» может указывать на необходимость соответствующего присоединения свободного конца постоянно присоединённого кабеля к датчику в соединительной коробке по п. 14.1 ГОСТ 31610.0-2014 [11]. Более подробно о маркировке взрывозащищённого оборудования описано в статьях [15, 16].
Чёткое указание по минимальному диаметру жилы дано только в стандартах вида взрывозащиты «искробезопасная цепь» [17, 18], который должен быть больше 0,1 мм (0,00785 мм²). Свод правил [8] увеличивает сечение медной жилы для искробезопасных цепей до 0,5 мм². Для передвижного взрывозащищённого оборудования минимальное сечение гибкой многопроволочной медной жилы должно быть больше 0,35 мм² [4].
Теоретически температуру жилы можно рассчитать по известному закону Джоуля – Ленца и ГОСТ Р МЭК 60287-1-1-2022, зная условия нагрева и охлаждения проводника в конкретной среде, но на практике сделать это крайне сложно из-за отсутствия информации о конкретных коэффициентах теплообмена и поэтому лучше обратиться к практическому и проверенному временем документу ПУЭ [13]. Современные методики расчёта нагрева проводника током [19] показывают хорошую корреляцию результатов с данными ПУЭ [13]. Проведём оценку минимальной величины сечения медной жилы в наихудших условиях её охлаждения по критерию её нагрева до температуры 80°С (класс Т6 по [10]) при разных температурах эксплуатации по данным ПУЭ [13].
В таблице 1.3.3 ПУЭ приведены поправочные коэффициенты, уменьшающие допустимый ток жилы при различных температурах окружающей среды при сохранении жилой определённой температуры. Анализ поправочных коэффициентов строки 1 таблицы 1.3.3 ПУЭ [9] показывает, что при температуре эксплуатации 50°С максимально допустимый ток жилы по таблице 1.3.4 надо уменьшить на понижающий коэффициент k = 0,68, чтобы температура жилы не превысила 80°С (разница температур жилы и окружающей среды ∆Т = 30°С), тогда для проводника, проложенного открыто при сечении жилы 1 мм², плотность тока составит 17 А × 0,68 / 1 мм² = 11,56 А/мм², а для 2,5 мм² – уже 8,16 А/мм². Для медной жилы сечением 1 мм², упрятанной в 3-жильный изолированный провод и помещённый в стальную трубу, проложенную в земле (прокладка кабелей в трубах рекомендуется всеми стандартами на взрывозащиту, например, п. 9.4 стандарта [11]), таблица 1.3.4 ПУЭ уменьшает допустимый ток до 14 А, соответственно допустимая плотность тока будет 14 А × 0,68 / 1 мм² = 9,52 А/мм².
Для справки: данные таблицы 1.3.4 ПУЭ по допустимому току 3-жильного изолированного провода более жёсткие, чем данные таблиц 1.3.6 и 1.3.8 для 3-жильных кабелей, и поэтому таблица 1.3.4 принята для нижней оценки максимально допустимого тока. При сокращении разницы ∆Т между температурой нагрева жилы до 80°С и температурой окружающей среды до 20°С и 10°С понижающий коэффициент (k) начинает снижаться, быстрее достигая самых минимальных значений до 0,63 и 0,47 соответственно (строки 4 и 6 табл. 1.3.3). Экстраполируя значения плотности тока по данным табл. 1.3.4 для трёхжильного провода, получаем нижние оценки максимально допустимых токов для разных сечений проводника при разных ∆Т, которые приведены в табл. 2.

Анализируя данные табл. 2, можно утверждать, что для датчиков универсального температурного класса Т6 (85°С) можно применять кабели с медными жилами сечением от 0,5 мм² для токов коммутации до 4 А, что охватывает практически всю номенклатуру герконовых датчиков, и кабели с сечением жил 2,5 мм² для концевых выключателей на микропереключателях с токами коммутации 10 А, даже если разница между температурой жилы и температурой окружающей среды составляет всего 10°С, например, температурный класс датчика Т6 (85°С), а температура его эксплуатации –60...+70°С. Для линий связи с исполнительными устройствами СС (табло, сирены, световые маячки) с известными токами потребления во взрывоопасных зонах можно также руководствоваться табл. 1. Иногда в каталогах производителей кабельной продукции можно встретить данные по допустимой токовой нагрузке жил кабеля при различных температурах эксплуатации. Например, для кабеля марки КУНРС ЭВКВнг(А)-FRLSLTx при ∆Т = 10°С (правда, при температуре окружающей среды только 25°С) допустимый ток составляет 5, 6, 8 и 10 А для сечений 0,75, 1,0, 1,5 и 2,5 мм² соответственно, что показывает хорошую корреляцию с данными таблицы 1 при ∆Т = 10°С.
Для справки.
В качестве верхней оценки температуры самонагрева проводника током можно воспользоваться формулой по п. 5.6.3 стандарта [17], согласно которой допустимый ток медного проводника для внутренних соединений в искробезопасном устройстве диаметром 0,5 мм (сечение 0,2 мм²) составляет 6,7 и 6,9 А для температурных классов Т6 (85°С) и Т5 (100°С) соответственно при температуре окружающей среды не более 40°С (∆Т больше 40°С), что менее жёстко, чем данные таблицы 1.
Таблица 1 должна рассматриваться как справочная. На практике, если проектировщику в техническом задании указано обеспечить требования какого-то конкретного норматива, то ему придётся их выполнять, например, по СП 423.1325800.2018 [8] он не вправе применить жилы сечением менее 0,75 мм², также сечение жилы может быть оговорено в руководстве на конкретный вторичный прибор. Это необходимо учитывать конструктору датчика с постоянно присоединённым кабелем для расширения рынка его сбыта.
О сечении жилы кабеля для закрепления её во вторичном устройстве
Выпавшая из клеммы или оборванная жила может вызвать искру, воспламенив взрывоопасную среду, не говоря уже о потере информации. Кроме того, клемма имеет своё сопротивление, что дополнительно приводит к нагреву контакта протекающим через него током, свою температуру эксплуатации и допустимый уровень внешних воздействий (вибрация, удары). Глава 3.4 ПУЭ [13] по условиям механической прочности медной жилы, условиям эксплуатации (внутри или снаружи устройства, какое напряжение, есть ли вибрация) и способу её присоединения (пайка, спец. клемма, винт) к устройству (внутри или снаружи) допускает сечение жил 0,2; 0,35; 0,5; 1,0; 1,5 и 2,5 мм² для контрольных кабелей.
В частности, согласно п. 3.4.12 ПУЭ [13] внутри неподвижных устройств (коробка, щит, ящик), где происходит соединение, допускаются винтовые соединения с медными однопроволочными жилами сечением от 1,5 мм², а многожильными от 0,2 мм² при оснащении их наконечниками (например, наконечники штыревые втулочные типа НШВ и НШВИ завода КВТ).
Стандарты на взрывозащиту менее конкретны. Например, пункт 14.1 ГОСТ 31610.0 [10] требует, чтобы токоведущие части контактных зажимов должны быть соединены таким образом, чтобы электрический контакт в месте соединения в течение длительного времени эксплуатации не ухудшался из-за нагрева в условиях переменного теплового режима, изменения размеров изоляционных деталей и вибрации, а п. 15.3 стандарта [11] требует для устранения риска коротких замыканий между смежными проводниками, чтобы изоляция каждого проводника доходила до зажима, причём если зажим (клемма) винтовые общепромышленные, то жила проводника должна иметь форму «U».
Но технический прогресс не стоит на месте, создавая новые конструкции клемм. Компании Wago, Weidmuller являются ведущими мировыми производителями клемм новых конструкций: пружинных и винтовых клемм и аксессуаров к ним, включая и взрывозащищённые с видами взрывозащиты «i» (синие проходные) по стандарту [17] и «е» (серые проходные, жёлто-зелёные для заземления и другие цвета) по стандарту [21]. В таких клеммах нет искрения (отсутствуют искрообразующие металлы – алюминий, титан, магний и цирконий по п. 8.1:8.2 8.3 и п. 15.6 стандарта [10] и предусмотрены большие усилия выдёргивания проводника: от 20 ньютонов для сечения 0,5 мм² и до 50 ньютонов для сечения 2,5 мм²), нет большого нагрева проводника из-за их малого проходного сопротивления (порядка 0,5...1,5 мОм), нет самоотвинчивания и нет передачи контактного давления через изоляционный материал в широком диапазоне диаметров проводника (порядка 0,08...2,5/4 мм²). Диапазон температуры эксплуатации у некоторых образцов клемм достигает от –60°С до +130°С, вибрации с ускорением порядка 3 g в диапазоне частот 5...250 Гц, удары до 30 g продолжительностью 18 мс. В результате нормативы [11, 13] допустили использование изделий, например, соединительных коробок, с видом взрывозащиты «повышенная защита вида “е”» в наиболее востребованных взрывоопасных зонах классов 1, 2, 21, 22 [10] (периодическое появление взрывоопасной смеси). Требования к техническим характеристикам таких клемм приведено в п. 4.2.2.2 стандарта [21], который допускает использовать общепромышленные клеммы, соответствующие требованиям ГОСТ 30011.7.1, ГОСТ 30011.7.2, ГОСТ 60947-7-4, ГОСТ 31602.1 или ГОСТ 31602.2, а для уровня взрывозащиты «ec» и поворотные клеммы по ГОСТ IEC 60998-2-4 для взрывобезопасных соединений при условии их дополнительных испытаний (испытаний изоляционного материала клеммы на термостойкость, испытаний на усилие вытягивания провода из клеммы и испытаний на нагрев провода, закреплённого в клемме). Одна из технологий изготовления таких пружинных клемм описана в статье [22]: проводник вдавливается фигурной пружиной из хром-никелевой стали в оловянно-свинцовое покрытие токовой шины, образуя газонепроницаемый контакт, препятствующий коррозии (технология CAGE CLAMP).
Обычно постоянно присоединённый кабель датчика вводится в соединительную коробку, которая может иметь разные виды взрывозащиты, например, взрывонепроницаемая оболочка [23], вид «повышенная защита вида “е”» [21], вид «искробезопасная цепь “i”» [17] или сразу в барьер искрозащиты.
Во взрывонепроницаемую коробку по стандарту [23] сертифицирующий на соответствие ТР ТС 012 [14] орган РФ допускает установку и общепромышленных клемм (взорвалась смесь внутри коробки, но пламя наружу не вышло, объект и люди целы, несмотря на отказ изделия), например («старые», но по действующему ГОСТ 10434-82) винтовых, где винт прижимает непосредственно жилу через шайбу, а по стандартам [17, 21] только взрывозащищённые (нет сильного нагрева и искрения). Надо отметить, что современные общепромышленные клеммы (винтовые и пружинные), сертифицированные на соответствие регламенту 004/2011 [24], по утверждению их производителей, имеют практически такие же технические характеристики, что и взрывозащищённые Ех-клеммы, и только дополнительно не испытаны по п. 4.2.2.2 стандарта [21].
Сечение жил кабеля, вводимых в конкретную сертифицированную Ех-коробку или барьер искрозащиты, всегда указано в их документации (серийно выпускаемые барьеры искрозащиты обеспечивают надёжное присоединение искробезопасных проводников сечением от 0,2 до 2,5 мм2 в диапазоне температур –60...+70°C и вибрациях в диапазоне частот 5...25 Гц), наряду с диапазонами внешних воздействий, что позволяет достаточно просто выбрать жилу по условию её механической прочности.
Для справки.
- 1. Фирмы Wago, Weidmuller, Phoenix Contact закрыли свои представительства в РФ в связи с санкциями, но Е×е-клеммы серий ННВ и КНЗ под DIN-рейку выпускает уже под флагом РФ ООО «Ступинский электротехнический завод», оставленный ушедшим из РФ Phoenix Contact, правда, не такой широкой номенклатуры, китайская фирма Ninbgo SUPO Electronics Co сертифицировала в РФ часть своих Ех-клемм на соответствие [14, 24] и продолжает расширять их номенклатуру. Имеют действующие сертификаты РФ на клеммы по регламенту [14] турецкая фирма Klemsan и китайская Degson Technology co. Ltd. Правда, все эти Ех-клеммы пока сертифицированы только для вида взрывозащиты «е» [24].
- 2. В связи с санкциями приобретает актуальность Примечание 2 п. 16.5.1 стандарта [11], согласно которому допускается применять коробки и клеммы с видом взрывозащиты «е» [21] в искробезопасных цепях [17] при условии, что в коробке находятся только одни искробезопасные цепи (в коробке не должно быть искроопасных цепей), а электрический воздушный зазор между оголёнными в клеммах жилами разных искробезопасных цепей должен быть не менее 6 мм, а между жилами одной искробезопасной цепи и корпусом – 3 мм.
Также необходимо отметить, что п. 4.2.3.3 стандарта [21] и ПУЭ [13] кроме клемм допускает выполнять постоянные соединения проводников пайкой твёрдым и мягким (с дополнительной опорой) припоями (например, по ГОСТ 31921-2012), сваркой и обжатием (например, обжимными гильзами по ГОСТ 23469.3-79, типа медных гильз марок ГСИ (ПВХ-изоляция), ГСИ(н) (изоляция нейлоном) и ГСИ(т) (изоляция сшитым полиэтиленом), с температурами эксплуатации 75, 105 и 125°С соответственно и с сечением жил от 0,25 мм² по ТУ 3424-001-59861269-2004).
На основании вышесказанного можно утверждать, что имеются реальные электрические соединители, включая и взрывозащищённые, одно- и многопроволочных медных жил кабеля с сечением от 0,2 мм² с температурами эксплуатации до 120°С по условиям обеспечения механической прочности крепления жилы в контактном соединении.
О сечении и реактивных параметрах жилы кабеля для передачи информации о состоянии датчика во вторичный прибор
Датчик СС может подключаться кабелем к аналоговым или цифровым (адресным) приёмно-контрольным приборам (ПКП). Обычно это общепромышленные ПКП, располагаемые вне взрывоопасной зоны, соединённые с взрывозащищённым датчиком кабелем, проходящим через взрывоопасную зону. В аналоговых ПКП информация о состоянии датчика определяется по величине тока, протекающего через него, в том числе и с контролем целостности цепи (короткое замыкание и обрыв), например, по стандарту NAMUR (ГОСТ IEC 60947-5-6). В цифровых (адресных) ПКП информация о его состоянии и адресе поступает периодически в контроллер ПКП в виде цифрового кода (обычно через адресную метку, подключённую к контактам датчика непосредственно в нём или в близко расположенной соединительной коробке).
В любом случае сопротивление жилы кабеля, а также его ёмкость и индуктивность вносят погрешности в качество передаваемой информации вплоть до её потери. В редакции 2009 года ГОСТ Р 53325 [25] существовало требование к сопротивлению линии связи: п. 7.2.1.4 «Максимальное сопротивление проводной линии связи (шлейфа сигнализации) без учёта сопротивления выносного элемента, при котором ППКП должен сохранять работоспособность, выбирается из следующего ряда: 0,10; 0,15; 0,22; 0,33; 0,47; 1,00 кОм. Для адресных ПКП – 50 Ом». В редакции этого же стандарта [25] от 2012 года данное требование заменено на п. 7.2.15, который предписывает лишь указывать эти значения в документации на ПКП. Например, аналоговые неадресные ПКП типа «Сигнал-20М» требуют сопротивления линии связи до 100 Ом, а ПКП ВЭРС-ПК1-01 – 220 Ом. Для адресных ПКП, например для контроллера С2000-КДЛ фирмы «Болид», изготовитель ограничивает сопротивление двухпроводной линии связи величиной 200 Ом, т.е. 100 Ом на одну жилу при суммарной ёмкости проводов не более 0,1 мкФ, а для адресного ПКП Планета-АПКП-М – 90 Ом.
Сопротивление R20 медной жилы при температуре t = 20°С в зависимости от её сечения и типа приведены в ГОСТ 22483 [20], при повышении температуры оно возрастает с зависимостью R(t) = R20 (1 + 4,3×10–3 (t – 20)). Результаты расчёта усреднённых сопротивлений медной жилы с металлическим покрытием при температурах 80°С и 95°С, что соответствует её допустимому нагреву при эксплуатации во взрывоопасной среде по температурным классам Т6 (85°С) и Т5 (100°С) по ГОСТ 31610.0 (6), приведены в табл. 3.

Можно утверждать, что длина кабеля для подключения к аналоговому ПКП, расположенному вне взрывоопасной зоны, может достигать 1 км и более уже при сечении провода от 0,35 мм². В некоторых руководствах на ПКП имеются прямые указания по марке общепромышленного кабеля и его предельных длинах, которые можно использовать при выборе конструкции кабеля по стандарту [1] по сечению жил, их скрутке, ёмкости и индуктивности, например, изготовитель адресного контроллера С2000-КДЛ фирма «Болид» указывает допустимую длину кабеля от 0,16 до 1,18 км при сечении жил от 0,2 до 2,5 мм².
При этом надо учитывать, что обычно строительная длина кабеля не превышает 100...250 метров согласно п. 4.2.1.14 стандарта [4], 400 метров по стандарту [3] и 50...150 метров по стандарту [2], а по п. 5.2.8.2 стандарта [1] строительная длина кабелей сечением до 16 мм2 ограничивается лишь массой бухты в 50 кг, и надо будет сращивать кабели посредством взрывозащищённых соединительных коробок или других устройств, соответствующих уровню взрывозащиты данной зоны. Например, для зон 1, 2 с газовыми средами это коробки с видами взрывозащиты «db» [23], «еb» [21], «ib» и «ic» [17],
а для пылевых зон 21 и 22 это коробки с видами взрывозащиты «tb» и «tс» стандарта [26], п. 9.5 которого дополнительно требует, чтобы соединительная коробка имела степень защиты (IP по ГОСТ 14254) от пыли и воды не менее, чем у оборудования (датчика), разрешённого к применению в данной зоне.
Дополнительные требования устанавливаются стандартом [11] к кабелям и его жилам для искробезопасных цепей (виды взрывозащиты «ia», «ib», «ic» по стандарту [17]), которые влияют на допустимую длину кабеля. Кроме омического сопротивления жил здесь надо ещё учитывать индуктивность Lc и ёмкость кабеля Cc, которые могут добавить реактивную энергию в искробезопасную цепь при переходных процессах и вызвать искру между токопроводящими элементами. Общее правило: сумма внутренних индуктивностей и ёмкостей датчика, кабеля и соединительных коробок между ними должна быть меньше индуктивности Lo и ёмкости Co, нормированной в паспорте для конкретно выбранного барьера искрозащиты, при которых он гарантирует, что его пропускаемое в искробезопасные цепи напряжение Uo, ток Io и мощность Po не превысят его нормированных значений. Значения Lo, Co серийно выпускаемых барьеров взрывозащиты зависят от выдаваемых значений Uo, Io и составляют порядка 1,5 мГн/10,0 мГн и 0,6 мкФ / 3,7 мкФ для групп газов IIC/IIB по стандарту [10] соответственно при Uo = 12 В и Io = 100 мА. Методика определения индуктивности и ёмкости кабелей оговорена в п. 16.2.2.2 стандарта [11], согласно которой надо провести их измерения на частоте 1000 Гц (приложение Н), или взять данные изготовителя кабеля, или принять в расчётах предельные значения 200 пФ/м и 1 мкГн/м (очень много) для 2- и 3-жильного кабеля. В статье [27] приведены результаты измерения Lc и Сс отечественных кабелей больших длин, которые составили 543–859 мкГн/км и 48–138 нФ/км при сечении жил от 0,5 до 4,0 мм2, и сделан вывод, что длины кабелей для искробезопасных цепей могут достигать величины 5000 метров. Для искробезопасной полевой ши-
ны (FISCO) ГОСТ Р МЭК 60079-27-2012 пункт 5.1 ограничивает длину кабеля величиной 1 км для электрооборудования группы IIC и 5 км для группы IIB.
Также при определении длины кабеля для взрывоопасных зон следует учесть длины для закрепления кабеля на неподвижных конструкциях, в частности, п. 10.3 стандарта [11] требует располагать кабели прямо от кабельного ввода вторичного устройства (коробка), чтобы избежать бокового натяжения, которое может повредить уплотнение кабельного ввода. Для этого стандарт рекомендует дополнительно закреплять кабель на расстоянии не более 300 мм от ввода в устройство (коробку).
2.2.2. Требования к количеству жил кабеля
Согласно п. 15.1.1 ГОСТ 31610.0 [10] кабель для подключения датчика во взрывоопасной зоне должен иметь ещё жилу внутреннего заземления, которая подключается к клемме «Земля» внутри датчика, электрически связанной с внутренней поверхностью металлического корпуса, но не связанной электрически с токовыми цепями датчика (это дополнительно к наружному заземлению по п. 15.1.2 [10], которое подключается к наружной шпильке «Земля» датчика в предположении, что имеется вероятность его обрыва в процессе эксплуатации), т.е. кабель должен быть как минимум 3-жильным для двухконтактного датчика, например, с одним нормально замкнутым герконом, и 4-жильным для датчика с переключающим герконом.
Если изготовитель датчика применил в нём двойную или усиленную изоляцию (например, с напряжениями пробоя по табл. 6 ГОСТ Р 52931), то п. 15.2 ГОСТ 31610.0 [10] разрешает использовать кабель без жилы внутреннего заземления. Такие датчики существуют и сертифицированы на соответствие регламента ТР ТС 012 /2011 [14].
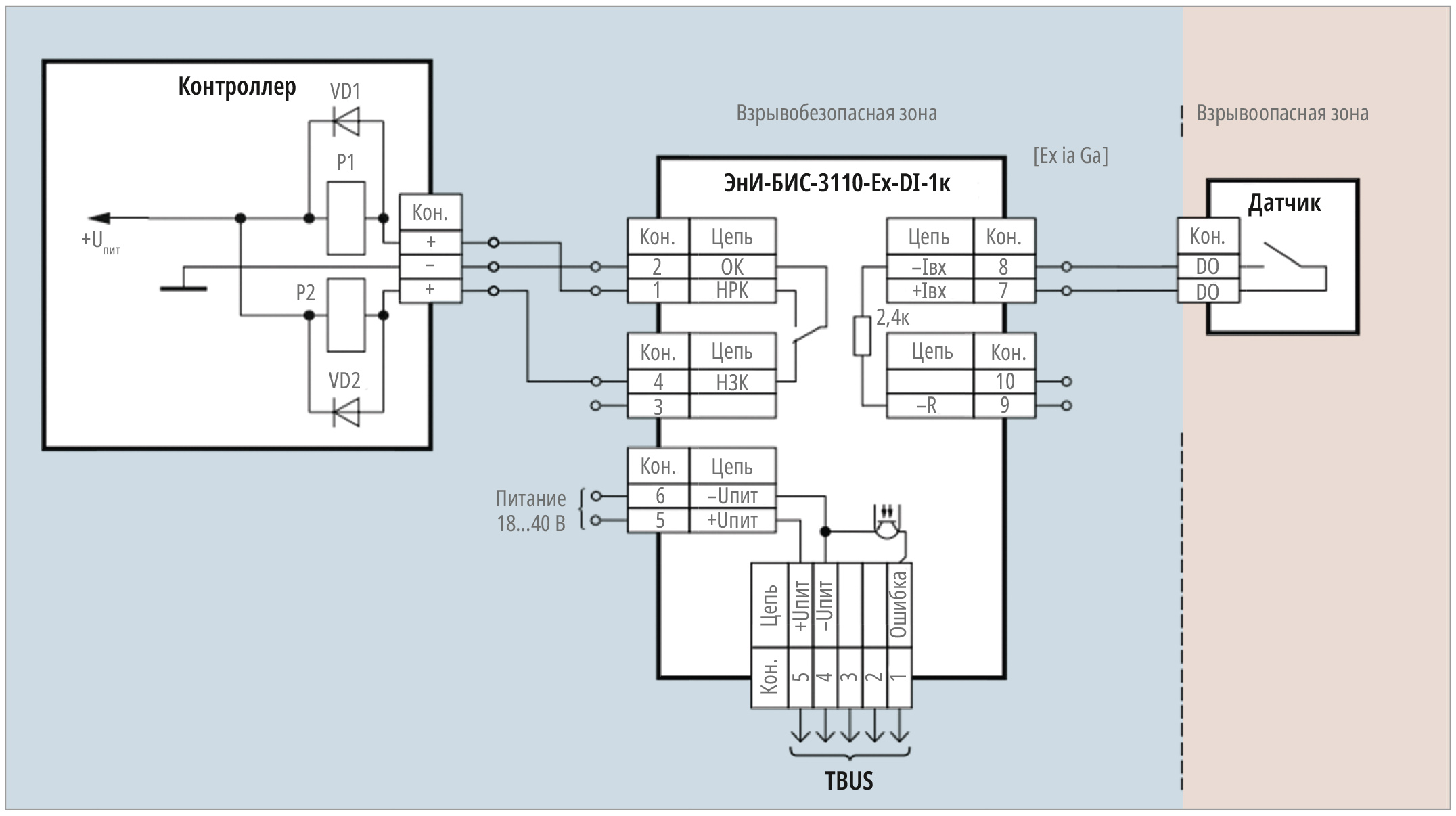
Исключение составляет случай, когда датчик выполнен с видом взрывозащиты «искробезопасная электрическая цепь “i”», для которого п. 16.2.3 стандарта [11] не предусматривает обязательного заземления искробезопасных цепей, кроме случаев, когда заземление необходимо для обеспечения вида взрывозащиты согласно п. 6.5 [17]. Многие искробезопасные датчики выполняют в корпусах из антистатического пластика с двухжильным кабелем, при этом барьер искрозащиты, через который датчик подключён кабелем, должен быть обязательно заземлён с сопротивлением шины не более 1 Ом или 4 Ом для вида взрывозащиты «ia» (особо взрывобезопасный) и «ib» (взрывобезопасный) соответственно (для чего в проекте надо предусмотреть ещё и заземляющий провод в соответствии с табл. 2). Для датчика, имеющего один электрический контакт (например, один нормально замкнутый геркон или выключатель), достаточно двух проводов (одна искробезопасная цепь) для его подключения к барьеру искрозащиты по рис. 1, а если имеются два электрических контакта (например, переключающийся геркон), то проводов уже требуется минимум три (две искробезопасные цепи и два барьера искрозащиты) по рис. 2. Для электроконтактных выключателей с двумя электрически не связанными контактами типа НР и НО требуется уже 4 провода (две искробезопасные цепи и два барьера искрозащиты по рис. 1).


Если по каким-то практическим соображениям для подключения датчика был применён кабель с числом жил больше необходимого, то все концы незадействованных жил должны быть заземлены или изолированы с помощью концевой заделки (п. 9.6.3 и п. 16.2.2.5.3 стандарта [11]), причём использование только изоленты недостаточно, необходимо применять термоусаживаемую трубку или зажим (изолированный наконечник, по нормативу [9], наконечник из полиэтилена не допускался). Пункт п. 4.9 норматива [9] ранее допускал изолировать жилы липкой поливинилхлоридной лентой толщиной не более 0,2 мм в 4 слоя с 50% перекрытием предыдущего витка.
2.2.3. Требования к изоляции жил кабеля
Нормативы на взрывозащиту ограничивают круг материалов и их характеристики для изоляции жил кабеля, применение которых обеспечивает свойства кабеля быть непожароопасным, противостоять растяжению, выдерживать внешние механические удары, не создавать искр от статического электричества, исключить перенос взрывоопасной среды внутри оболочки кабеля при пересечении им разных взрывоопасных зон.
О материале изоляции кабелей
Здесь стандарты на взрывозащиту не едины в своих требованиях. Пункт 7.3.102 ПУЭ [13] допускает во взрывоопасных зонах любого класса кабели с проводами в резиновой, поливинилхлоридной и бумажной изоляции (изоляция жил), помещёнными в резиновую, поливинилхлоридную и металлическую (но не алюминиевую) оболочку и запрещает использование проводов и кабелей с полиэтиленовой изоляцией.
Стандарт для Ех-газовых сред [11] пунктом 9.3.1 запрещает использовать без установки в кабелепровод кабели с низкой сопротивляемостью к растяжению, в частности, с оболочками из
поливинилхлорида ниже 2,5 Н/мм², а для оболочек из полиэтилена ниже 15 Н/мм² (если кабель растяжим) датчик (изделие) с присоединённым кабелем может не пройти проверки на выдёргивание кабеля из Ех-кабельного вво-да, усилия выдёргивания которых нормирует Приложение А стандарта [10], например, для видов взрывозащиты «db» [23] и «eb» [21] оно составляет в ньютонах 20-кратное значение диаметра в мм по поясной изоляции кабеля, например, для кабеля диаметром 6 мм усилие составит 120 ньютонов, т.е. почти 12 кг. Для искробезопасных цепей постоянно присоединённый к датчику кабель должен выдерживать проверку на растяжение усилием 30 ньютонов (п. 6.2.4 и 10.9 стандарта [17]).
Пунктом 9.3.2 стандарт [11] разрешает использовать кабели для стационарной электропроводки с термопластичной, термореактивной, эластомерной оболочкой и негигроскопическими заполнителями, а также с металлической оболочкой с минеральной изоляцией. Пункт 9.1.2 стандарта [12] для пылевых сред повторяет эти требования, подтверждая применимость поливинилхлоридной и полихлорпропиленовой изоляции во взрывоопасных зонах. Пункт 10.2 стандарта [11] обращает внимание, что кабель не должен иметь «холодную текучесть», что свойственно огнестойким кабелям, так как большая сила сжатия кабеля по окружности в уплотнении взрывозащищённого кабельного ввода соединительной коробки может привести к уменьшению сопротивления изоляции кабеля (за счёт уменьшения толщины изоляции), но конкретных значений пределов текучести стандарт не приводит. Для переносного оборудования стандарт ([11], п. 9.3.4) и [4] рекомендуют оболочки из поливинилхлорида и резины, к которым стандарт [2] добавлял ещё оболочки из фторопласта и сшитого полиэтилена. Стандарт [1] своим пунктом 5.2.1.4 допустил выполнять изоляцию контрольных кабелей, в том числе и наружную по п. 5.2.1.10, из поливинилхлоридного пластика пониженной пожарной опасности, сшитого полиэтилена, этиленпропиленовой резины, кремнийорганической резины или полимерной композиции, не содержащей галогенов, в том числе и сшитой (химическими способами соединяют длинные молекулы материала поперёк, получая прочную трёхмерную структуру), а п. 5.2.5.2 [1] установил требования на разрыв наружной оболочки кабеля или его защитного шланга величиной не менее 8,5 Н/мм² (эксперименты показали значительное изменение электрического и волнового сопротивления кабеля уже при нагрузке 50% от предельного растягивающего усилия).
Как уже отмечалось для огнестойких кабелей (индекс в обозначении FR), согласно п. 5.2.4.1 стандарта [1] на медные жилы должна быть наложена изоляция кремнийорганической керамообразующей резины, или на медные жилы сначала накладывается термический барьер из слюдосодержащих лент, а потом на барьер должна быть наложена другая изоляция (например, ПВХ-изоляция по стандарту [2] п. 5.1.2.4.2) и произведена их скрутка в сердечник, например, концентрическим повивом.
Чтобы кабель СС по стандарту [1] в плане по пожарной опасности соответствовал исполнению нг(A)-FRHF, П(1б) 1.2.1.1, его изоляция поверх сердечника из скрученных изолированных жил должна быть из полимерной композиции, не содержащей галогенов (буква «П» в обозначении), а для исполнения нг(A)-FRLS, П(4) 1.2.2.2 изоляция должна быть из поливинилхлоридного пластиката пониженной пожарной опасности (буква «В» в обозначении по стандарту [1]).
Стандарт [11] пунктами 5.9 и 9.3.7 требует при выборе оболочки кабеля учитывать возможные её повреждения от тепла, холода, ультрафиолетового излучения, химических или механических воздействий, вибраций, влаги, ветра, пыли, растений, животных, насекомых и т.п.
Из вышеизложенного следует, что из материалов изоляции кабелей во взрывоопасных зонах только поливинилхлорид и резина не вызывают разногласий действующих нормативов.
О конструкции изоляции кабеля вокруг его жил
Горючие вещества (газы и жидкости п. 5.9.2 стандарта [11]) не должны протекать внутри оболочки кабеля, ведущего из взрывоопасной зоны во взрывобезопасную или пересекающего различные по уровню взрывоопасности зоны, если есть такая вероятность. Методика испытаний кабеля на данный параметр приведена в приложении Е стандарта [11], согласно которой к внутренней оболочке кабеля прикладывают избыточное давление от 0,3 кПа при различных температурах. Стандарт [1] своим п. 5.2.4.6 подтвердил данное требование (но как-то нечётко сформулировал к контрольным кабелям) и п. 8.5.6 оставил метод проверки продольной герметичности кабеля по приложению Е стандарта [11]. Если кабель должен быть продольно герметичен, то все промежутки между его жилами должны быть заполнены, но п. 5.2.1.6 стандарта [1] требует заполнять наружные и внутренние промежутки только у силовых кабелей, а для контрольных кабелей заполнять надо обязательно только наружные промежутки, откуда следует, что контрольный кабель может быть и не продольно герметичным. Пункт 5.2.1.8 стандарта [2] также допускал кабели без заполнения воздушных полостей в его сердечнике и не обеспечивающие продольную герметичность. В качестве заполнителей внутреннего промежутка стандарт [1] предлагает жгут из негигроскопичного волокнистого материала, полимерной композиции или невулканизированной резины, которые при скрутке жил деформируются и заполняют внутренние промежутки. Заполнение наружных промежутков должно быть осуществлено одновременно с наложением внутренней экструдированной оболочки (все заполнители должны быть негигроскопичны). Для обеспечения продольной герметичности и стойкости к ударным нагрузкам стандарт [1] пунктами 5.2.1.5 и 5.2.1.6 требует скручивать жилы (в том числе и подготовленные (уже свитые) витые пары, а не только отдельные изолированные жилы) в сердечник, например, концентрическим повивом, пучковой или поясной скруткой. Подобное требование к скручиванию жил приведено и в стандарте на гибкий кабель для рудников [4] п. 4.2.1.8. Интересно заметить, что ГОСТ 1508-78 на контрольные кабели и ГОСТ 16442-80 на силовые предусматривали отдельную маркировку для заполненных кабелей посредством добавлений в обозначение кабеля индекса «з» (КВВГз и ВВГз), но технических требований к качеству заполнения не указывали.
Обзор номенклатуры выпускаемых контрольных кабелей показывает, что кабелей с продольной герметичностью крайне мало, и они дорогие. Некоторые производители кабелей прямо указывают, что их кабель не имеет продольной герметичности (хотя и указывают, что он предназначен для взрывоопасных зон), и требуют использовать герметичные проходки в стенах при пересечении электрических цепей кабеля между разными Ех-зонами. Возможно, целесообразно ввести в стандарт [1] данное требование в редакции пункта 5.2.1.8 стандарта [2] учётом критерия по пересечению разных по уровню взрывоопасных зон по п. 5.9.2 стандарта [11], что было бы актуально для Ех-датчиков с короткими кабелями.
О скрутке изолированных жил кабеля в пары, тройки и четвёрки
Со времён изобретения телефона Александром Грейамом Беллом в 1881 году замечено, что скрутка изолированных жил с определённым шагом (витая пара, парная скрутка) приводит к защите от помех, созданных внешними источниками, и помех внутри одного кабеля, наведённых одной парой жил на другую. Собственная частота коммутации датчиков типа «сухой контакт» на герконах и электроконтактных на микропереключателях составляет порядка 5...100 Гц, и применять для связи с аналоговыми ПКП высокочастотные симметричные кабели по стандарту [28] нецелесообразно. Другое дело, если обмен данными датчика с ПКП происходит по линии связи в соответствии с одним из промышленных стандартов (HART, FOUDATION FIELDBUS, RS-485, Wiegand и т.п.), что позволяет работать с десятками устройств, подключённых к одной линии связи. Здесь нелишне посмотреть документацию на конкретный цифровой и адресный ПКП, в которой производитель указывает на марку конкретного кабеля (хоть и не для взрывоопасных зон), по конструкции которой (витая пара или нет) можно подобрать кабель и для Ех-зон. Например, для контроллера С2000-КДЛ фирмы «Болид» изготовитель указывает, что применение витой пары желательно, а в адресной метке АМП-4-R3 фирмы «Рубеж» изготовитель требует кабель типа витая пара FTP (Foiled Twisted Pair, то есть экран из алюминиевой фольги) категория 5 (5 витков на дюйм).
Об электрических параметрах изоляции жил кабеля
Качественный ли был материал изоляции и правильно ли его наложили, косвенно судят по электрическим параметрам кабеля. С точки зрения взрывозащиты к наиболее грозным факторам, которые могут привести к появлению искр, относят пробой изоляции кабеля электрическим напряжением, высокое поверхностное сопротивление оболочки кабеля, вызывающее электростатические разряды, а также ёмкость и индуктивность кабелей для искробезопасных цепей (см. п. 2.2.2), способных увеличить энергию питания искробезопасного датчика сверх нормируемой, которая ещё не способна вызвать искру даже при коротком замыкании электрических цепей. С точки зрения передачи информации кабелем его плохая изоляция ведёт к появлению токов утечки и искажению передаваемого сигнала информации, о чём говорят такие параметры, как сопротивление изоляции, тангенс угла диэлектрических потерь, ёмкость и индуктивность, а для высокочастотных кабелей ещё и их волновое сопротивление.
О напряжении пробоя
Стандарт [1] своим разделом 5.2.2 нормирует только электрические параметры к кабелям с изоляцией из этиленпропиленовой резины с напряжением 10 кВ, а для остальных контрольных кабелей предлагает пользоваться требованиями советского ГОСТ 26411-85 [3] (табл. 1), согласно которому толщина изоляции из поливинилхлорида вокруг жил сечением 0,75...2,5 мм² должна составлять 0,6 мм, а напряжение пробоя переменного тока 50 Гц (п. 2.5.4) 2500 вольт при изготовлении и 1500 вольт после хранения. Стандарт [2] пунктом 5.2.2.3 требовал, чтобы действующее переменное напряжение пробоя по табл. 3 между разными жилами в кабеле в зависимости от толщины изоляции жил составляло от 1,0 кВ до 2,5 кВ, а между жилами и их индивидуальными экранами 0,75...2,0 кВ при толщине изоляции от 0,4 до 0,9 мм.
Стандарт [4] для гибких кабелей пунк-том 4.2.2.2 требует напряжение пробоя от 1,0 до 2,5 кВ при напряжениях их эксплуатации от 12 до 660 вольт.
Более конкретны к величине напряжения пробоя стандарты на искробезопасные цепи (данный вид взрывозащиты применим во всех взрывоопасных зонах).
Пункт 16.2.2.7 стандарта [1] требует минимальную радиальную толщину изоляции жилы кабеля, равную диаметру проводника, но не менее 0,2 мм (с чем не согласны разработчики кабелей, читайте, перейдя по QR-коду), и электрическую прочность жилы от брони или экрана 500 вольт действующего значения переменного тока и 1000 вольт между половинными пучками (искробезопасных) жил в кабеле. Стандарт [17] пунктом 6.3.13 добавил ещё требование к напряжению пробоя между искробезопасными и искроопасными цепями в кабеле не менее 1500 вольт.
О поверхностном сопротивлении изоляции кабеля
Стандарты [10–12] достаточно жёстко нормируют требования к неметаллическим частям изделий (оболочек) в плане возможного появления искр от статического электричества, в частности, стандарт [10] пунктом 7.2.4 требует ограничить поверхностное сопротивление неметаллических оболочек величиной 1,0 ГОм при влажности 50% и 10,0 ГОм при влажности 30% для угольных, газовых и пылевых сред. Методика определения поверхностного сопротивления неметаллических материалов приведена в п. 26.13 стандарта [10].
Но, как ни странно, эти требования к кабелям для газовых сред согласно п. 6.2.5 [11] не предъявляются (стандарт [10] пунктом 16.7 также соглашается с этим требованием).
При прокладке кабелей в зонах, опасных по воспламенению пыли, уровня Da, Db, и Dc п. 6.5.3 стандарта [12] требует: «Должны быть приняты меры по предотвращению накапливания статических зарядов на поверхности кабелей». Для выполнения этого требования п. 5.2.1.13 отменённого стандарта [2] предлагал накладывать заземлитель из медных проволок, охваченный герметичным полимерным рассеивателем, поверхностное сопротивление которого согласно п. 5.2.28 должно быть от 10 кОм до 10 ГОм в целях выполнения п. 6.1 стандарта [29]. Такое же требование к поверхностному сопротивлению наружной оболочки кабеля или его защитного шланга (1,0 и 10,0 ГОм), что и в стандарте [10] для исключения накопления зарядов статического электричества, даёт и действующий стандарт [1] своим пунктом 5.2.2.2, но только для кабелей, «к которым предъявляются требования для предотвращения заряда статического электричества». Где это надо, описывает стандарт [29]. Получается, что кабели для взрывоопасных зон могут быть и с высоким поверхностным сопротивлением, и накапливать электростатический заряд.
О сопротивлении изоляции кабеля
В данном вопросе стандарт [1] своим разделом 5.2.2 предлагает пользоваться стандартом [3], который нормирует сопротивление изоляции из поливинилхлорида по табл. 2 величиной 6 МОм на километр при изготовлении и 0,06 МОм после хранения. Стандарт [2] предлагал своим пунктом 5.2.2.2 выбирать его из ряда 10,37 и 100 МОм на 1 км длины при температуре 20°С, причём для изоляции из кремнийорганической керамообразующей резины (огнестойкой) и фторопласта только не менее 100 МОм.
О температуре эксплуатации изоляции кабеля
Высокая температура может размягчить изоляцию, а низкая привести к её охрупчиванию, и то, и другое увеличивает риск короткого замыкания жил. Основополагающий на взрывозащиту стандарт ГОСТ 31610.0-2019 [10] п. 5.1.1 устанавливает минимальный диапазон эксплуатации взрывозащищённого оборудования от –20°С до +40°С.
Стандарт [1] раздвинул этот минимальный диапазон для кабелей от –50 до +50°С, введя понятие «холодостойкое исполнение кабеля» (буквы ХЛ в обозначении кабеля) с нижним пределом до –60°С, что сейчас актуально в связи с интенсивным освоением недр Арктики.
Для удовлетворения конкретных потребностей промышленности требуются кабели с более высокой температурой эксплуатации, например, кабели марки ИнСил могут эксплуатироваться при температуре от –88 до +300°С (а вот огнестойкие кабели FR только до +110°С). Что касается кабелей с медными жилами, следует учесть, что температура длительной эксплуатации медного проводника (жилы) кабеля, изготовленного по стандарту [20] (медные жилы всех кабелей изготавливаются по данному стандарту), ограничена величиной +120°С, а температура эксплуатации гибких кабелей для подземных (взрывоопасных) работ согласно стандарту [4] должна выбираться из ряда +65; +70; +75; +85 и +90°С (стандарт [3] предлагал ряд +50; +60; +70 и +85°С).
Для справки.
По отменённому стандарту [2] температура эксплуатации кабелей для взрывоопасных зон должна на 20°С превышать температуру своего температурного класса, т.е. для класса Т6 (+85°С) – это +105°С и для класса Т5 (+100°С) – это +120°С и так далее (такое требование технически неоправданно, так как температура эксплуатации датчика с кабелем всегда ниже температуры соответствующего класса, например, температура эксплуатации датчика с кабелем +85°С, а температурный класс приходится назначать уже Т5 (+100°С), зная, что датчик и жилы кабеля могут разогреться своим током ещё на 10°С, т.е. до +95°С).
Об ударостойкости изоляции кабеля
Согласно п. 5.2.3.2 стандарта [1] кабели для взрывоопасных зон должны быть стойкими к воздействию механических ударов с энергией из ряда 10, 20 и 50 джоулей. Испытания должны быть проведены по методике ГОСТ 30630.1.10 [30], согласно которой на прижатый к полу кабель сбрасывают стальной ударник с радиусом 50 мм, после чего кабель испытывают на пробой переменным напряжением 50 Гц величиной (2,5U+2) кВ, где U – напряжение эксплуатации кабеля, например, 0,66 кВ. Такое испытательное напряжение после удара бойком на кабель существенно превышает испытательное напряжение пробоя при выпуске кабеля из производства, т.е. до удара.
Например, согласно разделу 1 стандарта [1] контрольный кабель может иметь рабочее напряжение 0,66 кВ, тогда после удара бойком он должен выдержать напряжение 3,65 кВ, в то время как из выпуска из производства по стандарту [1] со ссылкой на стандарт [3] он будет признан годным при испытании на пробой только напряжением 2,5 кВ (см. выше). Кабель для искробезопасных цепей согласно пункту 16.2.2.7 стандарта [11] годен при напряжении пробоя величиной 0,5 кВ, а его будут испытывать после удара напряжением больше 2,0 кВ.
О герметичности изоляции кабеля
Стандарт [1] пунктом 5.2.1.10 требует, чтобы наружная изоляция кабелей или его защитный шланг (определение шланга по ГОСТ 15845-80) были герметичны, в качестве метода испытаний п. 8.2.2 предложено определять герметичность кабеля при приёмосдаточных испытаниях визуально и приложением высокого (до 27 кВ) переменного напряжения скользящим электродом к движущейся оболочке кабеля по ГОСТ 2990-78 (но не погружением в воду с целью определения степени защиты IP по стандарту [31]).
Стандарт [2] пунктами 5.2.1.4 и 5.2.1.12 также требовал герметичности жил и оболочки кабеля, но метод испытаний на прогон предлагал более современный, по ГОСТ Р 54813-2011, и тоже только переменным напряжением по табл. А1 этого стандарта (без испытаний постоянным, высокочастотным и импульсным напряжением). Упоминание о воздействии воды на рассеиватель кабеля приведено в [2], где п. 8.2.3 требовал погрузить кабель в воду и тестером (42 В) проверить отсутствие короткого замыкания между рассеивателем и водой, а стандарт [1] табл. 2 нормирует водопоглощение только для этиленпропиленовой резины. ГОСТ 7006-72 п. 4.7 требовал проверку герметичности кабеля проводить и в воде. Стандарты [3, 4] о герметичности кабеля упоминаний не приводят. Все стандарты на взрывозащиту требуют обязательного указания степени защиты взрывозащищённого оборудования от пыли и воды (IP) по ГОСТ 14254 [31], которая должна быть обязательно указана в его маркировке взрывозащиты по стандарту [10], и как назначить этот IP на датчик с постоянно присоединённым кабелем в «кабельных» стандартах, ответа нет. Стандарт [17] п. 9.4 требует, чтобы изоляция кабеля, проложенного в трубах, была водостойкой, правда, не указывая её степень защищённости. Оба стандарта [1, 2] требуют испытаний на стойкость кабелей к воздействию относительной влажности 95% при температуре +35°С и приводят метод испытаний, когда после выдержки кабеля в камере влаги измеряют только его сопротивление изоляции.
О маркировке изоляции кабеля и его жил
Стандарт п. 5.2.7 [1] требует наносить на внешней поверхности кабеля разборчивую маркировку через каждые 1000 мм. Маркировка должна соответствовать ГОСТ 18690 и содержать марку кабеля, наименование производителя, год выпуска и обозначение стандарта [1], т.е. ГОСТ Р 58342-2012. Данное требование весьма разумно, так как позволяет однозначно разобраться в характеристиках кабеля и области его применения, особенно при покупках на вторичных рынках.
Стандарт (2) требовал ещё, чтобы маркировка была водостойкой, и предлагал окрашивать огнестойкие кабели исполнений нг(A)-FRLS и нг(A)-FRHF в оранжевый цвет (для искробезопасных цепей ещё и с синей полосой), а остальные исполнения – только в чёрный. Для гибких кабелей стандарт [4] п. 4.3 также требует печатную маркировку, нанесённую через 550 мм.
Что касается маркировки изолированных жил кабеля, то стандарт [1] пунктом 5.2.1.4 требует, чтобы они имели отличительную расцветку или цифровую маркировку, допускается использование счётных жил в каждом повиве по п. 2.4.4 стандарта [3] (рис. 3).

Особое внимание стандарты уделяют синему цвету при маркировке кабелей для искробезопасных цепей (так исторически сложилось ввиду особой ответственности данного вида взрывозащиты, применимого во всех взрывоопасных зонах, для снижения риска подключения к искробезопасным цепям не искробезопасного напряжения). Пункт 5.2.1.10 стандарта [1] категорично требует, чтобы наружная оболочка кабеля для искробезопасных цепей была синего цвета. Но как однозначно обозначить этот цвет при заказе кабеля по обозначениям раздела 4 стандарта [1], чтобы не получить в итоге кабель не того цвета, стандарт [1] умалчивает.
Данное требование на цвет ограничивает возможности конструктора датчика с постоянно присоединённым кабелем, который по конструкции одновременно удовлетворяет разным видам взрывозащиты, например, взрывонепроницаемая оболочка [2] и вид взрывозащиты – искробезопасная цепь «i» [17], здесь конструктор должен применять кабели, одинаковые по конструкции, но разного цвета. Особенно это отражается на выполнении оперативных заказов небольших серий датчиков с постоянно присоединённым кабелем. Складских остатков нужного кабеля, но чёрного цвета, достаточно,
а синего нет, при этом заказ на его изготовление принимают при длине не менее 5000 метров со сроком от месяца и более. Целесообразней было бы использовать требования п. 7.3.117 ПУЭ [13], который хоть и требует, чтобы изоляция проводов искробезопасных цепей имела отличительный синий цвет, но допускает маркировать синим цветом только концы проводов.
Также надо отметить, что нормативы рекомендуют окрашивать в синий цвет и устройства для присоединения искробезопасных жил кабеля, в частности, п. 12.2 стандарта [17] рекомендует окрашивать клеммные коробки, вилки, розетки искробезопасного оборудования в голубой цвет.
2.2.4. Требования к экранам кабеля
Конкретных указаний, что кабель для взрывоопасных зон должен быть экранированным, в стандартах на взрывозащиту нет, за исключением п. 16.2.2.8 стандарта [11], где для прокладки искробезопасных цепей более предпочтителен кабель конструкции типа А (подходит для всех искробезопасных цепей, и промышленность такие кабели выпускает), в котором индивидуальные экраны дополнительно защищают каждую одиночную искробезопасную жилу кабеля от соприкосновения с другими жилами. Как обозначить такой кабель при заказе, стандарт [1] умалчивает, хотя своим п. 4.3 разрешает использовать дополнительные обозначения марки кабеля, отличные от обозначений по п. 4.1. В то же время все стандарты требуют защищать электропроводку в том числе от электромагнитных полей посредством экранов (для снижения электрических помех, улучшения передачи сигнала, снижения электромагнитного излучения или предотвращения перекрёстных помех между аналогичными кабелями), изгибов жил кабеля или удалением от источников полей (п. 16.2.2.5.1 стандарта [11] и п. 7.3.117 ПУЭ [13]). О методах защиты от помех датчиков с проводами см. статью [32].
Если экран всё же применён, то п. 16.2.2.3 стандарта [11] устанавливает способы его заземления, в частности, в одной точке с заземлителем, установленным вне взрывоопасной зоны. Через заземлённый с двух сторон экран из-за разности потенциалов может протекать значительный импульсный ток помехи, вызывающий недопустимую по уровню взрывозащиты наводку в жиле, например, при ударе молнии [32, 33] (рис. 4).

В целом из-за частого упоминания стандартами про экран кабеля можно сделать вывод, что с точки зрения конструктора датчика экранированный кабель для взрывоопасных зон всё же желателен, особенно как защита от высокочастотных помех. Стандарт [1] допускает использовать во взрывоопасных зонах 5 видов общих экранов кабеля и только из меди (в виде медных лент (индекс в заказе Э), в виде медных или медных лужёных проволок (Эм и Эл) и оплёток из медных или медных лужёных проволок (Эо и Эол), а также неэкранированные кабели). Требования к хоть каким-то параметрам помехозащищённости экранированных контрольных кабелей и методам их испытаний, например, как в коаксиальных кабелях по ГОСТ Р 53880-2010 по 4 классам экранирования, стандарты
[1, 2] не предъявляют, оставляя всё это додумывать проектировщику СС. Технический регламент об электромагнитной совместимости ТР ТС 020/2011 на кабели тоже не распространяется.
Основными преимуществами экранов в виде оплёток и проволок являются большая гибкость кабелей и более эффективное экранирование от помех на частотах до 10 МГц [34], экранирование в виде лент (алюминиевой фольги) дешевле и лучше защищает от высокочастотных помех. Ответ на вопрос, нужен ли экран кабелю и если да, то какой, могут дать испытания на электромагнитную совместимость (как на помехоустойчивость, так и на помехоэмиссию) всего изделия вкупе с кабелем на соответствие требованиям стандартов к определённому виду продукции, например, для пожарных извещателей по Приложению Б ГОСТ 34698-2020.
Ограничение, что материал экрана кабеля для Ех-зон должен быть только из меди, существенно увеличивает его стоимость по сравнению с широко применяемыми экранами из алюминиевой фольги, что не всегда технически оправдано. Пункты 8.1, 8.2, 8.3 стандарта [10] ограничивают применение алюминия в оборудовании только с очень высоким уровнем взрывозащиты, но для уровней взрывозащиты Gb, Gc, Da, Db и Dc алюминий допускается, а это очень востребованные уровни применения оборудования. Стандарт [17] пунктом 9.3.7 рекомендует возможные варианты внешней оболочки кабеля, в том числе и «… в цельнотянутой алюминиевой оболочке». Да и стандарт [1] п. 4.1 допускает у кабелей броню из лент и проволок из алюминия (индексы в обозначении Ба и Ка), а экраны требует выполнять только из меди.
2.2.5. Требования к броне кабеля
Броня защищает кабель от механического воздействия, сдвигов почвы и грызунов, а также повышает его пожаростойкость и дополнительно экранирует жилы кабеля. Все Ех-стандарты требуют обеспечить механическую защиту кабеля от возможных повреждений (но количественных оценок возможных величин воздействия не приводят) при эксплуатации. Более конкретно, как это сделать, указано в ПУЭ [13], где пункт 7.3.118 и таблица 7.3.14 разрешают применять во взрывоопасных зонах любого класса открытую проводку бронированными кабелями или небронированными кабелями, проложенными в стальных газоводопроводных трубах. В зонах класса, начиная с В-1а и В-11а (зоны 1 и 21 по ГОСТ IEC 60079-10-1), разрешается выполнять проводку небронированными кабелями в резиновой, поливинилхлоридной и металлической оболочках (например, в металлорукаве), проложенными в коробах или открыто. Стандарт [17] менее конкретен и пунктом 9.3.7 лишь требует принять защитные меры от механических и других повреждений кабеля. В частности, он рекомендует возможные варианты внешней оболочки кабеля: «могут быть использованы бронированный, экранированный, в цельнотянутой алюминиевой оболочке, в металлической оболочке с минеральной изоляцией или полужёсткий бронированный кабель». Стандарт [1] допускает применять во взрывоопасных зонах как небронированные кабели, так и кабели с бронёй, которая может выполняться из стальных оцинкованных лент или проволок (индексы в обозначении Б и К) или из алюминиевых лент и проволок (Ба и Ка). В целом броня из лент менее гибкая, но более механически прочная, а броня из проволок выдерживает бо́льшие растягивающие и изгибные усилия и рекомендуется п. 10.3 стандарта [1] при вертикальных и наклонных прокладках кабеля.
Толщина лент брони обычно варьируется от 0,2 до 0,8 мм, а диаметр проволок 0,3...1,2 мм, наложенных оплёткой или повивом с разной степенью заполняемости. Какие конкретные механические нагрузки они выдерживают, придётся дополнительно запрашивать у производителя кабеля, которые в своих рекламных материалах об этом обычно умалчивают.
2.2.6. Требования к сроку службы кабелей
Ввиду высокой ответственности п. 5.2.4 стандарта [1] требует выбирать срок службы кабелей стационарной прокладки для взрывоопасных зон из ряда 25, 30, 35 и 40 лет, а для гибких шахтных кабелей стандарт [4] требует минимальный срок эксплуатации 1 год. Для сравнения п. 2.7.1 стандарта [3] на контрольные общепромышленные кабели требовал минимальное значение срока службы всего 5 лет. Но гарантированный срок службы своих кабелей для взрывоопасных зон кабельные заводы дают обычно 3...7 лет.
2.2.7. Требования к внешним параметрам кабеля в части присоединения их к взрывозащищённым устройствам
Кроме того, что жилу кабеля надо электрически присоединить к клемме датчика или коробки (см. выше), надо ещё определиться, можно ли ввести правильно выбранный кабель в конкретное взрывозащищённое устройство для обеспечения его герметичности (IP) и прочности (в частности, усилий выдёргивания кабеля, чтобы кабель не вылетел вместе с пламенем при взрыве газа внутри устройства) и требований по заземлению экрана или брони. Ввод кабеля в Ех-устройство обычно осуществляется посредством Ех-кабельного ввода, состоящего из сжимаемого поясной изоляцией кабеля эластичного (резинового) кольца и ответных устройств для дальнейшего присоединения трубы, металлорукава или брони, в которых должен быть далее проложен кабель. Как уже отмечалось, усилия выдёргивания кабеля из кабельного ввода нормирует Приложение А стандарта [10], правда, испытания проводят на гладком металлическом стержне. Эластичное кольцо кабельного ввода сдавливается при закручивании его резьбовой части, плотно охватывает кабель в каком-то (небольшом) диапазоне его диаметров поясной изоляции, герметизируя ввод кабеля в устройство, и крепко его удерживает по поясной изоляции за счёт сил трения (недаром норматив ПУЭ [13] не допускал использовать в Ех-зонах скользкие кабели с изоляцией из полиэтилена, а стандарт [2] допускал ещё и кабели с оболочкой из фторопласта, у которых коэффициент трения по стали меньше 0,2, а у поливинилхлорида и резины не менее 0,5). Диапазон диаметров эластичного кольца, которые надёжно крепят кабель по поясной изоляции, обычно составляет 3...8; 6...12; 7...14; 12...20 мм и выше и обязательно указывается на боковой поверхности эластичного кольца и в руководстве на взрывозащищённое устройство, так что надо посмотреть, закрепится ли ваш кабель в конкретном выбранном вами устройстве. На внешней стороне Ех-кабельного ввода, в зависимости от его марки и конструкции, может закрепляться металлорукав, броня или экран кабеля, а также труба, причём как по её наружной, так и по внутренней резьбе (надо обязательно смотреть при заказе устройства с конкретными кабельными вводами, чтобы потом не перезаказывать).
Некоторые модели Ех кабельных вводов позволяют ещё и электрически подсоединить экран или броню кабеля к корпусу кабельного ввода и далее в корпус устройства (возможно, выполненного из антистатического пластика), тем самым выполнить требования стандартов и проекта по заземлению. Например, для искробезопасных цепей п. 16.2.2.4 стандарта [17] требует электрического подсоединения брони к системе уравнивания потенциалов на каждом конце кабеля.
3. Некоторые отечественные производители кабелей для взрывоопасных зон
- ООО НПП «ИНТЕХ», г. Уфа (Кабели монтажные с общим экраном марки ИнСил-Ознг(А)-FRHF).
- ООО «СпецМонтажКомплект», г. Уфа (Кабели КИМСИЛ, КИМ).
- ООО НПП «Спецкабель», г. Подольск (Кабели СКАБ 250нг(А)-FRHF-ХЛ, КУНРС Пнг(А)-FRHF).
- ООО «НПП «Герда», г. Москва (Кабели КУИН-СП).
Заключение
Стандарты взрывобезопасности требуют, чтобы на взрывоопасном объекте было применено сертифицированное электрооборудование в том числе и с присоединёнными кабелями, имеющее конкретные виды и уровни взрывозащиты, отражённые в его маркировке, а также степень защиты от пыли и воды по коду IP.Действующие стандарты на кабели для взрывоопасных зон и технические регламенты не предусматривают таких требований к кабелю и, соответственно, его сертификацию на взрывобезопасность по техническому регламенту ТР ТС 012/2011, возлагая всю ответственность за выбор кабеля на конструкторов и проектировщиков изделий и объекта, которым остаётся лишь полагаться на опыт эксплуатации подобных объектов и свои твёрдые знания огромного числа требований стандартов на взрывозащиту, часть из которых описана в данном обзоре.
Также надо отметить, что технических характеристик кабелей, приводимых в рекламных материалах их производителей, явно недостаточно для выбора марки нужного кабеля, а получение технических условий на них часто встречает отказ.
Литература
- ГОСТ Р 58342-2012 «Кабели силовые и контрольные для применения в электроустановках во взрывоопасных средах».
- ГОСТ Р 59387-2011 «Кабели монтажные для использования в электроустановках во взрывоопасных зонах, в том числе для подземных выработок. Общие технические условия» (отменен). URL: https://files.stroyinf.ru/Index/75/75476.htm.
- ГОСТ 26411-85 «Кабели контрольные. Общие технические условия».
- ГОСТ 31945-2012 «Кабели и гибкие шнуры для подземных и открытых горных работ».
- ГОСТ 31565-2012 «Кабельные изделия. Требования пожарной безопасности».
- Неплохов И. Огнестойкий кабель FRLS и FRHF: в чём разница? // Системы безопасности. 2012. № 1. URL: https://www.aktivsb.ru/statii/ognestoykiy_kabel_frls_i_frhf_v_chem_raznitsa.html.
- Свод правил СП 5.13130.2009 «Системы противопожарной защиты. Установки пожарной сигнализации и пожаротушения автоматические. Нормы и правила проектирования» (отменен). URL: https://files.stroyinf.ru/Data2/1/4293830/4293830463.pdf.
- Свод правил СП 423.1325800.2018 «Электроустановки низковольтные зданий и сооружений. Правила проектирования во взрывоопасных зонах». URL: https://bolid.ru/files/9055/10493/h_6aa7e55074d426e5158a6a51c3b27076.
- ВСН 332-74 «Инструкция по монтажу электрооборудования, силовых и осветительных сетей во взрывоопасных зонах». URL: https://ohranatruda.ru/upload/iblock/44c/4294853828.pdf.
- ГОСТ 31610.0-2019 (IEC 60079-0:2017) «Взрывоопасные среды». Часть 0 «Оборудование. Общие требования и методология».
- ГОСТ IEC 60079-14-2013 «Взрывоопасные среды». Часть 14 «Проектирование, выбор и монтаж электроустановок».
- ГОСТ IEC 61241-1-2-2011 «Межгосударственный стандарт. Электрооборудование, применяемое в зонах, опасных по воспламенению горючей пыли». Часть 1 «Электрооборудование, защищённое оболочками и ограничением температуры поверхности». Раздел 2 «Выбор, установка и эксплуатация».
- ПУЭ «Правила устройства электроустановок». 7-е издание (не зарегистрировано Минюстом, применяется на добровольной основе). URL: https://www.modul.org/wp-content/uploads/2023/10/pue-pravila-ustrojstva-elektroustanovok.pdf.
- ТР ТС 012/2011 «О безопасности оборудования для работы во взрывоопасных средах».
- Любочкин А. Специфика применения взрывозащищённого оборудования на объектах, опасных по возникновению горючих газовых и пылевых сред // Каталог «Пожарная безопасность». 2018. URL: http://lib.secuteck.ru/articles2/firesec/spetsifika-primeneniya-vzryvozaschischennogo-oborudovaniyana-obektah--opasnyh-po-vozniknoveniyu-goryuchih-gazovyh-i-pylevyh-sred.
- Жданкин В. Взрывоопасные зоны, сравнение видов взрывозащиты // СТА. 2000. № 1. С. 66–73. URL: https://www.cta.ru/cms/f/366652.pdf?ysclid=m3ny4tw6u2679212998.
- ГОСТ 31610.11-2014 (IEC 60079-11:2011) «Взрывоопасные среды». Часть 11 «Оборудование с видом взрывозащиты искробезопасная электрическая цепь “i”».
- ГОСТ Р МЭК 60079-25-2012 «Взрывоопасные среды». Часть 25 «Искробезопасные системы».
- Аушев И.Ю. и др. Моделирование стационарного нагрева одиночного изолированного проводника электрическим током // Вестник Командно-инженерного института МЧС Республики Беларусь. 2012. № 2 (16). URL: https://vestnik.ucp.by/arhiv/pdf/ICE/v16/n2/77.pdf.
- ГОСТ 22483-2012 «Жилы токопроводящие для кабелей, проводов и шнуров».
- ГОСТ 31610.7-2017 (IEC 60079-7:2015) «Взрывоопасные среды». Часть 7 «Оборудование. Повышенная защита вида “е”».
- Костин В. Современная соединительная техника фирмы WAGO // СТА. 2001. № 1. С. 62–64. URL: https://www.cta.ru/cms/f/366701.pdf.
- ГОСТ IEC 60079-1-2013 «Взрывоопасные среды». Часть 1 «Оборудование с видом взрывозащиты “взрывонепроницаемые оболочки «d»”».
- Технический регламент Таможенного союза ТР ТС 004/2011 «О безопасности низковольтного оборудования».
- ГОСТ Р 53325-2012 «Техника пожарная. Технические средства пожарной автоматики. Общие технические требования. Методы испытаний».
- ГОСТ IEC 60079-31-2013 «Взрывоопасные среды». Часть 31 «Оборудование с защитой от воспламенения пыли оболочками “t”».
- Хвостов Д.В., Кочеров А.В. Измерение параметров кабелей для искробезопасной полевой шины (FISCO). Неразрушающий контроль кабелей произвольной длины // Экспозиция нефть и газ. 2016. № 2. С. 57. URL: https://www.runeft.ru/upload/iblock/7e5/7e5ebc597b87c6bc665c8e47f65b4014.pdf.
- ГОСТ Р 54429-2011 «Кабели связи симметричные для цифровых систем передачи. Общие технические условия».
- ГОСТ 31610.32-1-2015 «Электростатика. Опасные проявления. Руководство».
- ГОСТ 30630.1.10–2013 «Методы испытаний на стойкость к механическим внешним воздействующим факторам машин, приборов и других технических изделий. Удары по оболочке изделия».
- ГОСТ 14254-96 «Степени защиты, обеспечиваемые оболочками (код IP)».
- Денисенко В., Халявко А. Защита от помех датчиков и соединительных проводов систем промышленной автоматизации // СТА. 2001. № 1. С. 68–75. URL: https://www.cta.ru/cms/f/366703.pdf?ysclid=m3y016gfgg99255245.
- Судибор В.В. Проблемы экранирования контрольных кабелей // Материалы XIV Междунар. науч.-техн. конф. студентов, аспирантов и молодых учёных, Гомель, 24–25 апр. 2014 г. Гомель: ГГТУ им. П.О. Сухого, 2014. 509 с. 195–198 с. URL: https://masters.donntu.ru/2016/frt/grabovskiy/library/article2.htm?ysclid=m4dmudcyi572525539.
- Лапко И. Настоящий инженер должен уметь отличать кабель от кабеля // СТА. 2008. № 1. С. 76–84. URL: https://www.cta.ru/cms/f/374302.pdf?ysclid=m4dq2e13ph475385072.
- ГОСТ 31610.26 2016/ IEC 60079-26: 2014. «Взрывоопасные среды». Часть 26 «Оборудование с уровнем взрывозащиты оборудования Ga». URL: https://files.stroyinf.ru/Data2/1/4293743/4293743812.pdf.
- ГОСТ 34698-2020 «Извещатели пожарные. Общие технические требования. Методы испытаний».
© СТА-ПРЕСС, 2025
Если вам понравился материал, кликните значок — вы поможете нам узнать, каким статьям и новостям следует отдавать предпочтение. Если вы хотите обсудить материал —не стесняйтесь оставлять свои комментарии : возможно, они будут полезны другим нашим читателям!

