Введение
Применение унифицированных модулей вторичных источников электропитания позволяет обеспечить надёжную работу систем электропитания в условиях внешних воздействий, значительно снизить затраты на их проектирование и сократить сроки изготовления комплексов аппаратуры. При разработке и изготовлении аппаратуры с применением унифицированных модулей питания необходимо учитывать особенности применения модульных источников питания, которые являются высокочастотными многофункциональными преобразователями, выполненными в малогабаритном конструктиве.
Радиационно-стойкие 5-ваттные DC/DC-преобразователи серии ARE100 созданы с целью обеспечения простоты проектирования систем электропитания, улучшения рабочих характеристик, повышения надёжности и компактности.
В данной статье рассматриваются некоторые аспекты применения унифицированных модулей электропитания в режиме перегрузки, короткого замыкания, а также описываются проблемы рассеиваемой тепловой мощности в этих режимах, для того чтобы пользователь понимал, каким образом правильно обеспечить отвод тепла при таких аварийных условиях.
Исходные данные
Модули DC/DC-преобразователей напряжения серии ARE100 предназначены для применения в аппаратуре космических аппаратов для геостационарных орбит и космических научно-исследовательских станций для исследования дальнего космоса, в которых применяется система электроснабжения с постоянным повышенным напряжением 100 В, что обеспечивает уменьшение удельной массы систем электроснабжения. Более подробно о проблемах, связанных с построением систем постоянного повышенного напряжения с применением радиационно-стойких модулей преобразователей напряжения, рассказано в работе [2]. Подробные характеристики 5-ваттных радиационно-стойких модулей DC/DC-преобразователей напряжения серии ARE100 и моделей с другими выходными мощностями, предназначенных для работы в системах электропитания с повышенным напряжением 100 В, представлены в статье [3]. Кстати, представленные здесь модели радиационно-стойких преобразователей напряжения доступны для экспорта в Россию без оформления лицензии на экспорт в государственных ведомствах США, ответственных за регулирование экспорта технологий и продукции военного назначения. Далее будет рассказано о некоторых методах проектирования, которые обеспечили высокую эффективность модулей преобразования напряжения серии ARE100 и низкий уровень пульсаций выходного напряжения.
В аппаратуре космических аппаратов отвод тепла возможен только посредством конвекции. Поэтому весьма важно, чтобы при всех режимах работы, включая перегрузки и короткое замыкание, исполнение подсистем отвода тепла, созданных для эксплуатации в условиях космического полёта, выполнялось в соответствии с установленными и общепринятыми стандартами. Характеристикой эффективности этих решений является значение среднего времени наработки на отказ (Mean Time Between Failure, MTBF), которое уменьшается с повышением температуры корпуса преобразователя. В диапазоне рабочих температур источника питания интенсивность отказов удваивается с увеличением рабочей температуры на каждые 15°C.
Для снижения температуры корпуса при монтаже преобразователей благоразумно использовать теплоотводы из алюминиевых пластин. Это решение является правильным и оправданным, когда необходимо обеспечить надёжную работу (высокое значение MTBF) и особенно, когда при этом прогнозируется режим перегрузки и короткого замыкания при эксплуатации аппаратуры.
Тепловой анализ конструкции
Прежде всего, необходимо изучить документ Thermal Analysis (Тепловое исследование) модулей ARE100XXS-D, где предоставляется весьма полезная информация о следующем:
- рассеиваемая мощность в каждом кристалле силового полупроводникового компонента и резисторе при работе модуля в режиме полной нагрузки (это очень полезно для определения тепловой мощности в кристалле радиационно-стойкого MOSFET и диодах Шоттки), которые являются основными активными компонентами, преобразующими мощность в тепло;
- ожидаемое повышение температуры (перегрев) кристаллов этих компонентов;
- различные слои толстоплёночной гибридной конструкции и их тепловые сопротивления для облегчения расчёта допустимого рассеяния мощности для заданной температуры корпуса;
- план действий при наихудшем случае, когда происходит перегрузка.
Режим перегрузки
Рассеиваемая тепловая мощность при перегрузке определяется как мощность, рассеиваемая в устройстве при нагрузке, установленной таким образом, что выходное напряжение составляет 90% от номинального значения.
При изготовлении модулей преобразователей напряжения точка отключения при перегрузке настраивается лазером на значение примерно 175% номинального тока при полной нагрузке. Тем не менее, вследствие разброса параметров компонентов, принимая во внимание сценарий наихудшего случая, в справочном листке в качестве максимальной перегрузки указывается значение 200%. Из результатов испытаний при контроле подтверждения соответствия (Qualification Conformance Inspection, QCI) по группе C (Group C) следует, что многие изготовленные преобразователи ARE100XXS-D демонстрируют фактические измеренные значения установочных параметров перегрузки ниже 175%.
Согласно реализованной конструкции имеет место следующая последовательность событий внутри преобразователей серии ARE100:
- Когда внешняя нагрузка (схема) пытается получить ток больше, чем составляет номинальное значение при полной нагрузке, выходное напряжение преобразователя снижается до 90%, тогда как выходной ток пропорционально увеличивается, сохраняя, таким образом, выходную мощность постоянной. Но если перегрузка продолжает повышаться, выходное напряжение преобразователя уменьшается. При полном коротком замыкании преобразователь поддерживает только низкое значение напряжения, сохраняя мощность рассеивания внутри корпуса преобразователя около 3 Вт или ниже.
- При устранении короткого замыкания на выходе или перегрузки преобразователь возобновляет нормальную работу. Таким образом, конструкция является надёжной, более того – обеспечивающей высшую степень надёжности при самых жёстких внешних условиях. Чтобы представить полную картину этой защитной функции, реальное измерение выходного напряжения и выходного тока преобразователя ARE10015D показано графически на рисунке 1.
Проектирование теплоотвода
При длительном коротком замыкании или жёсткой перегрузке рассеиваемая внутри корпуса модуля тепловая мощность 3 Вт может вызвать повышение температуры корпуса. Оптимально спроектированный теплоотвод позволяет поддерживать температуру корпуса на безопасном уровне. Для космических применений рекомендуется обеспечивать наивысшее значение среднего времени между отказами (MTBF) во всех возможных рабочих условиях наихудшего случая.
Для спутников и полезных нагрузок при выборе такого теплоотвода также учитываются критерии, ограничивающие размер и вес. Поэтому при разработке теплоотвода должен использоваться наивысший приемлемый перегрев.
Предположим, что внешняя температура в космической окружающей обстановке составляет +35°C, допускаемый перегрев – выше +25°C. Соответственно, теплоотвод поддерживает температуру корпуса +60°C. Идентичная методика может применяться для любого другого допустимого перегрева или любых других приемлемых размеров и веса радиатора. Это утверждение справедливо, поскольку в космосе тепло может передаваться только кондукцией и излучением. Наиболее предпочтительным является кондуктивный отвод тепла от модуля на массивные теплоёмкие конструкционные элементы системы. Способы обеспечения тепловых режимов гибридно-плёночных DC/DC-преобразователей подробно рассмотрены в статьях [4, 5].
В температурном анализе ARE100XXS-D тщательно и весьма подробно рассматриваются рассеиваемая тепловая мощность и возможный перегрев каждого силового полупроводникового кристалла преобразователя, устанавливаются запасы (пределы рабочего режима) между их расчётными рассеиваемыми мощностями и фактическими рассеиваемыми мощностями в конструкции. Этот запас является достаточным для гарантии надёжного функционирования изделия в течение срока его службы.
Внешняя обратная связь
Функция внешней обратной связи содействует поддержанию стабилизации выходного напряжения на нагрузке путём устранения падения напряжения в соединительных проводниках, которые подключают нагрузку к выходу преобразователя. Эта функция доступна только для одноканальных моделей (ARE100XXS). Для использования этой функции необходимо подключить выводы (для подключения провода положительного напряжения нагрузки и для подключения обратного провода) непосредственно к нагрузке – используется так называемая четырёхпроводная схема построения цепи обратной связи. Для соединения можно применять тонкие провода, но рекомендуется, чтобы эти проводники были скручены. В качестве альтернативы можно использовать экранированный кабель, экран которого соединён с корпусом преобразователя, который, в свою очередь, может быть заземлённым (см. рис. 2).

Когда нет необходимости в функции внешней обратной связи, требуется соединить вывод для подключения провода положительного напряжения нагрузки (+Sense) с выводом положительного напряжения, а вывод для подключения обратного провода (–Sense) – к обратному проводу. Каким образом это должно быть осуществлено – показано на рисунке 3.

Фильтрация выходного напряжения
Гарантируемое максимальное значение пульсации выходного напряжения преобразователей серии ARE100 измеряется в полосе частот 20 МГц при полной нагрузке и для одноканальных моделей составляет от 35 до 80 мВ по двойной амплитуде. Тем не менее, когда требуется меньшая пульсация выходного напряжения, необходимо использовать внешние сглаживающие фильтры.
Измерение пульсации выходного напряжения
Для получения достоверных значений пульсации выходного напряжения должны быть измерены согласно установленной процедуре. На рисунке 4 представлена схема для правильного измерения пульсации выходного напряжения при полной нагрузке.

Так как пульсация содержит высокочастотный спектр частот, для того чтобы получить правильные результаты, должна быть применена специальная методика. Для этого измерения ширина полосы пропускания осциллографа с частотой 200 или 500 MГц (или выше) должна быть ограничена до 20 МГц. Делается это для того, чтобы все значимые гармоники выбросов пульсаций были учтены, а внешние высокочастотные помехи подавлены (см. рис. 5).

Измерение действительного напряжения пульсаций должно быть осуществлено тщательно, для того чтобы внести напряжение ошибки в испытательное оборудование. Следовательно, в этом варианте измерений необходимо исключить стандартный заземляющий зажим на осциллографе. Этот щуп, при размещении в зоне излучаемой высокочастотной энергии, действует подобно антенне или индуктивному контуру съёма, создающему постороннее напряжение, которое не является частью выходного шума преобразователя. На рисунке 6 показан правильный способ использования щупа осциллографа для измерения напряжения пульсации выходного напряжения преобразователей ARE100XXS-D.

Простая методика оценки помеховых характеристик модулей преобразования напряжения без применения сложной аппаратуры приводится в работе [6].
Внешний фильтр
Во встроенном на входе моделей серии ARE100 помехоподавляющем фильтре используются многослойные керамические конденсаторы, сертифицированные согласно требованиям MIL-PRF-49470. Входные конденсаторы обеспечивают короткий путь (шунтирование) для тока пульсаций и стабилизируют напряжение шины в переходных режимах. Но при сильно зашумлённой входной мощности рекомендуется использовать внешний помехоподавляющий фильтр AF100461, который уменьшает высокочастотные паразитные помехи, генерируемые DC/DC-преобразователем, в соответствии с требованиями к уровню наведённых и излучаемых помех стандарта MIL-STD-461F: тесты CE03 (широкополосные и узкополосные помехи в диапазоне частот от 15 кГц до 50 МГц, измерение осуществляется щупом для замера тока, единица измерения дБ×мкА) и CE102 (помехи в диапазоне частот от 10 кГц до 10 МГц, единицы измерения дБ×мкВ). Один фильтр AF100461 может подключаться к двум преобразователям серий ARA100 и ARE100.

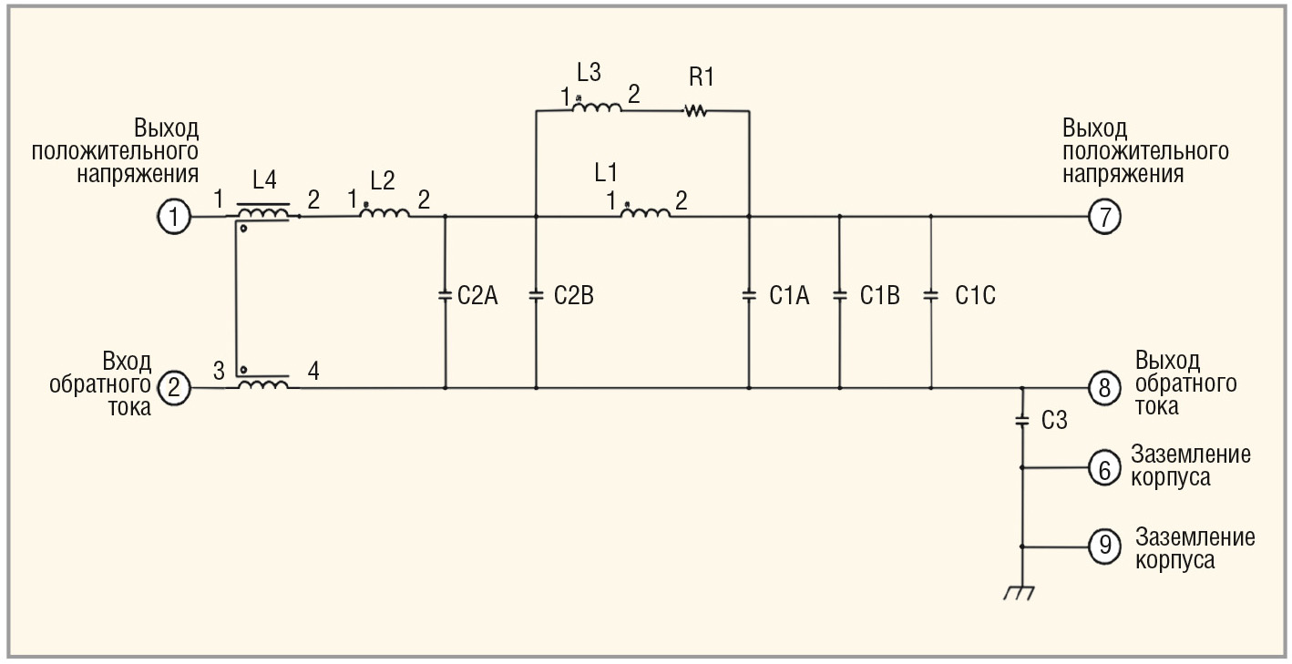
Структурная схема фильтра представлена на рисунке 7. Дополнительный дроссель (L1, L3) повышает порядок фильтра и обеспечивает максимальное ослабление кондуктивных электромагнитных помех, распространяющихся по проводам и проводящим поверхностям. Дополнительное звено фильтра, к тому же, уменьшает выходное сопротивление фильтра по сравнению с однозвенным фильтром. Конденсатор C3 и индуктивность дросселя L1 первого звена фильтра снижают несимметричную составляющую помех. Дроссели L1 и L3 включены параллельно для уменьшения потерь на проводимость в дополнительном дросселе. Двухзвенный фильтр имеет меньшие номиналы индуктивности дросселей и ёмкости конденсаторов, а, следовательно, и меньшие массогабаритные показатели по сравнению с однозвенным фильтром. Затухание фильтра на частоте 500 кГц составляет более 60 дБ.
Причины возникновения помех на входе импульсных гибридно-плёночных преобразователей напряжения и способы измерения кондуктивных помех, вызванных пульсирующим током преобразователей, рассмотрены в работе [7]. Там же представлена методика разработки входных фильтров для подавления помех.
Эффективность фильтра AF100461 представлена на рисунке 8.

Преобразователи напряжения серии ARE100 выполнены по топологии однотактного обратноходового преобразователя, которая отличается простотой схемы, но которой свойственны большие токовые пульсации и пиковые токи. Велики и пульсации напряжения. Поэтому требуется применение выходного сглаживающего фильтра. На выходе преобразователей ARE100 применяется однозвенный сглаживающий фильтр (установлен внутри корпуса преобразователя) с небольшими массогабаритными характеристиками. Кстати, на структурной схеме преобразователя, представленной в справочном листке, этот фильтр не показан. Первый конденсатор выходного фильтра обратноходового преобразователя – это керамический конденсатор, обладающий хорошими массогабаритными показателями. Необходимо также заметить, что на частоте преобразования 350…450 кГц масса керамических конденсаторов меньше массы электролитических конденсаторов. В фильтре обратноходового преобразователя применение электролитических конденсаторов нецелесообразно, так как увеличение частоты преобразования не приводит к уменьшению массы фильтров, и уже на частотах порядка нескольких десятков килогерц применение керамических конденсаторов оправдано [8]. В качестве выходного конденсатора сглаживающего фильтра применяется танталовый конденсатор, который обладает высокой удельной ёмкостью, низким эквивалентным последовательным сопротивлением (ESR) и индуктивностью (ESL), отличается высокой стабильностью характеристик при изменении температуры и напряжения, а также долговременной стабильностью [9].

Компоновку LC-фильтра можно хорошо рассмотреть на фотографии одноканального модуля серии ARE100 (см. рис. 9). Силовой трансформатор расположен в стороне от компонентов преобразователя. Сделано это для исключения влияния электрического поля излучения (магнитная составляющая поля излучения сосредоточена внутри тора) на работу схемы. Первичная обмотка силового трансформатора выполнена в виде параллельной обмотки для сведения к минимуму скин-эффекта. Для «закорачивания» синфазного сигнала на землю применяется электростатический экран. Это тонкий провод жёлтого цвета, проложенный между обмотками. Экран заземлён на общую точку на первичной стороне преобразователя. Экранирование позволяет исключить помехоподавляющий конденсатор типа Y, обычно используемый для подавления синфазных помех (включается между силовым проводником и корпусом источника питания) [10].
В том случае, когда требуется уровень выходной пульсации ниже указанного в справочном листке (от 35 до 80 мВ по двойной амплитуде), может быть использован внешний фильтр. Рекомендуемые схемы таких фильтров для одноканальных и двухканальных моделей приведены на рисунках 10 и 11.


В состав внешних фильтров для преобразователей напряжения серии ARE100 (ARE10012S и ARE10015S) входят конденсаторы: C1 = 33 мкФ, 35 В, танталовый, сертифицирован для применения в космической аппаратуре (для макета рекомендуется применять AVX Type TAJV336M035KNJ); С2 = 0,1 мкФ, 35 В, керамический, группы X7R; C3 = 0,47 мкФ, 35 В, керамический, группы X7R; C4 = 33 мкФ, 35 В, танталовый (для макета рекомендуется использовать AVX Type TAJV336M035KNJ) и резистор R1 = 3,3 Ом (безындуктивный).
В состав внешнего выходного фильтра для ARE10005S входят конденсаторы: C1 = 100 мкФ, 16 В, танталовый, сертифицирован для применения в космической аппаратуре (для макета рекомендуется применять AVX Type TAJC107M016KNJ); С2 = 0,1 мкФ, 35 В, керамический, группы X7R; C3 = 0,47 мкФ, 35 В, керамический, группы X7R; C4 = 100 мкФ, 16 В, танталовый (для макета рекомендуется использовать AVX Type TAJC107M016KNJ) и резистор R1 = 3,3 Ом (безындуктивный).
Внешний фильтр для ARE10012D и ARE10015D состоит из конденсаторов: C1 и C5 = 33 мкФ, 35 В, танталовые, сертифицированы для применения в космической аппаратуре (для макета рекомендуется применять AVX Type TAJV336M035KNJ); С2 и C6 = 0,1 мкФ, 35 В, керамические, группы X7R; C3 и C7 = 0,47 мкФ, 35 В, керамические, группы X7R; C4 и C8 = 33 мкФ, 35 В, танталовые (для макета рекомендуется использовать AVX Type TAJV336M035KNJ) и резисторов R1 и R2 = 3,3 Ом (безындуктивные).
Далее представлен обзор свойств различных типов конденсаторов и критерии их выбора для конкретных применений.
Выходные фильтрующие конденсаторы используются во всех топологиях преобразователей напряжения. При проектировании источников питания весьма важным является выбор выходного конденсатора, параметры которого связаны с требованиями по ограничению пульсаций и шума выходного напряжения. Для дополнительной фильтрации пульсации и шумов выходного напряжения специалисты компании Infineon рекомендуют применять танталовые и керамические конденсаторы определённых типов.
Танталовые конденсаторы имеют хорошие удельные показатели и низкое значение эквивалентного последовательного сопротивления (ESR), отличаются высокой стабильностью характеристик при изменении температуры и напряжения, а также долговременной стабильностью. В моделях конденсаторов, рекомендуемых для применения в опытных образцах, катод выполнен из двуокиси марганца MnO2, который характеризуется хорошей механической прочностью, стабильностью в широких диапазонах температур и влажности. Но у танталовых оксидномагниевых конденсаторов с ростом температуры увеличивается ESR, и при выходе из строя танталовые конденсаторы с катодом MnO2 подвержены воспламенению и горению [9]. Поэтому в бортовой космической аппаратуре рекомендуется применять герметичные танталовые конденсаторы с полимерным проводящим катодом. Величина ESR этих конденсаторов устойчива при повышении температуры (немного увеличивается), а ёмкость незначительно уменьшается. Танталовые конденсаторы серии TCH с полимерным проводящим катодом (производства компании AVX A Kyocera Group Company) можно рекомендовать для применения в космической аппаратуре.
Заметное снижение ёмкости танталовых конденсаторов в области повышенных частот устраняется параллельным подсоединением к ним керамических конденсаторов относительно малой ёмкости, которые имеют существенно меньшее внутреннее сопротивление. Необходимо отметить, что керамические конденсаторы групп X5R и X7R характеризуются ярко выраженной зависимостью ёмкости от приложенного напряжения. При одном и том же типоразмере конденсаторы группы X7R имеют лучшие показатели по сравнению с конденсаторами группы X5R [11]. На печатной плате керамические конденсаторы необходимо размещать как можно ближе к источнику фильтруемого напряжения – в этом случае высокочастотная составляющая тока будет протекать в основном через керамический конденсатор.
Керамические конденсаторы с последовательно включёнными резисторами в схеме фильтров функционируют в качестве нагрузки по переменному току или параллельной демпфирующей цепи.
Оптимальная разводка электромонтажа, экранирование отдельных узлов (применение электростатического экрана между обмотками) позволяют минимизировать несимметричные помехи.
Интересная информация о влиянии разных типов конденсаторов на выходное напряжение DC/DC-преобразователей, особенностях современных танталовых и керамических конденсаторов, а также специализированных танталовых конденсаторов для использования в жёстких условиях эксплуатации представлена в работах [12–14].
В следующей части статьи будут приведены результаты экспериментальных исследований стойкости преобразователей к воздействию радиационных факторов космического пространства.
Литература
- Pathak Abhijit D., Lopez Juan R. Application Note AN-1204. International Rectifier HiRel. An Infineon Technologies Company. 2520 Junction Avenue. San Jose. CA 95134. U.S.A.
- Жданкин В.К. Радиационно-стойкие DC/DC-преобразователи для систем электроснабжения космических аппаратов нового поколения с постоянным повышенным напряжением (100 В). Электропитание. 2014. №1.
- Жданкин В.К. Радиационно-стойкие безлицензионные DC/DC-преобразователи International Rectifier. Компоненты и технологии. 2015. №4.
- Жданкин В.К. Обеспечение оптимальных тепловых режимов гибридно-плёночных DC/DC-преобразователей. Компоненты и технологии. 2016. №7.
- Твердов И.В. Отвод тепла от унифицированных модулей питания в радиоэлектронной аппаратуре. Электропитание. 2010. №1.
- Гончаров А.Ю. Практика применения конверторных модулей класса DC/DC. Электронные компоненты. 1999. №3.
- Жданкин В.К. Подавление электромагнитных помех во входных цепях преобразователей постоянного напряжения. Компоненты и технологии. 2016. №11.
- Сергеев Б.С. Сглаживающие фильтры однотактного преобразователя с обратным включением диода. Электропитание. 2014. №4.
- Фриман Ю., Хан Р., Леснер Ф., Примак Д. Надёжность танталовых конденсаторов в жёстких условиях эксплуатации. Электронные компоненты. 2007. №9.
- Герасимов А.А., Кастров М.Ю. Проектирование трансформаторов для автономных обратноходовых преобразователей. Практическая силовая электроника. 2010. №39.
- Охрименко В. Керамические конденсаторы: а всё ли так просто? Электронные компоненты. 2013. №6.
- Чистяков А. Конденсаторы для источников питания и преобразователей. Электронные компоненты. 2016. №3.
- Фалтус Р. Специализированные конденсаторы для жёстких условий эксплуатации. Электронные компоненты. 2012. №11.
- Хабаров А. Сравнительный тест конденсаторов для импульсных преобразователей. Электронные компоненты. 2015. №3.
Если вам понравился материал, кликните значок — вы поможете нам узнать, каким статьям и новостям следует отдавать предпочтение. Если вы хотите обсудить материал —не стесняйтесь оставлять свои комментарии : возможно, они будут полезны другим нашим читателям!

