В работе [1] была описана принципиальная схема двухканального усилителя, использующая инструментальный усилитель AD8295 для работы двух мощных ОУ LM4780, включённых по стандартной схеме инвертирующего ОУ. Эта схема показала хороший результат работы. Тем не менее, использование двух отдельных ОУ LM3886 вместо одной микросхемы LM4780 (двухканальная версия LM3886) в мостовом включении более предпочтительно, поскольку ОУ в LM4780 работают «друг на друга» и имеют один общий источник питания.
В схеме, показанной на рисунке 6, в отличие от предыдущего варианта [1], изменены номиналы некоторых компонентов, исключены компоненты, существенно не влияющие на качество выходных сигналов, и добавлены новые, улучшающие показатели усилителя. Кроме того, схема разведена более компактно, размер платы составляет всего 20 × 30 мм.

Схемы каналов представляют собой два идентичных классических инвертора с коэффициентом усиления, равным отношению номиналов резисторов обратной связи R2 к номиналам входных резисторов R1, равных, соответственно, 20 и 2 кОм, т.е. Ку = –10. Для компенсации напряжения сдвига от тока смещения сопротивление резистора R3, подключённого к неинвертирующему входу, составляет R2||R1 = 1,8 кОм. Цепочка R4C1 предотвращает самовозбуждение усилителя на ВЧ. Цепочка R5R6C2 служит той же цели и, кроме того, препятствует проникновению ВЧ составляющих сигнала в акустическую систему (АС), т.к. проволочный резистор R5 (0,1 Ом марки KNP500) имеет индуктивность около 1 мкГн. В цепочке R6C2 номинал резистора R6 уменьшен в два раза (до 1,2 Ом), а номинал ёмкости конденсатора увеличен в два раза (до 0,22 мкФ). Таким образом, ёмкостное сопротивление уменьшено в два раза по сравнению со стандартным включением [1]. Эти изменения связаны с тем, что при мостовом включении такая же цепочка R6C2, расположенная на выходе усилителя А–, оказывается включена последовательно с цепочкой усилителя А+, в связи с чем общее активное и реактивное сопротивление двух цепочек оказывается равным 2,4 Ом + 0,11 мкФ, т.е. соответствует рекомендуемым номиналам (2,7 Ом + 0,1 мкФ). Конденсаторы (C3, C6 – керамические; C4, C7– плёночные; C5, C8 – электролитические с низким последовательным сопротивлением) подавляют шум источника питания в звуковом диапазоне частот.
Входные сигналы (InА– и InА+), поступающие с предварительного усилителя, подключаются к двум двухконтактным цанговым штыревым разъёмам XinA+ и XinA– типа PSLM-2. С платы предварительного усилителя (см. рис. 5) эти сигналы поступают по кабелю, показанному в пунктирном прямоугольнике в нижней правой части схемы.
Выходные сигналы канала А (OutА+ и OutА–) выведены на двухконтактный разъём XoutA типа XS16JK-2P, рассчитанный на максимальный ток 20 А.
Кабель питания (±12,5 В и «земля») обоих каналов А и B подключается к БП с помощью четырёхконтактного разъёма XP типа XS20JK-4P, рассчитанного на максимальный ток 25 А на контакт, и представляет собой трёхжильный провод в поливинилхлоридной оплётке с площадью поперечного сечения каждой жилы 2,5 мм2 (например, ПВС 3 × 2,5).
При питании ±12,5 В и сопротивлении нагрузки 4 Ом напряжения отсечения для ОУ LM3886, согласно данным производителя, составляют 2,38 и 2,25 В, соответственно, для положительного и отрицательного напряжений питания. Взяв заведомо большее значение, например, 2,5 В, и вычтя его из напряжения питания, можно заключить, что максимальная амплитуда выходного сигнала не должна превышать 12,5 В – 2,5 В = 10 В. Это означает, что если амплитуда выходного сигнала каждого из ОУ в схеме на рисунке 6 выйдет за пределы 10 В, то верхушки синусоид будут «срезаны» и появятся искажения, воспринимаемые на слух. Однако, как упоминалось в первой части статьи, максимальная амплитуда сигнала в данной схеме не превышает 8 В. Таким образом, в схеме имеется запас по амплитуде, который составляет 10 В – 8 В = 2 В, и искажения по напряжениям отсечения полностью исключены.
Схема для канала B полностью идентична схеме канала А и условно показана в нижней части рисунка 6.
Принципиальная схема пик-детектора
Как уже упоминалось, если амплитуда выходного сигнала при мостовом включении ОУ кратковременно выйдет за разумные пределы (например, 16 В), искажений, воспринимаемых на слух, не возникнет. Однако если эта амплитуда будет превышать предельный уровень достаточно длительное время, радиаторы блока питания и самого усилителя могут сильно разогреться, что приведёт к непредсказуемым последствиям. Для того чтобы просигнализировать о выходе амплитуды за установленные пределы, используют различного рода устройства с индикацией. Так, практически во всех звуковых мониторах есть индикатор, обозначаемый как Limit, который выполняет подобную функцию. Зачастую схемы таких устройств, часто называемых clip-детекторами, пик-детекторами, достаточно сложны. В связи с этим была разработана новая, относительно простая и компактная (26 × 30 мм) схема. Несмотря на свою простоту, предлагаемый пик-детектор способен реагировать даже на самую короткую «иголку».
Обычно для сравнения уровня сигнала с каким-либо значением применяют различного рода компараторы. Однако компараторы, как правило, предназначены для работы в цифровой технике и работают на частотах до десятков мегагерц, в связи с чем имеют очень высокое быстродействие (до 200–300 В/мкс). В звуковом диапазоне применение микросхем компараторов нецелесообразно. Поэтому в качестве компаратора может использоваться обычный ОУ с несколько повышенным быстродействием TL052 (16 В/мкс при питании ±5 В). Популярные ОУ TL072 и TL082 имеют чуть меньшее быстродействие (8 В/мкс и 10 В/мкс), однако это быстродействие указано при питании напряжениями ±15 В. При питании напряжениями ±5 В их быстродействие в спецификациях не отражено. Тем не менее, на взгляд автора, эти микросхемы вполне пригодны для использования в подобном устройстве.

Схема пик-детектора, представленная на рисунке 7, работает следующим образом. Два входных сигнала InA и InB, соответственно для каналов А и B, поступающие с трёхконтактного штыревого разъёма из цанговых штырей X1 типа PSLM-3, подключены к инвертирующим и неинвертирующим входам ОУ DA1 и DA2, реализованным на микросхеме TL052. Инвертирующие входы левых верхних ОУ (второй вывод) DA1 и DA2 подключены к постоянному напряжению +0,85 В, а неинверитрующие входы правых нижних ОУ DA1 и DA2 – к постоянному напряжению –0,85 В. Если, например, напряжение сигнала InA будет больше, чем +0,85 В, то выходное напряжение верхнего ОУ DA1 станет равным +5 В (т.е. будет почти равно положительному напряжению питания). Если напряжение InA будет меньше –0,85 В, то выходное напряжение правого нижнего ОУ DA1 тоже станет равным +5 В. Если же напряжение InA будет находиться в пределах ±0,85 В, то выходные напряжения обоих ОУ будут почти равны –5 В (т.е. напряжению отрицательного источника питания).
Оба выхода ОУ DA1 подключены к анодам диодов VD1 и VD2, катоды которых соединены и одновременно подключены к RC-цепочке R1C4 и к входу верхнего триггера Шмитта DD1. Выход триггера Шмитта подключён к токо-ограничительному резистору R3, второй вывод которого (сигнал LEDA–) через двухконтактный цанговый штыревой разъём X2 типа PSLM-2 и кабель с ответным разъёмом X2L типа SIP-2 подсоединён к катоду светодиода LEDA. Анод этого светодиода подключён к напряжению питания +5 В (сигнал LEDA+).
При включении питания конденсатор C4 разряжен, и напряжение на входе триггера Шмитта станет равным положительному напряжению питания +5 В (логическая 1). Поскольку триггер Шмитта является ещё и инвертором, то на его выходе будет нулевой потенциал (логический 0). В связи с этим светодиод LEDA загорится и будет гореть до тех пор, пока конденсатор C4 не зарядится через резистор R1, т.е. на его нижней обкладке не появится нулевой потенциал. Как только это произойдёт, триггер Шмитта переключится, на его выходе установится логическая 1 (т.е. +5 В), и светодиод погаснет. Время заряда конденсатора определяется постоянной времени R1C4 и составляет несколько десятых долей секунды.
Если сигнал InA выйдет за пределы ±0,85 В, то один из диодов VD1, VD2 (или сразу оба) откроется и напряжение +5 В попадёт на конденсатор C4 (отчего он быстро разрядится) и на вход триггера Шмитта, который переключится. Светодиод LEDA загорится. Если сигнал InA имеет малую длительность («иголка»), то при его пропадании выходное напряжение ОУ станет равным –5 В, отчего соответствующий диод (VD1 или VD2) закроется и конденсатор C4 будет медленно (с постоянной времени R1C4) заряжаться через R1 до потенциала «земли». Таким образом, с помощью описанной схемы даже самая короткая «иголка» заставит светодиод светиться несколько десятых долей секунды, что вполне достаточно для восприятия глазом.
В схеме в качестве источника питания используются два стабилизатора. Первый, 79L05 (DA3), выдаёт на выходе –5 В, второй, 78L05 (DA4), +5 В. Напряжения питания ±12,5 В поступают на схему с трёхконтактного цангового штыревого разъёма X4 типа PSLM-3.
Конденсаторы C1, C2 и C3 подключены к выводам питания +5 В DA1, DA2 и DD1 и служат для их надёжной работы в штатном режиме. Конденсаторы C6–C9 обеспечивают корректную работу стабилизаторов DA3 и DA4.
Для формирования напряжений +0,85 и –0,85 В используются делители напряжения R5R7R9 и R6R8R10 с подстроечными резисторами R7 и R8.
Поясним, откуда взялись напряже-ния ±0,85 В. Согласно схеме предварительного усилителя (см. рис. 5), при максимальном действующем значении входного напряжения VinA, равном ~0,3 В, максимальное действующее значение выходного напряжения Vout+ составит ~0,6 В, а его амплитудное значение – 0,835 В. При усилении этого напряжения в 10 раз амплитудное значение каждого из ОУ будет составлять 8,35 В, а амплитудное значение выходного сигнала всего мостового усилителя будет составлять 16,7 В (т.е. в два раза больше). Поэтому при амплитудном значении входного сигнала 0,85 В амплитудное значение выходного сигнала будет составлять 17 В. Этот порог и был выбран в качестве напряжения, при котором срабатывает схема пик-детектора.
Необходимо отметить, что в ОУ LM3886 установлено внутреннее ограничение максимального тока выходного сигнала в 7 А, при превышении которого выходной сигнал ОУ отключается. Это означает, что если амплитудное значение выходного сигнала превысит 28 В, то при номинальном значении сопротивления нагрузки 4 Ом амплитудное значение тока будет как раз составлять 7 А. Этот факт ещё раз указывает на то, что динамический диапазон мостового усилителя достаточно широк.
Тонкомпенсированный регулятор громкости
В ходе эксплуатации тонкомпенсированного регулятора громкости (ТКРГ) [2], применённого в усилителе , описанном в [1], был выявлен ряд недостатков. Тонкомпенсация осуществлялась преимущественно по низким частотам, а по высоким она была недостаточна, что отражалось на слабой слышимости ударных инструментов при низком уровне громкости. Кроме того, уровень средних частот был достаточно высоким и часто «забивал» низкие и высокие частоты. И, наконец, подобный ТКРГ при малом уровне громкости обеспечивал подъём низких и высоких частот не более 20 дБ, чего явно недостаточно для высококачественного воспроизведения звука.

Если посмотреть на хорошо известные кривые равной громкости (Флетчера-Мэнсона, Робинсона-Дадсона, ГОСТ Р ИСО 226-209), показывающие, какое звуковое давление необходимо создать, чтобы различные частоты воспринимались человеком как одинаково громкие (см. рис. 8), то можно заметить следующее:
- значительно больший диапазон уровня звукового давления (по крайней мере, до 60 дБ при разумных уровнях громкости);
- кривые смещены в область средних частот (их минимум приходится на 3–5 кГц);
- линии имеют специфическую форму, которая существенно отличается от формы кривых, соответствующих АЧХ указанного регулятора громкости.
ТКРГ, в котором АЧХ при регулировке громкости более приближены к кривым равной громкости, был описан в рабо-те [3]. Этот регулятор основан на резонансном контуре, настроенном на частоту 20 Гц. Снижение добротности контура позволило получить кривые резонанса, форма которых близка к кривым равной громкости. Однако из-за того, что частота резонанса Fрез очень мала (20 Гц), для создания подобного резонансного контура потребуется применение ёмкостей и индуктивностей очень больших номиналов, а именно – их произведение должно быть 6,33 × 10–5 Гн.Ф. Учитывая, что , при L = 3,2 Гн, ёмкость C составит 20 мкФ. В связи с этим вместо индуктивности был использован так называемый гиратор, т.е. схема на ОУ, моделирующая индуктивность. Однако сложность схемы, масса дополнительных регулировок, недостаточная коррекция (менее 30 дБ), существенное отклонение АЧХ от кривых равной громкости в области ВЧ, а главное – применение дополнительного ОУ, который неизбежно будет «шуметь», вызывают сомнения в высоком качестве подобного регулятора громкости.

В другой версии ТКРГ [4] резонансный принцип был использован совершенно другим образом: контур настраивался на частоту 20 кГц, т.е. на другой конец звукового диапазона частот. В верхней части рисунка 9 показана схема такого одноканального ТКРГ. Несмотря на свою простоту, схема обеспечивает существенное приближение АЧХ регулятора к кривым равной громкости и заметно больший диапазон уровня звукового давления (до 60 дБ). Результаты тестирования данного ТКРГ оказались очень впечатляющими: высокие частоты отчётливо прослушивались даже при самом малом уровне громкости, а средние частоты не «забивали» низкие и высокие. На низких частотах существенных недостатков выявлено не было, за исключением самого крайнего участка от 20 до 100 Гц. В этом диапазоне частот АЧХ регулятора, согласно данным [4], имеют отклонения от кривых равной громкости, т.е. они ниже на 4 дБ на частоте 100 Гц, на 10 дБ – на частоте 50 Гц и на 28 дБ – на частоте 20 Гц. На слух этот недостаток воспринимается лишь при определённом положении регулятора громкости.
В данной схеме можно заметить некоторое противоречие, связанное с номиналами L1 и C3 резонансного контура. Если подставить значения номиналов L1 = 8,2 мГн и C3 = 0,01 мкФ в формулу , то получим Fрез ≈ 17,6 кГц, а не 20 кГц. Это означает, что резонансный пик приходится на более низкую частоту, и АЧХ такого ТКРГ будет отличаться от приведённой в [4]. Для получения значения 20 кГц при L1 = 8,2 мГн ёмкость конденсатора C3 должна составлять 7,72 нФ. Ближайший номинал к 7,72 нФ – 7,5 нФ, тогда при L1 = 8,2 мГн частота резонанса будет равна 20,2 кГц, что намного ближе к 20 кГц. С другой стороны, если C3 = 10 нФ, то при Fрез = 20 кГц индуктивность L1 должна быть равной 6,33 мГн. В стандартном ряду номиналов такая индуктивность отсутствует, однако её легко изготовить на миниатюрных ферритовых кольцах. Для подобных целей хорошо подходят кольца Epcos R6.30x3.80x2.50 (размером 6,3 × 3,8 × 2,5 мм) из материала N87 с магнитной проницаемостью µ = 2200 (B64290P0037X087) и коэффициентом одновитковой индуктивности AL = 0,56 мкГн/вит2. Индуктивность такого кольца легко подсчитать: L = AL × W2, где W – количество витков. Если, например, W = 100, то L = 5,6 мГн. Существуют и более миниатюрные кольца, например, Ferroxcube R5x3x2 DMR40 (размером 5 × 3 × 2 мм) из материала с магнитной проницаемостью µ = 2200, AL = 0,37 мкГн/вит2. Оба кольца имеют скруглённые кромки и диэлектрическое покрытие.
Измерения с помощью RLC-метра показали, что для получения индуктивности около 8 мГн на кольцо R6.30x3.80x2.50 N87 требуется намотать 114–115 витков проводом ПЭЛ-0,12 или ПЭПШО-0,08. Для получения индуктивности 6,3 мГн на это же кольцо необходимо намотать приблизительно 105 витков, а на кольцо R5x3x2 DMR40 – приблизительно 120 витков такого же провода. После намотки необходимо измерить полученную индуктивность RLC-метром и, если требуется, скорректировать количество витков. Более подробно о технологии намотки подобных миниатюрных колец написано в статье [5].
Кроме того, в продаже можно найти готовую катушку индуктивности 8,2 мГн в корпусе для поверхностного монтажа (CM565050 822J).
Таким образом, для получения Fрез = = 20 кГц можно использовать значения L1 = 8,2 мГн и C3 = 7,5 нФ или C3 = 10 нФ и L1 = 6,3 мГн.
Для повышения качества работы регулятора на низких частотах в схему был включён контур L2C4, показанный в упрощённом виде на рисунке 9 (обведён пунктиром). С помощью этого контура можно, не трогая СЧ- и ВЧ-диапазоны, поднять уровень низких частот. Однако здесь возникает проблема, связанная с большой индуктивностью L2, составляющей 3,2 Гн. Для получения такой индуктивности было использовано кольцо из материала CF199 с магнитной проницаемостью µ = 10 000 размером 20 × 10 × 10 мм, AL = 12,4 мкГн/вит2 (Ferroxcube Т2010CF199), на которое было намотано 530 витков провода ПЭПШО 0,08. Сопротивление обмотки составило 44 Ом. Подобное решение выгодно отличается от аналогичного регулятора, предложенного в [6].
На форму АЧХ ТКРГ влияет большое количество факторов, которые сложно или невозможно учесть при помощи расчётов или моделирования. Значение номиналов резисторов R4 = R5 = 10 кОм (см. рис. 9) было получено опытным путём, посредством измерения реальной АЧХ ТКРГ при включённой и отключённой цепочке L2C4 и замены R4, R5 одним подстроечным резистором.

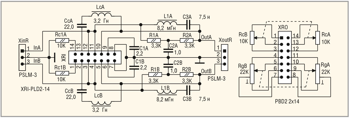
На рисунке 10 приведена принципиальная схема двухканального ТКРГ. В схеме используются кольца Т2010CF199 (LcA, LcB) и катушки индуктивности 8,2 мГн для поверхностного монтажа CM565050 822J (L1A, L1B). Входные сигналы InA и InB подаются на входной трёхконтактный цанговый штыревой разъём XinR типа PLSM-3. Выходные сигналы OutA и OutB выведены на такой же разъём XoutR. В схеме применён 14-контактный разъём XRI типа PLD2-14 (двухрядные штыри с шагом 2 мм), к которому подключается ответный разъём XRO типа PBD2 2x14 с подключёнными к нему сдвоенными переменными резисторами RcA–RcB (НЧ-коррекция) и RgA–RgB (регулировка громкости). Подключение выполнено двумя 6-проводными кабелями в экранирующей оплётке, которая заземлена.
В качестве переменного резистора RgA–RgB использован сдвоенный потенциометр СП3-33-25 с функциональной характеристикой «В» (показательной или обратнологарифмической). Для корректировки НЧ используется сдвоенный переменный резистор с линейной характеристикой номиналом 10 кОм (RcA–RcB). Дополнительные резисторы Rc1A и Rc1B имеют сопротивление 10 кОм.
Литература
- Кузьминов А. Применение инструментального усилителя в усилителе низкой частоты. Современная электроника. 2016. №6.
- Шихатов А. Тонкомпенсированные регуляторы громкости. Радио. 2000. №10.
- Пахомов A. Тонкомпенсированный регулятор громкости с активной бас-коррекцией. Радио. 2003. №6.
- Демченко Б. Тонкомпенсированный регулятор громкости с переменным резистором без отводов. Радио. 2015. №12.
- Кузьминов А. Сверхминиатюрные изолированные DC/DC-преобразователи со стабилизированным выходом и ультранизким уровнем пульсаций. Современная электроника. 2012. №8.
- Стародуб Д. Блок регуляторов тембра высококачественного усилителя НЧ. Радио. 1974. №5.
- Кузьминов А. Использование мощных полевых транзисторов и операционных усилителей в регуляторах и стабилизаторах напряжения. Современная электроника. 2012. №7.
- Кузьминов А. Импульсный ИП со стабилизированным выходом и низким уровнем пульсаций. Часть 3. Современная электроника. 2015. №5.
- Кузьминов А. Активный фильтр на мощном полевом транзисторе и ОУ с защитой от превышения тока. Современная электроника. 2016. №3.
- 10. Елютин А., Ефремов Н. Let’sTest! Авто-звук. 2002. №7.
- 11. Титце У., Шенк К. Полупроводниковая схемотехника. Мир. 1982.
Если вам понравился материал, кликните значок — вы поможете нам узнать, каким статьям и новостям следует отдавать предпочтение. Если вы хотите обсудить материал —не стесняйтесь оставлять свои комментарии : возможно, они будут полезны другим нашим читателям!

