Владельцы большинства моделей малогабаритных цифровых мультиметров в качестве штатного источника питания обычно используют гальваническую батарею типоразмера 6F22 с номинальным выходным напряжением 9 В, более известную у нас в просторечии под названием «Крона».
Сейчас далеко не каждый знает, что это название произошло от бренда солевой батареи, выпускавшейся предприятием «Крона» во времена СССР с надписью «Крона» на корпусе батарей. От них питалось большинство отечественных малогабаритных (карманных) приёмников тех лет. Приёмники остались в прошлом, а название батареи продолжает жить.
Для её замены на аналогичные NiCd или NiMH (далее никелевые) аккумуляторные батареи (АКБ) было опубликовано немало статей о зарядных устройствах (ЗУ), различных по своим алгоритмам заряда и сложностям схемных решений. В настоящее время, с появлением в широкой продаже LiIon АКБ типоразмера 6F22 с номинальным напряжением 7,4 В, ёмкостью 500–650 мA·ч (и более), становится целесообразным их приобретение и установка взамен никелевых благодаря низкому саморазряду, большому количеству циклов заряд/разряд, малому внутреннему сопротивлению и отсутствию эффекта памяти [1]. Конечно, при этом сразу возникает потребность в подходящем ЗУ с особым алгоритмом работы, состоящем из двух этапов: сначала – CC (англ. Constant Current – постоянный ток), затем – CV (Constant Voltage – постоянное напряжение) [1].
Схема ЗУ приведена на рис. 1.

Основные технические параметры:
- напряжение питания, 12 В;
- зарядный ток на этапе СС, 250 мА;
- выходное напряжение на этапе CV, 8,4 В;
- конечный зарядный ток, 30 мА.
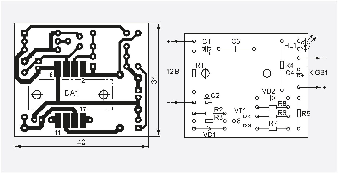
ЗУ собрано на микросхеме DA1 К142ЕН3А. Микросхемы серии К142ЕН3, К142ЕН4 [2] способны поддерживать заданное выходное напряжение в ЗУ литиевых аккумуляторов на этапе CV с достаточно стабильным уровнем. Резистивный делитель R6R7R8, задающий выходное напряжение на этапе CV, подключён к выходу микросхемы через диод VD2. Диод отключает АКБ GB1 по окончании заряда от выхода микросхемы. Наличие встроенных узлов защиты в микросхеме для ограничения максимального тока нагрузки обеспечивает постоянство зарядного тока на этапе СС. Резистор R4, задающий зарядный ток на этапе СС, включён по типовой схеме [2]. Предусмотрено автоматическое отключение АКБ GB1 от ЗУ по достижении конечного зарядного тока. Для автоматического отключения применён узел на транзисторе VT1. По достижении конечного зарядного тока, заданного резистором R2, транзистор закрывается, и на вход выключения микросхемы DA1 (вывод 6) через резистор R1 поступает напряжение более 0,9 В. Заряд АКБ прекращается. Диод VD1 ограничивает падение напряжения на резисторе R2 до уровня не более 0,8 В.
Печатная плата и расположение элементов ЗУ приведены на рис. 2.

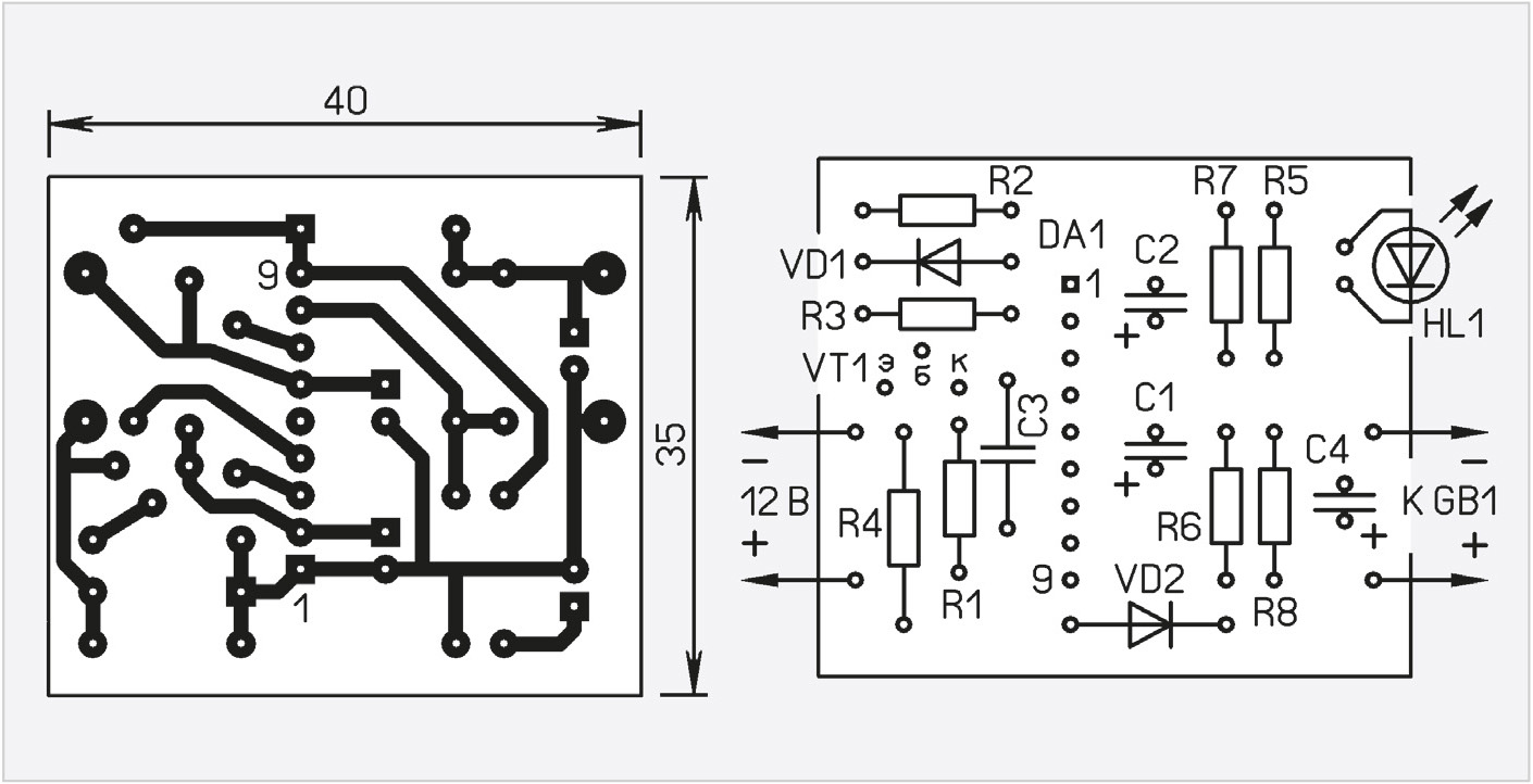
Микросхема DA1 К142ЕН3А заменима на К142ЕН3Б, К142ЕН4А, К142ЕН4Б, 142ЕН3, 142ЕН4 или на КР142ЕН3 в пластмассовом корпусе 1102.95 (SIP9). Последняя имеет другое расположение выводов. Нумерация её выводов указана на рис. 1 в скобках, а печатная плата и расположение элементов приведены на рис. 3.

Следует отметить, что при заряженной АКБ, когда транзистор VT1 закрывается и формирует сигнал выключения на выводе 6 микросхемы DA1, светодиод HL1 L53MGD или его аналог гаснет не до конца, продолжая светить с малой яркостью. Это связано с тем, что остаточное напряжение на верхнем выводе резистора R5 превышает 2 В. Для сверхъярких светодиодов малой мощности требуется большее прямое напряжение для свечения, поэтому они будут гаснуть полностью. При их установке яркость свечения в рабочем режиме ЗУ устанавливают подбором номинала резистора R5.


Фото собранного устройства показано на рис. 4 и рис. 5. Теплоотвод снят со старой компьютерной видеокарты. Он закреплён на крепёжных пластинах микросхемы DA1 двумя винтами М3 через сквозные отверстия. Для исключения деформации корпуса микросхемы под пластинами со стороны печатной платы установлены две шайбы, а со стороны теплоотвода – два вкладыша из алюминия размером 9×9 мм и толщиной 3–4 мм с отверстиями диаметром 3 мм. Для лучшего теплового контакта на вкладыши снизу и сверху нанесён тонкий слой теплопроводящей пасты.
После сборки перед эксплуатацией необходимо установить значение выходного напряжения ЗУ для этапа CV. Установку проводят без подключения АКБ. Сначала отрезком монтажного провода замыкают выводы конденсатора С2. Затем подают напряжение питания 12 В и подбором резистора R8 устанавливают выходное напряжение, равное 8,4±0,1 В. Возможно, понадобится небольшая корректировка номинала резистора R6 или R7 изза разброса опорного напряжения микросхем, достигающего ±10% [2]. По завершении установки отрезок провода удаляют.
ЗУ готово к работе.
Конечный зарядный ток (Iк) можно изменить. Сначала рассчитывают по закону Ома сопротивление нагрузки, подключаемой вместо АКБ:
R = Uвых/Iк.
Для конечного тока 30 мА оно равно 280 Ом. Подключают нагрузку сопротивлением, полученным при расчёте, к выходу ЗУ. Вместо резистора R2 устанавливают подстроечный сопротивлением 30…50 Ом. Подают питание и движком подстроечного резистора, плавно уменьшая его сопротивление, добиваются гашения или резкого падения яркости свечения светодиода HL1. Далее удаляют подстроечный резистор, измеряют его сопротивление и устанавливают постоянный резистор из имеющихся в распоряжении с сопротивлением, более близким к измеренному. C погрешностью 5…10% резистор можно определить из формулы
R2 = 0,6/(Iк + 0,01) .
Ток Iк подставляют в амперах, добавочное число 0,01 учитывает ток потребления микросхемой (в амперах).
Зарядный ток на этапе СС изменяют подбором сопротивления резистора R4, подключив к ЗУ разряженную АКБ, или из формулы
R4 = 1,25/Iз – 0,5 – 0,023(Uвх – Uвых)/Iз, где Iз – зарядный ток в амперах.
Литература
- Хрусталёв Д.А. Аккумуляторы. М.: Изумруд, 2003. 224 c.
- Игнатьев Ю. Микросхемы К142ЕН3 и К142ЕН4. Справочный листок // Радио. 1986. № 4. C. 61; № 5. С. 59, 60; № 6. С. 61.
Если вам понравился материал, кликните значок — вы поможете нам узнать, каким статьям и новостям следует отдавать предпочтение. Если вы хотите обсудить материал —не стесняйтесь оставлять свои комментарии : возможно, они будут полезны другим нашим читателям!

