Установка выполнена на базе программируемого реле ОВЕН ПР205-24.1211.02.2.0 (далее – программируемое реле или ПР205). ПР205 предназначено для построения простых автоматизированных систем управления технологическим оборудованием и программируется в среде Owen Logic на языке FBD. Пользовательская программа записывается в энергонезависимую флеш-память прибора.
Прибор поддерживает следующие функции:
- работа по программе, записанной в память;
- отображение данных и мнемосхем на графическом цветном экране;
- ввод и редактирование данных с помощью кнопок на лицевой панели;
- работа в сети RS-485 по протоколам Modbus RTU / Modbus ASCII в режиме Master или Slave;
- работа в сети Ethernet по протоколу Modbus TCP в режиме Slave;
- работа с удалённым сервисом Owen Cloud (тариф БАЗОВЫЙ – бесплатный) без дополнительного шлюза;
- обработка входных сигналов от датчиков;
- управление подключёнными устройствами с помощью дискретных или аналоговых сигналов.
Современная магнитотерапия – безболезненный и безопасный для пациентов способ лечения. В настоящее время накоплен значительный опыт научных исследований в области воздействия слабых магнитных полей на биологические структуры и организм человека, а также опыт лечебной практики при эксплуатации магнитотерапевтических установок в медицинских учреждениях. Приведём описание и работу магнитотерапевтической установки УМТИ-3Ф «Колибри» (далее – установка) производства завода «Авангард», г. Саров Нижегородской обл. УМТИ-3Ф – одна из наиболее массовых отечественных магнитотерапевтических установок. Её отличает мобильность, малые габариты и простота в применении. В табл. 1 приведены основные технические характеристики данной установки.

Внешний вид установки УМТИ-3Ф представлен на рис. 1.
Структурная схема установки, которая даёт общее представление об изделии, приведена на рис. 2.

Установка предназначена для лечения различных заболеваний путём воздействия на пациента охватывающими его перемещающимися в пространстве магнитными полями, порядка (1–3,5) мТл на всё тело человека или большую его часть, за счёт размещения пациента внутри индуктора большого диаметра. Такое воздействие позволяет одновременно влиять на основные системы организма, на различные виды обмена и окислительно-восстановительные процессы.
Установка состоит из двух составных частей (рис. 2): блок управления А1 и индуктор А2. Индуктор представляет собой комбинацию из трёх колец-соленоидов (L1, L2, L3) и крепёжных приспособлений, которые дают возможность компоновать соленоиды в цилиндр или призму и получать соответственно бегущее или вращающееся магнитные поля. Диаметр одного кольца-соленоида – 800 мм. На рис. 1 соленоиды индуктора скомпонованы в цилиндр.
Блок управления включает в себя плату контроллера АВ1 (далее ПК) и силовой модуль АВ2 (далее СМ). В состав СМ входят: модуль заряда AU1; конденсаторы С1–С3; диоды VD1–VD3; оптотиристоры VS1–VS3. В состав ПК входят следующие функциональные узлы: датчик сетевого напряжения (датчик перехода сетевого напряжения через нуль); источник питания; элементы интерфейса (кнопки, семисегментные индикаторы), а также микроконтроллер.
ПК гальванически развязана от СМ. Принцип действия установки заключается в следующем. ПК вместе с СМ осуществляют регулируемый заряд трёх накопительных конденсаторов С1–С3, затем ПК выдаёт три задержанных относительно друг друга импульса, управляющих соответственно оптотиристорами VS1–VS3. Через данные оптотиристоры осуществляется разряд вышеуказанных накопительных конденсаторов на три соленоида L1, L2, L3 индуктора А2. Разряд в каждом контуре носит характер свободно затухающих синусоидальных токов в LC-контуре, фазы которых смещены на 120 электрических градусов. Интерфейс управления установки УМТИ-3Ф приведён на рис. 3.

Элементы управления интерфейса имеют следующее назначение:
- S1 (▲) – кнопка увеличения задаваемых значений магнитной индукции и времени процедуры;
- S2 (▼) – кнопка уменьшения задаваемых значений магнитной индукции и времени процедуры;
- S3 (Р) – кнопка выбора задаваемого параметра: индукции или времени процедуры;
- S4 (С) – кнопка (Старт/стоп). Кнопка запуска или останова процедуры. Изменение заданных параметров при выполнении процедуры невозможно. Для этого необходимо данной кнопкой остановить процедуру и изменить необходимый параметр;
- HG1 – сдвоенный семисегментный индикатор, отображающий значение заданной индукции;
- HG2 – сдвоенный семисегментный индикатор, отображающий значение времени до окончания процедуры;
- HL1 – индикатор выбора режима задания индукции;
- HL2 – индикатор выбора режима задания времени процедуры;
- HL3 – индикатор работы установки в рабочем цикле;
- HL4–HL6 – индикатор работы соленоидов № 1–3 в индукторе.
Временны́е диаграммы, поясняющие алгоритм работы установки, приведены на рис 4.

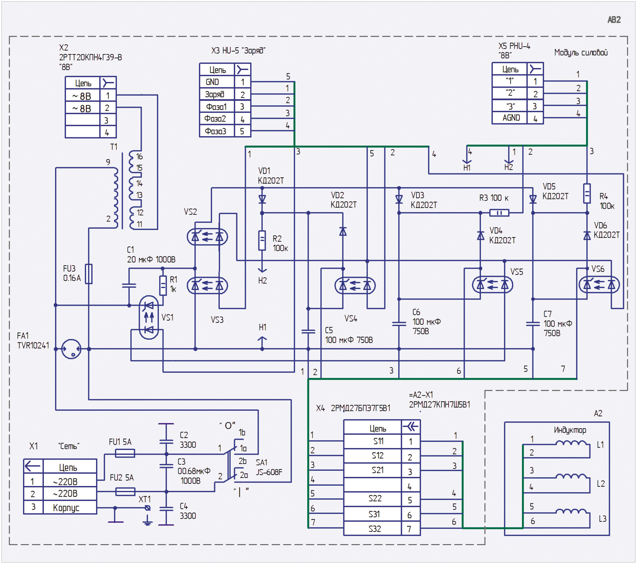
Принципиальная схема СМ устройства представлена на рис. 5.

Позиционные обозначения элементов принципиальной схемы СМ отличаются от позиционных обозначений в структурной схеме установки. Алгоритм работы установки в рабочем цикле следующий. После подачи питания необходимо с клавиатуры интерфейса блока управления задать необходимые параметры работы канала – индукцию и время процедуры. Данные параметры постоянно индицируются на дисплее ПК (индикаторы HG1, HG2). Установка переходит в рабочий цикл сразу после нажатия на кнопку «Старт/стоп» (S4), при этом включится световая полоса HL3. Микроконтроллер ПК начинает опрашивать датчик сетевого напряжения. И по сигналу с данного датчика микроконтроллер ПК включает оптотиристоры VS2, VS3. Начинается заряд накопительных конденсаторов C5–C7. Заряд данных конденсаторов может продолжаться от 50 до 400 мс (рис. 4а), в зависимости от того, какая величина магнитной индукции установлена на дисплее блока управления. Через вышеуказанное время микроконтроллер выключает оптотиристоры VS2, VS3. Через 900 мс (рис. 4б) с момента начала заряда C5–C7 микроконтроллер включает оптотиристор VS4 первого разрядного контура. Начинается колебательный процесс разряда С5 через соленоид L1 индуктора. Разряд носит характер свободно затухающих синусоидальных токов. Через 3,3 мс (рис. 4в) с момента включения оптотиристора VS4 микроконтроллер включает оптотиристор VS5, а ещё через 3,3 мс (рис. 4г) – оптотиристор VS6 (оптотиристоры второго и третьего разрядных контуров). Конденсаторы С6 и С7 разряжаются через соленоиды L2 и L3 индуктора А2. Оптотиристоры VS4–VS6 открываются на 100 мс. За это время колебательные процессы в контурах заканчиваются. Рабочий цикл завершён. Следующий рабочий цикл начнётся сразу в момент прохождения сетевого напряжения через нуль, то есть после поступления сигнала на микроконтроллер с датчика сетевого напряжения. Такие циклы заряда и разряда накопительных конденсаторов С5–С7 продолжаются снова и снова, пока не заканчивается время процедуры.
Ёмкость конденсаторов C5–C7, диаметр колец, сопротивление и индуктивность соленоидов L1, L2, L3 рассчитаны таким образом, что при изменении величины напряжения заряда на накопительных конденсаторах от 70 В до 500 В индукция в центре соленоида может задаваться от 0,5 мТл до 4 мТл. Световые полосы HL4–HL6 служат для визуального контроля процессов заряда и разряда накопительных конденсаторов. Для уменьшения уровня помех каждый рабочий цикл начинается в момент перехода сетевого напряжения через нуль.
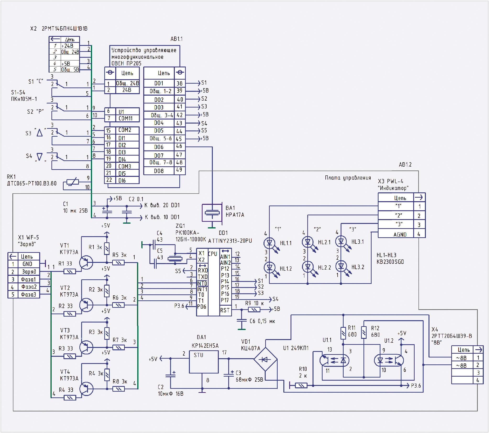
Фактически задача стоит так: необходимо разработать модуль управления на базе ПР205 как составную часть блока управления магнитотерапевтической установки УМТИ-3Ф без изменения СМ и алгоритма работы. Принципиальная схема модуля управления установки на базе ПР205 представлена на рис. 6.

На принципиальной схеме приведены только задействованные контакты ПР205. Общий интерфейс устройства будет следующим: интерфейс ПР205, выносные кнопки клавиатуры устройства S1–S4 и интерфейс платы управления (далее ПУ).
Интерфейс ПР205 включает в себя экран, кнопки ПР205, индикатор F1. Интерфейс ПУ включает в себя световые полосы HL1–HL3.
Параметры установки можно задать как с кнопок ПР205, так и с выносных кнопок S1–S4.
Выносные кнопки S1–S4 позволяют оперативно изменить задаваемые параметры. Их функциональное назначение такое же, как и у кнопок интерфейса УМТИ-3Ф, представленного на рис. 3. На рис. 7 приведён скриншот управляющей программы для ПР205 в среде OWEN Logic.

Модуль управления состоит из двух основных составных частей: реле ПР205 А1 с выносными кнопками S1–S4 и платы управления А2.
Реле ПР205 выполняет в устройстве следующие функции:
- задание времени процедуры;
- задание параметра магнитной индукции;
- отображение на дисплее ПР205 задаваемых параметров;
- отображение текущей температуры в помещении.
ПУ выполняет следующие функции в устройстве:
- управление силовой частью;
- визуальный контроль процессов заряда и разряда накопительных конденсаторов.
Реализовать только на ПР205 алгоритм работы магнитотерапевтической установки не представляется возможным. Временно́й сдвиг между импульсами, которые включают ключи в LC-контурах, должен быть порядка 3,3 мс (рис. 4). У модификации ПР205-24.12.11.06.2.0 (два выхода типа «транзистор n-p-n») минимальный импульс в режиме ШИМ – 50 мс. А минимальное время цикла выполняемой программы зависит от её сложности. Поэтому в устройстве для формирования сигналов, представленных на рис. 4, задействован микроконтроллер DD1 ATTINY2313-20PU.
В табл. 2 приведено функциональное назначение дискретных и аналоговых входов реле ПР205.

В табл. 3 приведено функциональное назначение дискретных выходов реле ПР205.

В модуле управления на базе ПР205 добавлена новая функция – измерение температуры в помещении (в магнитотерапевтическом кабинете). Рассмотрим работу принципиальной схемы модуля управления, представленной на рис. 6. Его составные части: реле ПР205 АВ1.1 и ПУ АВ1.2. К ПР205 подключаются выносные кнопки S1–S4, пьезоэлектрический излучатель ВА1, термопреобразователь сопротивления RK1.
По факту, ПУ представляет собой «усечённый» вариант ПК. С ПК убраны все функциональные узлы, функции которых выполняет ПР205. Рассмотрим основные функциональные узлы принципиальной схемы ПУ. Она выполнена на микроконтроллере DD1, тактовая частота задаётся резонатором ZQ1 на 10 МГц. Микроконтроллер DD1 управляет оптотиристорами силового модуля через транзисторы VT1–VT4. На ПУ расположены источник питания (стабилизатор напряжения) +5 В, выполненный на микросхеме DA1, и датчик сети, выполненный на сдвоенном оптроне U1. Он отслеживает моменты перехода сетевого напряжения через нуль. Выходное напряжение датчика с резистора R10 поступает на вывод 11 микроконтроллера DD1. Световые полосы HL1–HL3 служат для визуального контроля процессов заряда и разряда накопительных конденсаторов С5–С7 СМ. Соединители ПУ подключаются к соединителям СМ согласно маркировке.
В скриншоте управляющей программы, представленной на рис. 7, можно выделить пять функциональных блоков:
- блок обработки сигналов с клавиатуры, включает в себя: D-триггеры DTRIG1, DTRIG2; детекторы переднего фронта RTRIG1–RTRIG4, а также логические элементы НЕ, 2И;
- блок измерения температуры в помещении, включает в себя: макрос Pt100;
- блок задания индукции, включает в себя: универсальный счётчик CTN1, модуль операции сравнения на равенство EQ, модуль сравнения на большее значение GT, элемент умножения чисел с плавающей точкой FMUL, модули чтения бита EXTRACT, а также логические элементы 2И. Диапазон задания от 0 до 4,0 мТл с дискретностью 0,5 мТл. Данный параметр отображается на экране ПР205 и в двоичном коде передаётся на микроконтроллер DD1;
- блок задания времени процедуры, включает в себя: генераторы импульсов BLINK1, BLINK2, инкрементный счётчик с автосбросом CT1, универсальный счётчик CTN2, модули сравнения на большее значение GT, а также логические элементы 2И, НЕ;
- блок включения световой и звуковой сигнализации на заданный интервал после окончания процедуры, включает в себя: детектор заднего фронта FTRIG1, RS-триггер RS1, таймер с задержкой включения TON1, генератор импульсов BLINK3, а также элемент 2И.
На рис. 8 приведён скриншот менеджера экранов в среде OWEN Logic в режиме симуляции.

Эта экранная форма будет отображаться на экране ПР205. В данном случае заданы следующие параметры: магнитная индукция 3,5 мТл, текущее, отображаемое время процедуры – 20 мин. Во время рабочего цикла индикатор «Работа» на дисплее ПР205 мигает с частотой 1 Гц. По окончании заданного времени процедуры на 10 с включается звуковая сигнализация – ВА1 на ПУ и световая сигнализация (сообщение «Процедура завершена» мигает также с частотой 1 Гц). Для того чтобы начать новую процедуру с теми же параметрами, необходимо просто нажать на кнопку S4 (Старт/стоп).
Заключение
ПР205 – готовое решение для типовых задач в локальной автоматизации. ПР205 при применении в магнитотерапевтической установке может выполнять следующие основные функции:
- задание и отображение на дисплее основных параметров (индукции и времени процедуры);
- управление силовой частью установки.
Интерфейс установки в целом становится более современным, удобным, информативным. Стоимость ПР205 составляет порядка 3% от стоимости магнитотерапевтической установки типа УМТИ-3Ф «Колибри». Фактически ПР205 может быть законченным модулем управления для магнитотерапевтической установки данного типа. Кроме того, наличие в приборе сетевых интерфейсов (RS-485, Ethernet) позволяет встроить его в локальную сеть магнитотерапевтического кабинета или в сеть лечебной организации. В актив ПР205 можно также записать работу с удалённым сервисом Owen Cloud.
При применении ПР205 в установке не требуется никаких настроек и регулировок. Если монтаж выполнен правильно, то устройство начинает работать сразу после подачи на него напряжения питания. Подключать индуктор к блоку управления можно только при выключенном сетевом выключателе. В установке имеется опасное для жизни напряжение до 1000 В, поэтому во время проверки при снятой верхней крышке необходимо соблюдать меры безопасности. Величину магнитной индукции поля можно контролировать миллитесламетром универсальным ТП2-2У.
Литература
- Масалов Ю.А., Свириденко С.А., Свириденко А.С. Патент РФ № 2088278.
- Руководство по эксплуатации. Устройство управляющее многофункциональное ПР205.
© СТА-ПРЕСС, 2025
Если вам понравился материал, кликните значок — вы поможете нам узнать, каким статьям и новостям следует отдавать предпочтение. Если вы хотите обсудить материал —не стесняйтесь оставлять свои комментарии : возможно, они будут полезны другим нашим читателям!

