Принцип работы
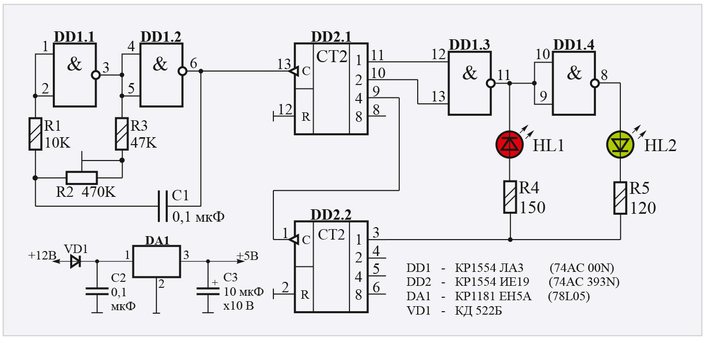
Первый вариант сигнализатора (рис. 1) формирует по две вспышки каждого светодиода со скважностью, равной четырём.

Это означает, что время свечения светодиода составляет 25% периода вспышки, что субъективно соответствует наиболее чёткому вспыхиванию светодиодов. Рассмотрим работу устройства, считая, что в начальный момент времени счётчики DD2.1 и DD2.2 находятся в «нулевом» состоянии. На элементах DD1.1 и DD1.2 выполнен генератор прямоугольных импульсов с частотой следования около 10 Гц. Счётчик DD2.1 срабатывает по отрицательным перепадам счетных импульсов и при достижении «третьего» состояния формирует на выходах «1» и «2» (выводы 11 и 10 соответственно) уровни логических единиц, которые, поступая на входы элемента DD1.3, вызывают появление на его выходе уровня логического «нуля». Этот логический уровень поступает на вход элемента DD1.4 и, инвертируясь последним, вызывает зажигание светодиода HL2. Происходит это благодаря тому, что счётчик DD2.2, как отмечено выше, находится в исходном «нулевом» состоянии, а на выходе элемента DD1.4 формируется уровень логической «единицы» (см. временнýю диаграмму в дополнительных материалах на рис. 2).

Переход счётчика DD2.1 в «четвёртое» состояние приводит к погасанию светодиода HL2, а переход в «седьмое» – к его повторному зажиганию. Далее отрицательным перепадом очередного счётного импульса счётчик DD2.1 переводится в «восьмое» состояние, и отрицательный перепад с выхода его «третьего» разряда (вывод 4) приводит к увеличению состояния счётчика DD2.2 на единицу. Теперь в моменты появления уровня логического «нуля» на выходе элемента DD1.3 зажигается красный светодиод HL1. Таким образом, происходит по две последовательные вспышки каждого светодиода. Частоту вспышек можно изменять подстроечным резистором R2, а верхнюю границу частотного диапазона генератора можно изменить подбором резистора R3. Если нужно получить не по две, а по четыре вспышки каждого светодиода, необходимо счётные импульсы на вход DD2.2 подать с выхода четвёртого (вывод 8), а не третьего разряда (вывод 9) счётчика DD2.1 (рис. 3).

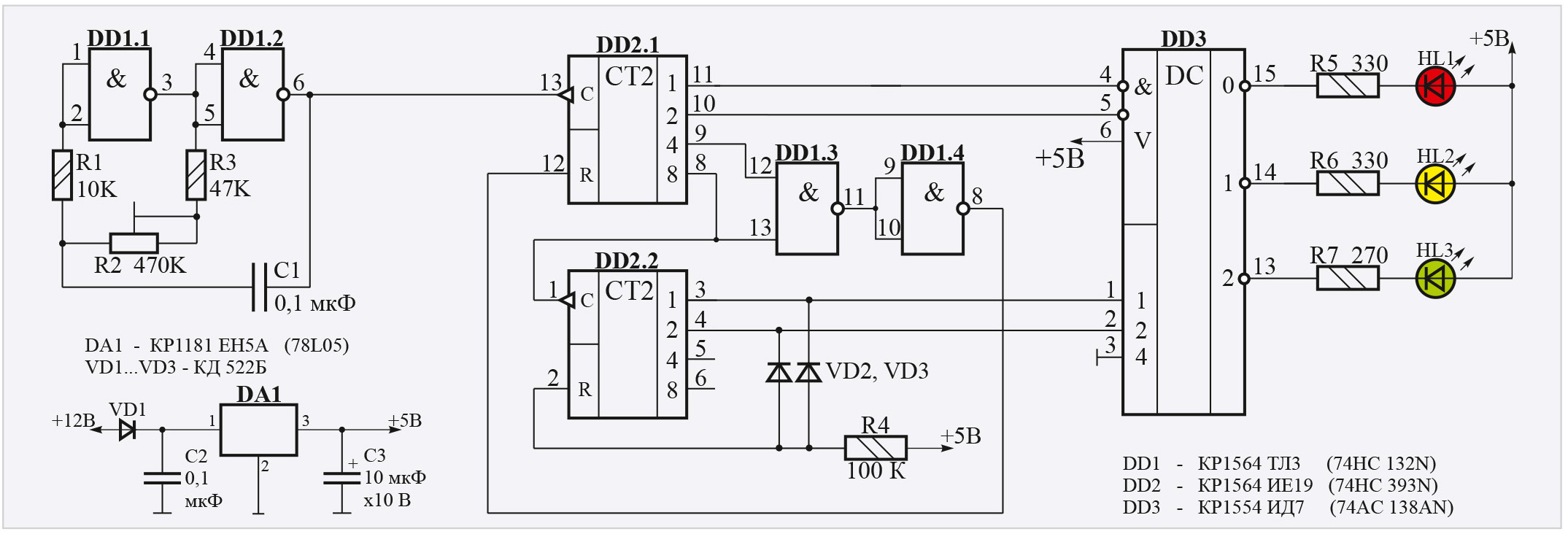
Схема электрическая принципиальная трёхсветодиодного сигнализатора приведена на рис. 4.

Устройство формирует по три последовательные вспышки каждого светодиода также со скважностью, равной четырём. В отличие от первого варианта устройства, счётчик DD2.1 обнуляется коротким положительным импульсом с выхода элемента DD1.4 при достижении «двенадцатого» состояния. Если обнуление не производить, а соединить вход сброса «R» (вывод 12) с «общим» проводом, то будет происходить не по три, а по четыре вспышки каждого светодиода. Счётные импульсы с выхода старшего разряда DD2.1 поступают на вход DD2.2, который формирует кодовые комбинации для выбора одного из трёх мигающих светодиодов HL1…HL3. Скважность, равная четырём, достигается благодаря комбинации управляющих сигналов, поступающих с выходов младших разрядов счётчика DD2.1 (выводы 11 и 10) на инверсные входы «разрешения» «V(&)» дешифратора DD3 (выводы 4 и 5). Его прямой вход «разрешения» «V» (вывод 6) подключён к шине питания, согласно логике работы. При этом зажигание одного из трёх светодиодов HL1…HL3 происходит только при совпадении на входах «V(&)» дешифратора DD3 (выводы 4 и 5) двух уровней логического «нуля», согласно временнóй диаграмме на рис. 5 (см. в дополнительных материалах).

Каждый счётный импульс, поступающий на вход счётчика DD2.2 с выхода DD2.1, приводит к увеличению его состояния на единицу. При достижении «третьего» состояния, благодаря цепочке VD2, VD3, R4, счётчик DD2.2 обнуляется, и далее цикл работы устройства полностью повторяется. Следует заметить, что указанная цепочка (VD2, VD3, R4) представляет собой полнофункциональный эквивалент двух последовательно включённых элементов DD1.3, DD1.4, т.е. выполняет функцию логического «умножения» сигналов (рис. 6).

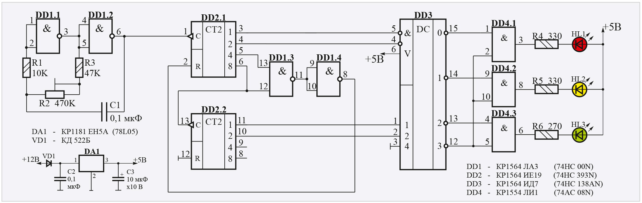
Усовершенствованный вариант трёхсветодиодного сигнализатора приведён на рис. 7.

Здесь обнуление счётчика DD2.2 не производится, поэтому он работает в циклическом режиме с полным набором состояний, что позволяет сформировать отрицательные импульсы на четырёх выходах дешифратора DD3. Количество светодиодов по-прежнему равно трём, но подключены они не к выходам дешифратора непосредственно, а через элементы DD4.1…DD4.3. Уровень логического нуля появляется на их выходах, и, следовательно, происходит зажигание соответствующего светодиода при поступлении на любой из входов указанных элементов такого же логического уровня, согласно временно́й диаграмме на рис. 8 (см. в дополнительных материалах).

При достижении счётчиком DD2.2 «третьего» состояния (на выходах «1» и «2» – уровни логических «единиц»), на выходе «3» (вывод 12) дешифратора DD3 появляется такой же уровень, но только при выполнении условия совпадения двух уровней логического «нуля» на входах его разрешения «V(&)» (выводы 4 и 5). Таким образом, после трёх последовательных вспышек каждого из светодиодов HL1…HL3 происходит трёхкратное одновременное зажигание всех светодиодов. Входы элемента DD4.4 (на схеме не показан) подключаются к шине питания (рис. 9).

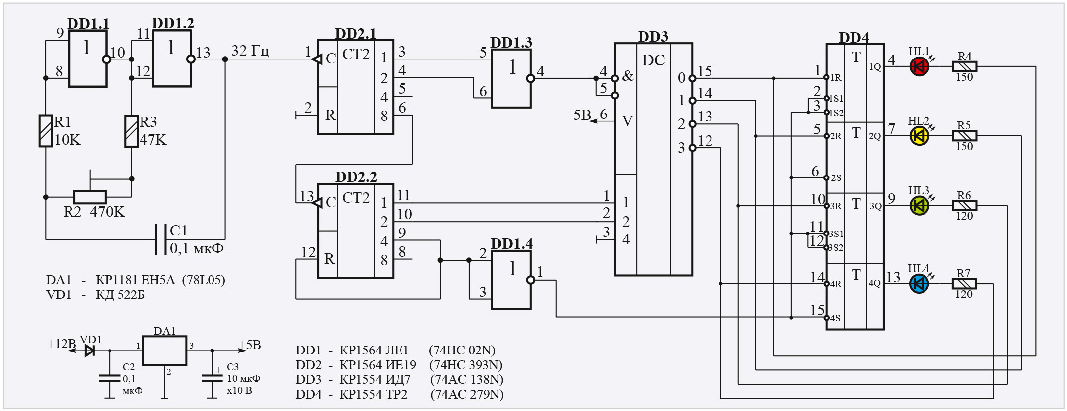
Существенно изменить алгоритм работы устройства стало возможным благодаря применению микросхемы, содержащей в одном корпусе четыре одинаковых RS-триггера с инверсными входами управления (рис. 10).

Это означает, что переход RS-триггера в соответствующее состояние происходит по уровню логического «нуля», поступающего на соответствующий вход «R» или «S». При этом на указанных входах перед подачей активного уровня логического «нуля» должны быть предварительно зафиксированы уровни логических «единиц». Такой режим работы обеспечивается с помощью дешифратора DD3, активные выходные логические уровни которого как раз и являются «нулевыми».
В начальный момент времени счётчики DD2.1 и DD2.2 находятся в «нулевом» состоянии, поэтому на выходе элемента DD1.3 формируется уровень логической «единицы», который запрещает дешифрацию состояний счётчика DD2.2, выходные логические уровни которого поступают на адресные входы «1» и «2» дешифратора DD3. Таким образом, на всех его выходах формируются уровни логических единиц, что соответствует начальному состоянию устройства. Поскольку в конце предыдущего цикла на выходе элемента DD1.4 был сформирован короткий отрицательный импульс, все RS-триггеры были установлены в «единичное» состояние, поэтому все светодиоды погашены. При переходе счётчика DD2.1 из «нулевого» в «первое» состояние уровнем логического «нуля» с выхода элемента DD1.3 разрешается дешифрация состояний DD3, и на его выходе «0» (вывод 15) появляется уровень логического «нуля». Этот уровень перебрасывает первый (верхний по схеме) RS-триггер, входящий в состав микросхемы DD4, в нулевое состояние и одновременно поступает на анод светодиода HL1. Но зажигание светодиода в этот момент времени ещё не происходит, поскольку разность потенциалов на его выводах равна нулю. При достижении счётчиком DD2.1 четвёртого состояния дешифрация состояний DD3 будет вновь запрещена, и на его выходе «0» (вывод 15) сформируется уровень логической единицы. Поскольку на выходе «1Q» (вывод 4) первого по схеме RS-триггера DD4 был сформирован уровень «нуля», это приведёт к зажиганию светодиода HL1. Далее последуют три вспышки со скважностью, равной четырём, как и в предыдущих случаях, согласно временно́й диаграмме на рис. 11 (см. в дополнительных материалах).

В данном случае отрицательные импульсы на выходе «0» (вывод 15) дешифратора DD3 приводят именно к погашению светодиода HL1, поэтому при переходе счётчика DD2.2 из нулевого в первое состояние на указанном выходе «0» (вывод 15) дешифратора DD3 формируется фиксированный уровень логической «единицы», и светодиод HL1 остаётся во включённом состоянии.
Каждый последующий счётный импульс с выхода генератора приводит к увеличению состояний счётчика DD2.1, а вслед за ним и DD2.2. При этом происходят трёхкратные последовательные вспышки светодиодов HL2…HL4 с последующей их фиксацией во включённом состоянии. При достижении счётчиком DD2.2 «четвёртого» состояния на его выходе «4» (вывод 9) формируется короткий положительный импульс, который, инвертируясь элементом DD1.4, приводит к установке всех RS-триггеров DD4 в «единичное» состояние и погашению светодиодов. Далее цикл работы устройства полностью повторяется (рис. 12).

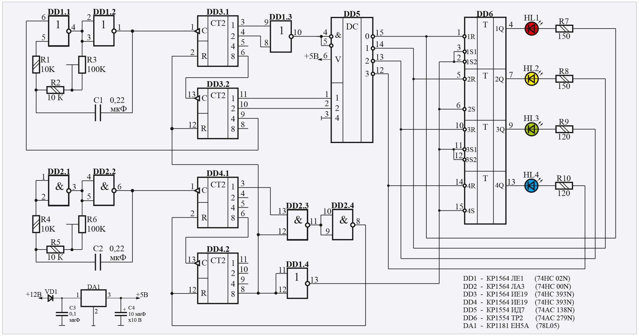
Усовершенствованный вариант четырёхсветодиодного сигнализатора приведён на рис. 13.

В его состав введён простейший таймер, состоящий из генератора прямоугольных импульсов, собранного на элементах DD2.1, DD2.2 и счётчиков DD4.1, DD4.2. Таймер значительно расширяет функциональные возможности светодиодного индикатора и позволяет выбирать практически любую длительность цикла работы устройства, начиная от однократной вспышки светодиода HL1 и заканчивая некоторой временно́й задержкой свечения всех светодиодов после прохождения всего рабочего цикла. Логика работы устройства полностью соответствует временно́й диаграмме, приведённой на рис. 11, с тем отличием, что сигнал установки RS-триггеров микросхемы DD6 формируется счётчиком DD4.2 сверх введённого таймера. В отличие от предыдущего, в усовершенствованном варианте устройства работают два независимых генератора прямоугольных импульсов, частота которых выставляется независимо. Это позволяет раздельно изменять как частоту вспышек светодиодов (с помощью R3), так и длительность всего цикла работы (с помощью R6).
Конструкция и детали
Все устройства выполнены на печатных платах из двустороннего фольгированного стеклотекстолита толщиной 1,5 мм. Размеры печатных плат: первый вариант (рис. 3) – 35×50 мм; второй вариант (рис. 6) – 40×70 мм; третий вариант (рис. 9) – 40×70 мм; четвёртый вариант (рис. 12) – 40×75 мм; пятый вариант (рис. 14) – 50×90 мм.

В устройствах применены постоянные резисторы типа МЛТ-0,125, подстроечные СП3-38б в горизонтальном исполнении, конденсаторы неполярные типа К10-17, электролитические – К50-35 или импортные. Все микросхемы КМОП-серии КР1554 обладают высокой нагрузочной способностью (до 24 мА), что позволяет подключать светодиоды к их выходам непосредственно, без ключевых транзисторов.
В схемах генераторов прямоугольных импульсов на месте ИМС КР1564ЛА3 (74HC00N) можно использовать также ИМС КР1564ТЛ3 (74HC132N), содержащую в своём составе четыре триггера Шмитта. Благодаря высокой нагрузочной способности КМОП-микросхем серий КР1564 и КР1554 возможно сочетание в одном устройстве микросхем КМОП (КР1564, КР1554, КР1594) и ТТЛШ (КР1533, К555) и даже ТТЛ (К155) серий. Неприменимы в устройствах только микросхемы серий К561 и КР1561, нагрузочная способность которых значительно меньше и не позволяет напрямую управлять светодиодами. Устройства, собранные из исправных деталей и без ошибок, в налаживании не нуждаются и работают сразу при включении.
© СТА-ПРЕСС, 2025
Если вам понравился материал, кликните значок — вы поможете нам узнать, каким статьям и новостям следует отдавать предпочтение. Если вы хотите обсудить материал —не стесняйтесь оставлять свои комментарии : возможно, они будут полезны другим нашим читателям!

