В представленной системе пожарной и охранной сигнализации задействованы следующие основные базовые элементы:
- программируемое реле ОВЕН ПР100-24.1208.03.1 (далее ПР100 или реле ПР100);
- информационно-программируемая панель ИПП120 (далее ИПП120 или панель ИПП120).
Внешний вид реле ПР100 приведён на рис. 1.

Внешний вид ИПП120 приведён на рис. 2.

ПР100 – «самое бюджетное» устройство из класса программируемых реле, выпускаемых компанией ОВЕН. ПР100 предназначено для построения локальных автоматизированных систем, управления технологическим оборудованием. ПР100 программируется в среде Owen Logic на языке FBD. Пользовательская программа записывается в энергонезависимую Flash-память прибора. Прибор поддерживает следующие функции:
- работа по программе, записанной в память;
- работа в сети RS-485 по протоколам Modbus RTU/Modbus ASCII в режиме Master или Slave;
- обработка входных сигналов от датчиков;
- управление подключёнными устройствами с помощью дискретных или аналоговых сигналов.
Более подробно работа ПР100 приведена в [1].
Панель ИПП120 предназначена для выполнения пользовательских программ в автоматизированных системах управления технологическим оборудованием. ИПП120 может поддерживать следующие функции:
- работа по программе, записанной в память;
- работа в сети RS-485 по протоколу Modbus RTU/Modbus ASCII в режиме Master или Slave;
- отображение данных на ЖКИ;
- ввод и редактирование данных с помощью кнопок на лицевой панели.
Панель ИПП120 так же, как и ПР100, программируется в среде OWEN Logic. Расширенный диапазон температуры эксплуатации (–20...+55°С) со степенью защиты IP65 позволяет применять информационную панель ИПП120 в тяжёлых промышленных условиях, в неотапливаемых и пыльных помещениях. Более подробно работа ИПП120 приведена в [2]. Структурная схема системы приведена на рис. 3.

Подробнее остановимся на объекте автоматизации. Пусть это три помещения (№ 1–3) в складском комплексе. В каждом помещении должны быть установлены пожарная и охранная сигнализации. Кроме того, в помещениях № 1–3 имеются водопровод, приточно-вытяжная вентиляция и локальная система обогрева. Контроль осуществляется из центрального диспетчерского пункта (отдельное помещение). В центральном диспетчерском пункте должны быть установлены только пожарная и охранная сигнализация. ИПП120 А1 не имеет физических входов/выходов, поэтому в центральном диспетчерском пункте кроме ИПП120 А1 расположено реле ПР100 А2 для управления сигналами звуковой и световой сигнализации. Панель ИПП120 в режиме Master по сети RS-485 может управлять не более чем 16 устройствами. У каждого устройства может быть до 256 переменных. Допускается использование одинаковых имён для каждого устройства. В режиме Master ИПП120 поддерживает:
- чтение по таймеру;
- чтение/запись по событию;
- запись по изменению (используется по умолчанию).
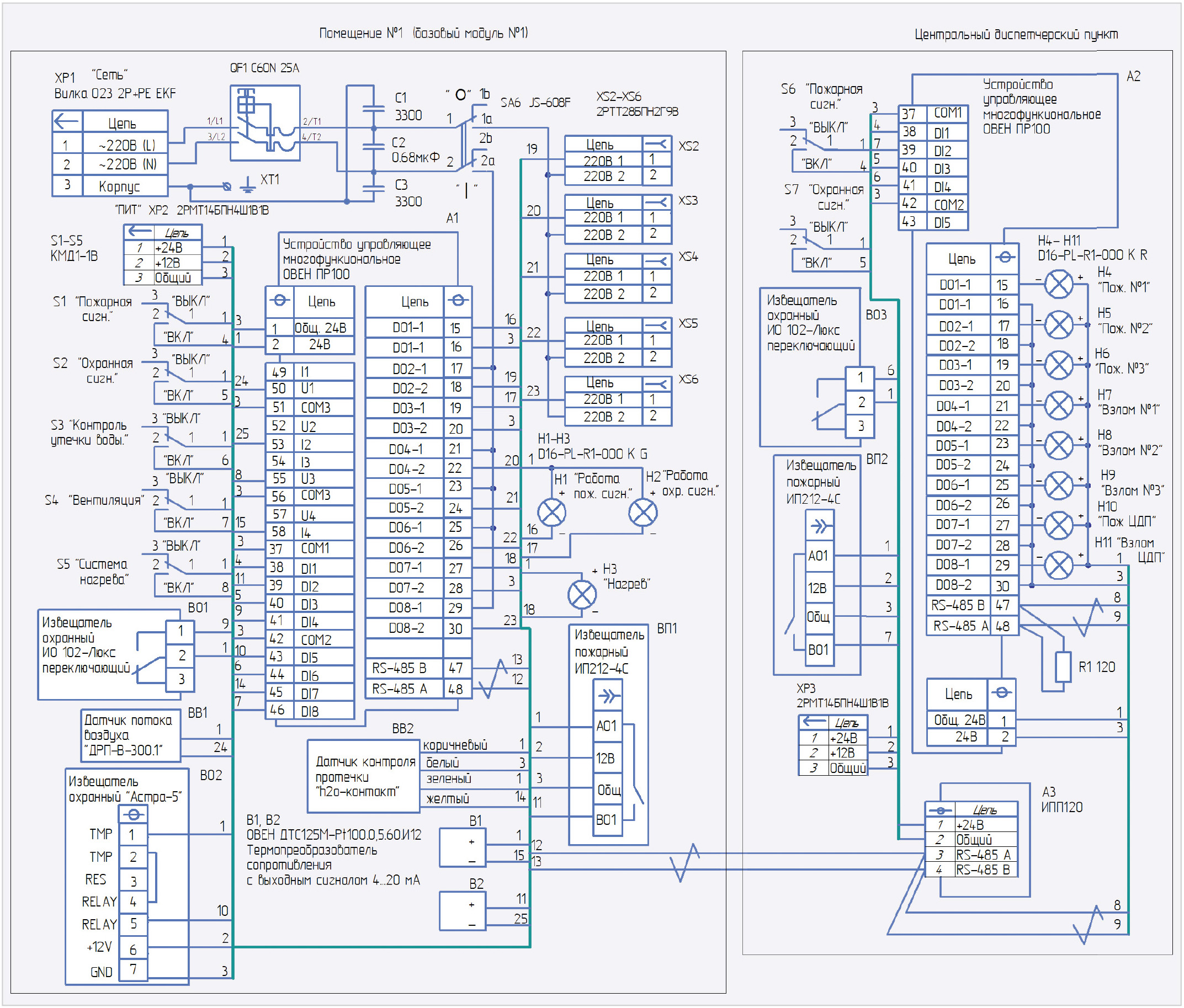
Базовые модули в помещениях № 1–3 выполнены соответственно на ПР100 А3-А5. Принципиальная схема системы представлена на рис. 4.

На принципиальной схеме, приведённой на рис. 4, показано подключение составных частей, входящих в центральный диспетчерский пункт, и базового модуля № 1 в помещении № 1. Далее считаем, что базовый модуль № 2 расположен в помещении № 2 и т.д. Принципиальные схемы базовых модулей № 1–3 с обвязкой в помещениях № 1–3 совершенно одинаковые. В программе для ПР100 базовых модулей будут разными только адреса устройств. Сразу отметим, что позиционные обозначения в структурной и принципиальных схемах – различные. Для подключения базовых модулей в помещениях № 2, № 3 нужно только подвести: сетевое напряжение ~220 В, питающие напряжения постоянного тока +24 В, +12 В и линию связи RS-485.
Базовый модуль А1 в системе реализует следующие основные и дополнительные функции:
- охранная сигнализация (далее ОС);
- пожарная сигнализация (далее ПС);
- управление приточно-вытяжной вентиляцией;
- система обогрева;
- блок измерения температуры:
а) канал измерения температуры № 1 (в помещении);
б) канал измерения температуры № 2 (температура вне помещения); - контроль протечки воды.
ПР100 А2 и панель ИПП120 расположены в центральном диспетчерском пункте.
ПР100 А2 реализует следующие функции:
- управляет световыми сигналами пожарной сигнализации из помещений № 1–3 и центрального диспетчерского пункта;
- управляет световыми сигналами охранной сигнализации из помещений № 1–3 и центрального диспетчерского пункта.
Панель ИПП120 по сети RS-485 управляет всеми ПР100.
Сигналы пожарной и охранной сигнализации имеют приоритет по отношению к сигналам других функциональных блоков системы. Местоположение помещений в складском комплексе может быть разным. Если помещение находится в ангаре, то канал температуры № 2 контролирует температуру в ангаре. Если же помещение вынесено из складского комплекса, то канал температуры № 2 контролирует температуру на улице.
Основные элементы системы, приведённые на принципиальной схеме: реле ПР100 (позиционные обозначения А1, А2); панель ИПП120 А3; извещатель ВО2 типа «Астра 5»; извещатели магнитоконтактные ВО1, ВО3 типа ИО102-26; извещатели пожарные ВП1, ВП2 типа ИП212-4С; датчик потока воздуха ВВ1; автомат защиты QF1. Сетевое напряжение 220 В поступает на устройство с соединителя ХР1. Питающие напряжения +12 В и +24 В поступают на составные части базового модуля № 1 с соединителя XP2. Питающие напряжения +12 В и +24 В поступают на составные части, расположенные в центральном диспетчерском пункте, с соединителя XP3.
Аппаратная часть достаточно простая и не вызовет никаких трудностей при сборке и монтаже и эксплуатации. Разработка фактически сводится к разработке специального программного обеспечения СПО для ИПП120 А3, для ПР-100 А2 в центральном диспетчерском пункте и для панели ПР100 А1 в базовых модулях.
Рассмотрим работу базового модуля № 1. Предусмотрена одна независимая линия для подключения извещателя охранного объёмного оптико-электронного «Астра-5» исполнения А, ИО 409-10 (далее датчик охраны Астра-5) и независимая линия для подключения охранных точечных магнитоконтактных извещателей ИО 102-26 исполнения 4 (далее датчик охраны ИО 102-26), а также независимая линия для подключения пожарных извещателей ИП212-4С. Все вышеуказанные извещатели являются внешними (выносными) элементами по отношению к ПР100 А1.
В табл. 1 приведено функциональное назначение аналоговых и дискретных входов реле ПР100 А1 базового модуля № 1 и ПР100 А3 в центральном диспетчерском пункте. Аналоговые входы AI1, AI3 в ПР100 А1 предварительно задаются (конфигурируется) как дискретные.

В табл. 2 приведено функциональное назначение дискретных выходов реле ПР100 А1 в базовом модуле № 1 и ПР100 А3 в центральном диспетчерском пункте.

Выходы DО2, DО4, DО5, DО6, DО8 реле ПР100 А1 выведены в базовом модуле соответственно на соединители ХS2–ХS6 для управления исполнительными устройствами. Допустимый ток нагрузки для вышеуказанных выходов реле ПР100: не более 5 А при напряжении не более 250 В переменного тока. Для управления более мощными нагрузками необходимо задействовать мощные ключи (например, твердотельные реле). Понятно, что в данном случае выходы DO будут задействованы в цепи управления твердотельных реле. Выход DO2 целесообразно задействовать для управления световой или звуковой сигнализацией (ревун, сирена и пр.) или непосредственно для включения автоматической установки пожаротушения. Выход DO4 может быть задействован для управления такими исполнительными устройствами, как соленоиды блокировочных электромагнитных замков или актуаторов, необходимыми для дополнительной блокировки дверей, люков и пр. Выход DO5 управляет вентиляционной установкой. Выход DO6 может управлять электромагнитным запорным клапаном. Выход DO8 управляет нагревателем.
Датчик охраны «Астра-5» исполнения А предназначен для обнаружения проникновения в охраняемое пространство закрытого помещения и формирования извещения о тревоге путем размыкания выходных контактов сигнального реле. Принцип действия основан на регистрации изменений потока теплового излучения, возникающих при пересечении человеком зоны обнаружения, которая состоит из чувствительных зон. Назначение сигналов на колодке датчиком охраны «Астра-5» следующее: TMP – сигнал (выход реле, при снятой крышке контакты реле – разомкнуты), который при снятии крышки формирует извещение о тревоге независимо от включения питания датчика; RES – клемма для установки резистора; RELAY – выходы реле; +12V, GND – клеммы электропитания. Обозначение контактов на колодке дано условно. При выключенном электропитании, а также в дежурном режиме (одна минута после подачи электропитания) выходные контакты реле RELAY датчика охраны – разомкнуты. Более подробное описание датчика охраны «Астра-5» приведено в [3].
Датчики охраны ИО 102-26 исполнения 4 предназначены для блокировки дверных и оконных проёмов, организации устройств типа «ловушка», а также блокировки других конструктивных элементов зданий и сооружений на открывание или смещение с выдачей сигнала «Тревога». Извещатель каждого исполнения конструктивно состоит из датчика магнитоуправляемого (датчика) на основе геркона и задающего элемента (магнита), выполненных в корпусах из пластика.
В устройстве задействован датчик ИО102-26 исполнения 4, у которого тип геркона – переключающийся. Под действием магнита контакт 2 размыкается с контактом 3 и замыкается с контактом 1. Более подробное описание датчика ИО102-26 приведено в [4].
Извещатель ИП212-4С представляет собой автоматическое оптико-электронное устройство, осуществляющее сигнализацию о дежурном режиме работы (проблесковое свечение красного светодиода) и о появлении дыма в месте его установки, вызывающем срабатывание извещателя.
У извещателя ИП212-4С при появлении дыма в оптической камере импульсы инфракрасного излучения, отражаясь от дымовых частиц, попадают на фотоприёмник, усиленный сигнал которого сравнивается с пороговым уровнем, и, если превышение над порогом повторяется пять раз подряд, схема регистрирует состояние «Пожар». При этом вырабатывает сигнал, включающий оптореле, контакты которого замыкаются, контакты 1, 4 выходного соединителя датчика замыкаются. Более подробное описание данного извещателя приведено в [5].
Панель ИПП120 А3, реле ПР100 А2, ламповые индикаторы H4-H11 (рис. 4) целесообразно в центральном диспетчерском пульте разместить на отдельной панели управления. Автор не будет останавливаться на какой-то конкретной конструкции панели управления и устройства в целом. На рис. 5 приведён скриншот управляющей программы для реле ПР100 А1 базового модуля в среде OWEN Logic.

В скриншоте управляющей программы на рис. 5 можно выделить пять функциональных блоков, которые реализуют пять функций системы:
- блок охранной сигнализации включает в себя следующие основные элементы: RS-триггер RS1, D-триггер DTRIG1, генератор импульсов BLINK1, детектор переднего фронта RTRIG1, а также логические элементы 2ИЛИ, НЕ, 2И;
- блок пожарной сигнализации включает в себя следующие элементы: RS-триггеры RS2–RS4, D-триггеры DTRIG2, DTRIG3, генераторы импульсов BLINK2, BLINK3, детектор переднего фронта RTRIG2, универсальный счётчик CTN1, таймер с задержкой включения TON1, модуль включения заданной длительности ТР1, модуль операции сравнения на равенство EQ, а также логические элементы 2ИЛИ, НЕ;
- блок контроля утечки воды выполнен на: D-триггере DTRIG4, детекторе переднего фронта RTRIG3, генераторе BLINK4. Также задействованы логические элементы 2ИЛИ, НЕ;
- блок управления вентиляционной установкой выполнен на следующих элементах: D-триггере DTRIG5, детекторе переднего фронта RTRIG4, а также логических элементах 2ИЛИ, НЕ. При срабатывании пожарной сигнализации работа приточно-вытяжной вентиляции блокируется;
- система нагрева выполнена на следующих элементах: D-триггере DTRIG6, детекторе переднего фронта RTRIG5, макросе 2PosHisReg1 (двухпозиционный регулятор с гистерезисом), а также логических элементах 2ИЛИ, 3И, НЕ.
Для обмена по сети RS-485 задействованы макросы INT_BOOL81 и BOOL_INT81. Вышеуказанные функциональные блоки могут управляться (вкл./выкл.) как с кнопок S1–S5, так и c панели ИПП120 в центральном диспетчерском пункте.
На рис. 6 приведён скриншот управляющей программы для панели ИПП120 в среде OWEN Logic.

На рис. 6 в правом нижнем углу открыта вкладка «Настройка прибора». На ней приведены подключённые по сети RS-485 модули ПР100 с сетевыми адресами. На рис. 7 приведён скриншот менеджера экранов ИПП120 А3 в среде OWEN Logic.

На рис. 8 приведён скриншот управляющей программы для ПР100 А2 центрального диспетчерского пункта в среде OWEN Logic.

На скриншоте (рис. 8) можно выделить следующие основные составные части системы: пожарная сигнализация, охранная сигнализация, макрос INТ BOOL81. Аналогичные составные части представлены в скриншоте управляющей программы для базового модуля на рис. 5.
После подачи питания на двухстрочном шестнадцатиразрядном ЖКИ ИПП120 отображаются первые две строки из пятнадцати представленных на рис. 7. Разряды в строках ЖКИ ИПП120 имеют следующее назначение (слева направо по рис. 7).
Первая строка:
- 1 разряд отображает «П» – составная часть системы – ПС;
- 2, 3 разряды отображают «№ 1» – номер помещения, где установлен базовый модуль № 1;
- 4 разряд отображает сигнал включения/выключения ПС для базового модуля № 1. Активный сигнал – «1». Сигнал устанавливается c клавиатуры ИПП120 на 2 с, после чего сигнал сам сбрасывается в «0»;
- 5 разряд отображает состояние ПС в базовом модуле № 1: «1» – включена, «0» – выключена. То есть активный сигнал в 4 разряде меняет состояние сигнала в 5 разряде;
- 6 разряд. После подачи питания в данном разряде устанавливается «0». После установки «1» в 5 разряде ПС базового модуля № 1 переходит в рабочий режим. При срабатывании пожарного извещателя в 6 разряде периодически включается «1» – сигнал «Пожар» в помещении № 1;
- 7, 8 разряды отображает «№ 2» – номер помещения, где установлен базовый модуль № 2;
- 9 разряд аналогично разряду 4, но для ПС базового модуля № 2;
- 10 разряд аналогично разряду 5, но для ПС базового модуля № 2;
- 11 разряд аналогично разряду 6, но для ПС базового модуля № 2;
- 12, 13 разряды отображают «№ 3» – номер помещения, где установлен базовый модуль № 3;
- 14 разряд аналогично разряду 4, но для ПС базового модуля № 3;
- 15 разряд аналогично разряду 5, но для ПС базового модуля № 3;
- 16 разряд аналогично разряду 6, но для ПС базового модуля № 3.
Вторая строка:
- 1 разряд отображает «О» – составная часть системы – ОС;
- 2, 3 разряды отображают «№ 1» – номер помещения, где установлен базовый модуль № 1;
- 4 разряд отображает сигнал включения/выключения ОС для базового модуля № 1. Активный сигнал – «1». Сигнал устанавливается c клавиатуры ИПП120 на 2 с, после чего сигнал сам сбрасывается в «0»;
- 5 разряд отображает состояние ОС в базовом модуле № 1: «1» – включена, «0» – выключена. То есть активный сигнал в 4 разряде меняет состояние сигнала в 5 разряде;
- 6 разряд. После подачи питания в данном разряде устанавливается «0». После установки «1» в 5 разряде ОС базового модуля № 1 переходит в рабочий режим. При срабатывании охранного извещателя в 6 разряде периодически включается «1» – сигнал «Взлом» в помещении № 1;
- 7, 8 разряды отображает «№ 2» – номер помещения, где установлен базовый модуль № 2;
- 9 разряд аналогично разряду 4 второй строки, но для ОС базового модуля № 2;
- 10 разряд аналогично разряду 5 второй строки, но для ОС базового модуля № 2;
- 11 разряд аналогично разряду 6 второй строки, но для ОС базового модуля № 2;
- 12, 13 разряды отображает «№ 3» – номер помещения, где установлен базовый модуль № 3;
- 14 разряд аналогично разряду 4 второй строки, но для ОС базового модуля № 3;
- 15 разряд аналогично разряду 5 второй строки, но для ОС базового модуля № 3;
- 16 разряд аналогично разряду 6 второй строки, но для ОС базового модуля № 3.
Третья строка – «подсказка» для соответствующих разрядов первой и второй строки: В – вкл./выкл.; Р – работа; C – сигнал тревоги.
Четвёртая строка. Аналогичные сигналы, приведённые для ПС и ОС, но для системы контроля утечки воды. То есть отображены сигналы для базовых модулей № 1–3: «ВКЛ»/«ВЫКЛ», «РАБОТА», «ТРЕВОГА».
Пятая строка. Аналогичные сигналы, приведённые для ПС и ОС, но для системы вентиляции. То есть отображены сигналы для базовых модулей № 1–3: «ВКЛ»/«ВЫКЛ», «РАБОТА». После включения системы сразу осуществляется контроль датчика потока воздуха (ВВ1 по рис. 4).
Шестая строка. Отображает: «СИСТЕМА ОБОГРЕВА». Начиная с данной строки и ниже отображается информация о системах обогрева помещений (далее СОП) базовых модулей № 1–3.
Седьмая строка (седьмая–девятая строки отображают параметры СОП для базового модуля № 1):
- 1, 2 разряды отображают «№ 1» – номер помещения, где установлен базовый модуль № 1;
- 3–6 разряды отображают функциональную группу, которая управляет СОП № 1 базового модуля № 1. 3 разряд отображает букву «В» (вкл./выкл.). 4 разряд отображает сигнал включения/выключения СОП для базового модуля № 1. Активный сигнал – «1». Данный сигнал устанавливается c клавиатуры ИПП120 на 2 с, после чего сам сбрасывается в «0»; 5 разряд отображает букву «Р» (работа). 6 разряд отображает состояние СН в базовом модуле № 1, «1» – включена, «0» – выключена. То есть в данной строке активный сигнал в 4 разряде меняет состояние сигнала в 6 разряде;
- 9–16 разряды отображают температуру в помещении № 1 в градусах (°С).
Восьмая строка. Отображает в помещении № 1 температуру задаваемой уставки для системы обогрева (канал измерения № 1 в базовом модуле № 1).
Девятая строка. Отображает температуру канала измерения № 2 в базовом модуле № 1.
Строки 10–12 отображают параметры CОП для базового модуля № 2.
Строки 13–15 отображают параметры СОП для базового модуля № 3.
Рассмотрим работу управляющей программы ИПП120 для базового модуля № 1 на примере пожарной сигнализации (рис. 6). После установки с клавиатуры значения «1» в четвёртом разряде первой строки на ЖКИ ИПП120 переменная «Вкл П1» устанавливается на входе S RS-триггера RS1 в лог. 1. При этом на выходе RS1 устанавливается лог. 1, которая запускает таймер с задержкой включения TON1. Через 2 с лог. 1 с выхода TON1 поступит на вход R триггера RS1 и «сбросит» его. То есть переменная «Вкл П1» будет установлена в лог. 0. За эти две секунды переменная «Вкл П1» поступит на макрос BOOLˍINT81, и на его выходе будет сформировано соответствующее значение сетевой переменной OUT 512ˍ1 (первый бит посылки будет установлен в лог. 1). Сетевая переменная OUT 512ˍ1 будет распакована в макросе INTˍ BOOL81 программы для ПР100 базового модуля № 1 (рис. 5). В программе для ПР100 базового модуля данная переменная обозначена как «IN 512». При этом будет установлена в лог. 1 переменная «Вкл П1», и далее переменная «Работа П1» также будет установлена в лог. 1. Переменная «Работа П1» поступит на вход IN01 макроса BOOLˍINT81. На его выходе будет сформировано соответствующее значение сетевой переменной OUT 513. Данная посылка будет распакована в макросе INTˍ BOOL81 (рис. 6). В итоге переменная «Работа П1» установит в пятом разряде первой строки ЖКИ ИПП120 – «1».
Нетрудно проследить, что при поступлении сигнала с пожарного извещателя в базовом модуле № 1 (вход DI4 в ПР100 А1 на рис. 4) начнёт с периодом 1 с мигать ламповый индикатор H4 в центральном диспетчерском пункте (выход DO1 ПР100 А2). Разобраться в работе остальных систем не составит труда. Выходные сигналы пожарной и охранных сигнализаций с базовых модулей № 1–3 выведены в центральном диспетчерском пункте на ПР100 А2 (ламповые индикаторы Н4–Н9 по рис. 4). В целом представленная система получается достаточно гибкой. Её легко можно масштабировать, вводить изменения в аппаратную часть, оперативно корректировать программное обеспечение на языке FBD.
Литература
- Руководство по эксплуатации «Устройство управляющее многофункциональное ПР100».
- Руководство по эксплуатации «Панель оператора ИПП120».
- Руководство по эксплуатации «Извещатель охранный объёмный оптико-электронный ИО 409-10 “Астра-5”. Исполнение А».
- Руководство по эксплуатации «Извещатель охранный точечный магнитоконтактный. ИО 102 – “ЛЮКС” ПАШК.425119.080».
- Руководство по эксплуатации «Извещатель пожарный ИП 212-4С ПАСПОРТ ЦФСК 425231.002-01 ПС».
- Федеральный закон от 22.07.2008 № 123-ФЗ «Технический регламент о требованиях пожарной безопасности» (редакция 2023 г.).
© СТА-ПРЕСС, 2025
Если вам понравился материал, кликните значок — вы поможете нам узнать, каким статьям и новостям следует отдавать предпочтение. Если вы хотите обсудить материал —не стесняйтесь оставлять свои комментарии : возможно, они будут полезны другим нашим читателям!

