Введение
В средствах автоматизации и числового программного управления, промышленной робототехнике, в электромеханических системах управления различного назначения широко используются датчики угловой скорости вращения и угла поворота вала. В качестве датчика может быть задействовано электромеханическое устройство – энкодер. По способу выдачи информации энкодеры делятся на инкрементные (накапливающие) и абсолютные (позиционные). По принципу действия энкодеры принято разделять на оптические резисторные, магнитные и механические. Принцип работы оптических энкодеров основан на регистрации относительной величины прошедшего через растровое сопряжение потока оптического излучения как координатно-периодической функции взаимного углового положения регулярного растра шкалы и растров окон анализатора.
Инкрементный энкодер на выходе выдаёт за один оборот определённое количество импульсов, которое называется разрешением энкодера, а абсолютный энкодер выдаёт цифровую информацию о текущем угле поворота. Абсолютные энкодеры позволяют определять текущее положение оси поворота в любой момент времени, в том числе и после отключения питания. Абсолютные энкодеры являются более функциональными, но и более дорогими устройствами. Поэтому на практике большее распространение получили инкрементные энкодеры. Рассмотрим совсем коротко их работу, принцип действия в части подключения к приёмным устройствам. На рис. 1 показан внешний вид отечественного инкрементного энкодера ЛИР-112А.
На рис. 2 показан внешний вид инкрементного энкодера E50S8-2500-3-Т-24.

Технические характеристики инкрементного энкодера E50S8-2500-3-Т-24:
- диаметр корпуса: 50 мм;
- диаметр вала: 8 мм;
- количество импульсов на оборот вала: 2500;
- выходной сигнал: комплементарный;
- напряжение питания энкодера: 24 В постоянного тока.
Данный энкодер имеет три выходных сигнала: A, B, Z. При вращении вала энкодера с его выходов A, B, Z формируются сигналы, которые представляют собой последовательность прямоугольных импульсов. Последовательности импульсов A и B сдвинуты на 90° относительно друг друга (т.е. формируются парафазные импульсы), что позволяет определять направление вращения. На рис. 3 приведён пример изменения сигналов в датчике во времени при вращении в одном заданном направлении.

Имеется также третий вход нулевой (референтной) метки (Z), который позволяет определить абсолютное положение вала, поскольку сразу же после включения положение вала неизвестно (в некоторых технологических задачах это необходимо). Указатель нулевой отметки – это специальный импульс энкодера, который генерируется при достижении определённого положения его вращающегося диска. Этот указатель соответствует конкретной, заранее заданной точке на диске, которая обычно обозначается как «нулевая», или «начальная», точка. Некоторые модификации энкодеров могут поставляться с дифференциальными выходами А, А, B, В, Z, Z.
Скорость вращения вала определяется как число импульсов за единицу времени (обороты в минуту). Если вал останавливается, то прекращается и передача импульсов. При выключении электропитания текущая информация об угле поворота вала, как правило, теряется. Отрицательный момент в работе инкрементного энкодера – это необходимость непрерывной обработки его выходных сигналов. Кроме того, при отключении электропитания энкодера или при выключении приёмного устройства, после подачи электропитания и включения приёмного устройства для определения угла поворота, необходимо найти исходное (или нулевое) положение энкодера. Среди основных российских производителей энкодеров можно отметить СКБ ИС (г. Санкт-Петербург). Из зарубежных производителей наиболее известны Omron (Япония), Autonics (Корея), Pepperl+Fuchs (Германия), Siemens (Германия), SICK AG (Германия). На отечественном рынке представлены энкодеры, у которых есть опция программирования количества импульсов на один оборот вала через технологический разъём. Например, это энкодеры серии DRS61 компании SICK AG. Тем самым появляется возможность подстраивать энкодер под требования конкретной поставленной задачи в рамках одной АСУ ТП.
В качестве приёмных устройств сигналов с инкрементных энкодеров могут выступать: устройства цифровой индикации УЦИ, программируемые логические контроллеры ПЛК, контроллеры шаговых двигателей КШД, модули интерфейсов МИ и, конечно же, программируемые реле (далее – ПР).
Интерфейсы и типы выходных сигналов инкрементных энкодеров
На отечественном рынке можно встретить инкрементные энкодеры со следующими типами выходных сигналов:
- синусоидальные сигналы. Опто-электронные растровые энкодеры могут напрямую выдавать синусоидальный токовый сигнал типа СТ (~11 мкА) или синусоидальный сигнал напряжения типа СН (~1 В);
- выход по напряжению (Voltage Output). Выходной сигнал – последовательность прямоугольных импульсов. Uпит = 5 В для сигналов уровня ТТL. Это один из наиболее распространённых выходных сигналов для инкрементных энкодеров. Uпит = 10…30 В для сигналов уровня HTL. Обычно для подачи сигналов на дискретные входы программируемых реле используются сигналы с напряжением 24 В;
- выход с открытым коллектором (Open Collector). Выходной сигнал – последовательность прямоугольных импульсов. Такой тип выхода позволяет получить сигнал с уровнем напряжения, определяемым не величиной напряжения питания энкодера, а величиной напряжения дополнительного источника питания. Для этого необходимо между цепями питания (Uпит) и выходом подключить внешний резистор, величина сопротивления которого определяется значением напряжения дополнительного источника питания;
- двухтактный (каскадный, комплементарный) выход (Push–Pull, Totem Pole). Выходной сигнал – последовательность прямоугольных импульсов. Этот тип выхода построен на транзисторах различной (n-p-n и p-n-p) проводимости и имеет малое выходное сопротивление (как в состоянии логического нуля, так и в состоянии логической единицы), что позволяет увеличить ток, отдаваемый в нагрузку. Таким образом, повышается нагрузочная способность и ускоряются процессы заряда и разряда ёмкости нагрузки, а следовательно, растёт быстродействие;
- интерфейс SSI (Synchronous Serial Interface). Сигналы – стандарт RS-422. Данный интерфейс обеспечивает высокую надёжность передачи данных на большие расстояния.
Подключение инкрементного энкодера к программируемому реле
В случае непосредственного управления исполнительным механизмом без использования интеллектуального устройства типа КШД или ПЛК вполне оправдано подключение энкодера напрямую к ПР, которое, собственно, и будет заниматься обработкой сигнала с энкодера. В данном случае ПР является программируемым приёмным устройством (далее – ППУ) сигналов с энкодера. Основная проблема при подключении энкодера к ППУ – это согласование частоты выдачи импульсов энкодером (F1) и частоты опроса входов (F2) ППУ. F2 должна быть значительно больше, чем F1, и достаточной для того, чтобы корректно произвести подсчёт импульсов. Выбирая разрешение энкодера, нужно убедиться, что большое количество импульсов на оборот будет воспринято приёмным устройством. С увеличением вращения вала энкодера количество импульсов, выдаваемых энкодером в единицу времени, увеличивается.
Значение частоты F2 в ПР ограничено длительностью рабочего цикла, который состоит из фаз чтения входов, исполнения программы пользователя и записи значений выходов. При подсчёте скорости вращения серводвигателя максимальное количество оборотов в минуту может находиться в пределах 0–5000 об/мин (0–83,3 об/с). Таким образом, необходимо подсчитывать несколько десятков тысяч импульсов в секунду (частота порядка десятков кГц). Типичное время рабочего цикла ПР измеряется десятками миллисекунд (частота порядка кГц), что гораздо больше интервала между импульсами энкодера.
Время цикла – это время выполнения рабочего цикла прибора, а именно:
- опрос состояния физических входов прибора и копирование их значений в ячейки памяти;
- программная обработка;
- чтение/запись сетевых переменных программы;
- запись результатов работы программы в физические выходы прибора.
По умолчанию время цикла равно 1 мс. Прибор подстраивает время цикла в зависимости от сложности программы. Факторы, влияющие на увеличение времени цикла:
- возрастает сложность алгоритма (задействовано большое количество ФБ и макросов);
- в программе используется большое количество сетевых переменных;
- используется большое количество элементов управления данными с помощью дисплея прибора. Пользователь не может задавать время цикла.
Поэтому подсчёт импульсов от энкодера при решении указанной выше задачи с помощью стандартных функциональных блоков счётчиков внутри программы пользователя за редким исключением затруднителен и может привести к нарушению рабочего цикла ПР. На аппаратном и программном уровне данная проблема в ППУ может быть решена следующим образом. Энкодер подключается к «быстродействующим» дискретным входам ППУ. В ППУ должен быть счётчик (или таймер), который работает независимо от основной программы, контролируя его выходное значение при помощи специальной подпрограммы обработки прерываний. Вышеуказанный счётчик ведёт подсчёт импульсов от энкодера с учётом направления вращения вала.
Применение готовых шаблонов в среде Qwen Logic
Рассмотрим подключения энкодеров к программируемому реле ПР103-24.1610.06.2.0 (далее ПР103). Данный прибор предназначен для локальной автоматизации и программируется в среде Owen Logic на языке FBD. Основные функции ПР103:
- работа по пользовательской программе, записанной в память;
- работа в сети RS-485 по протоколу Modbus RTU / Modbus ASCII в режиме Master или Slave;
- работа в сети Ethernet по протоколу Modbus TCP в режиме Master или Slave;
- работа с удалённым сервисом OwenCloud без дополнительного шлюза;
- обработка входных сигналов от датчиков;
- управление подключёнными устройствами с помощью дискретных или аналоговых сигналов.
Отметим наличие в ПР103 четырёх быстрых дискретных входов типа «ДС». К ним, собственно, и можно подключать энкодеры. Внешний вид реле ПР103 приведён на рис. 4.

На рис. 5 приведена принципиальная схема подключения двух инкрементных энкодеров E50S8-2500-3-T-24 к ПР103.

На рис. 5 у ПР103 приведены только контакты, задействованные в принципиальной схеме. Энкодер В1 подключён к быстрым дискретным входам FDI1 и FDI2. Соответственно, энкодер В2 подключён к быстрым дискретным входам FDI3 и FDI4 (входы FDI1, FDI2, FDI3, FDI4 типа «ДС»). Характеристики быстрых дискретных входов типа «ДС» у ПР103 приведены в табл. 1.

К ПР103 можно подключать 2-канальные инкрементные энкодеры (без Z-канала). Максимальная частота сигналов с энкодера – не более 100 кГц. Для каждого входа задействован 32-разрядный регистр, в котором находится накопленное количество импульсов с учётом направления вращения вала энкодера. Если после обнуления направление вращения производится в обратную сторону, то счёт начинается с максимального и уменьшается на количество накопленных импульсов. Меню настройки быстрых дискретных входов из OwenLogic расположено во вкладке «Прибор/Настройка прибора». Вид меню приведён на рис. 6.

В настройке прибора для быстрого дискретного входа FDI1 (в Owen Logic входы FDI1–FDI4 ПР103 прописаны соответственно как FI1–FI4) в ячейке на пересечении строки «Режим работы» и столбца «Значение» задаём параметр – «Энкодер». В ячейке на пересечении строки «Диагностика» и столбца «Переменная» задаём переменную «Переполнение 1» булевского типа.
Для быстрого дискретного входа 2 в ячейке на пересечении строки «Режим работы» и столбца «Значение» оставляем – «Дискретный вход». В режиме обработки сигналов инкрементного энкодера каждое изменение состояния (рис. 3) воспринимается как импульс. На рис. 7 приведена управляющая программа для реле ПР103 в среде OWEN Logic для работы с инкрементными энкодерами E50S8-2500-3-Т-24.

В сетевой переменной «Канал № 1» идёт подсчёт импульсов с энкодера В1. При переполнении регистра булева переменная «Переполнение 1» устанавливается в лог. 1. При этом запускается на 3 c таймер с задержкой отключения TOF1. Это значит, на 3 с включается индикаторная лампа H1.
Соответственно, в сетевой переменной «Канал № 2» идёт подсчёт импульсов с энкодера В2. При переполнении регистра булева переменная «Переполнение 2» устанавливается в лог. 1. При этом запускается на 3 c таймер с задержкой отключения TOF2. Это значит, на 3 с включается индикаторная лампа H2.
То есть фактически в среде OWEN Logic имеется заданный шаблон для подключения энкодеров. Их нужно подключить к входам FDI1–FDI4 прибора и перевести вышеуказанные входы в режим работы «Энкодер».
Разрешение энкодера может быть очень разным. Например, ряд числа импульсов на один оборот для инкрементного энкодера серии E50S8 – 10, 12, 15, 20, 23, 25, 30, 35, 40, 45, 50, 60, 75, 100, 120, 125, 150, 192, 200, 240, 250, 256, 300, 360, 400, 500, 512, 600, 800, 1000, 2048, 2500, 3000, 3600, 4000, 5000, 6000, 8000. А для отечественного инкрементного энкодера типа ЛИР-112А ряд числа импульсов на один оборот – 1000, 2000, 2500, 5000, 10 000, 30 000, 125 000. Для разных задач нужны энкодеры с разным разрешением. При выборе энкодера подсчитать необходимое количество импульсов на оборот вала для гарантированного приёма ППУ можно по формуле:
N = 60 × F[Гц]/К × ω [об/мин], (1)
где F – максимальная частота, воспринимаемая приёмным устройством, ω – максимальная частота вала привода, который связан с валом энкодера, К – коэффициент запаса для приёмного устройства. Данный коэффициент необходим для гарантированного приёма импульсов с энкодера. Этот параметр может предоставить только изготовитель приёмного устройства.
Пусть требуется контролировать скорость вращения вала некоторого устройства через зубчатую передачу, которую вращает серводвигатель. ППУ – ПР103. F – 100 кГц. Максимальная скорость вращения – 1500 об/мин. Нужно подобрать энкодер с необходимым разрешением. Для предварит ельного расчёта возьмём К = 2, тогда по формуле (1)
N = 60 × 100 000 кГц/2 × 1500 = 2000 имп/об.
Стандартным ближайшим числом для энкодера E50S8 является 2048. Для вышеуказанной задачи для подключения к входам «ДС» реле ПР103 подойдёт энкодер E50S8-2048-3-T-24 (максимальная выходная частота импульсов – 300 кГц). Проверить максимальную частоту импульсов с энкодера E50S8-2048-3-T-24 для вращения вала с частотой 1500 об/мин можно по формуле:
(1500[об/мин]/60) × 2048 = 51 200 Гц.
То есть, выбрав энкодер E50S8-2048-3-T-24, можно «вписаться» в максимальную частоту 300 кГц и гарантированно обеспечить приём сигналов с энкодера приёмным устройством ПР103. Но остаётся вопрос: сколько импульсов на оборот будет достаточно для обеспечения точности системы? При обратной связи от выбранного разрешения будет зависеть поведение системы «привод – мотор – энкодер».
Программы обработки сигналов с инкрементного энкодера на языке FBD и ST в среде Owen Logic
Рассмотрим пример на языке FBD с подключением инкрементного энкодера к дискретным входам типа «Д» в программируемых реле ПР103, ПР205 [1], [2]. Конечно, речь идёт о системах, где имеет место вращение вала исполнительного механизма со сравнительно небольшой частотой. В табл. 2 приведены характеристики дискретных входов типа «Д» для ПР103.

В табл. 3 приведены характеристики дискретных входов типа «Д» для ПР205.

В общем случае максимальная частота, воспринимаемая дискретным входом типа «Д», зависит от времени цикла пользовательской программы, скважности импульсов и установленного времени фильтра.
Пусть требуется выбрать энкодер для контроля максимальной скорости вращения вала 100 об/мин для подключения к ППУ с F = 500 Гц. Для предварительного расчёта возьмём К = 2, тогда
N = 60 × 500[Гц]/2 × 100[об/мин] = = 150 имп/об.
Стандартным ближайшим числом для энкодера E50S8 является 192. Для вышеуказанной задачи для подключения к входам типа «Д» ПР103 подойдёт энкодер E50S8-192-3-T-24 (максимальная выходная частота импульсов – 300 кГц). Проверить максимальную частоту импульсов с энкодера можно по формуле:
(100[об/мин]/60) × 192 = 333 Гц.
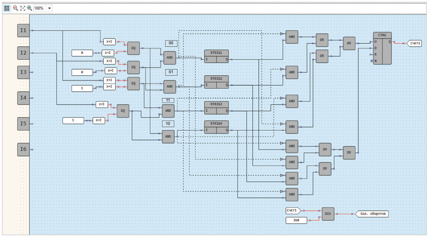
Если разрешение энкодера кратно числу 1024 (210), то полученное значение (отслеживаемое число импульсов с энкодера) можно перевести в двоичный код. Если разрешение энкодера кратно числу 360, то полученное значение можно перевести в угол поворота. Программа на языке FBD в среде OWEN Logic для обработки сигналов с энкодера приведена на рис. 8.

Программа приведена для энкодера E50S8-360-3-T-24 с частотой импульсов за один оборот – 360. Количество импульсов подсчитывается в переменной «Счёт1» (тип переменной – целочисленная).
Количество оборотов вала энкодера подсчитывается в переменной «Кол. оборотов» (тип переменной – целочисленная). Кроме разработки программы на графическом языке FBD в последних версиях OWEN LOGIC для реле ПР205 доступно создание пользовательских функций на языке ST. На рис. 9 приведено подключение макроса «encoder1» в среде OWEN Logic.

На рис. 9 макрос подключён к дискретным входам типа «Д». На рис. 10 приведена программа на языке ST для макроса «encoder1».

На рис. 10 Q – выходная целочисленная переменная, в которой происходит подсчёт импульсов.
Заключение
Аппаратные и программные ресурсы современных программируемых реле позволяют подключать к ним инкрементные энкодеры, решая при этом следующие задачи в средствах автоматизации и числового программного управления, промышленной робототехнике:
- определение угла поворота вала в электроприводе;
- определение угловой скорости вращения вала;
- определение количества оборотов вала.
Для подсчёта количества импульсов в среде Qwen Logic можно воспользоваться готовыми шаблонами. При выборе энкодера для подключения к программируемому реле в изделии следует учесть следующие факторы:
- тип выходного сигнала, напряжение питания энкодера (целесообразно, если напряжение питания реле и энкодера – одинаковые);
- количество импульсов на оборот, значение данного параметра прямо пропорционально точности измерений (разрешение энкодера);
- в каждой конкретной задаче для подключения к программируемому реле необходимо выбрать энкодер с оптимальным разрешением.
Литература:
- Руководство по эксплуатации. Устройство управляющее многофункциональное ПР103.
- Руководство по эксплуатации. Устройство управляющее многофункциональное ПР205.
- ГОСТ 26242-90. Системы числового программного управления. Преобразователи перемещений. Общие технические условия.
- URL: www.skbis.ru.
© СТА-ПРЕСС, 2025
Если вам понравился материал, кликните значок — вы поможете нам узнать, каким статьям и новостям следует отдавать предпочтение. Если вы хотите обсудить материал —не стесняйтесь оставлять свои комментарии : возможно, они будут полезны другим нашим читателям!

