Введение
Комплексная система безопасности предприятий, офисов, складов и пр. создаётся для обеспечения необходимого уровня защищённости объекта. И важным звеном такой системы является система охранно-пожарной сигнализации – ОПС. В зависимости от уровня важности защищаемого объекта, его категории определяется структура и её состав.
ОПС – это совокупность совместно действующих технических средств обнаружения проникновения нарушителя на охраняемых объектах и (или) возникновения пожара на них, передачи, сбора, обработки и отображения информации в заданном виде.
В составе любой ОПС имеется прибор – приёмно-контрольный ППК. Это техническое средство ОПС, выполняющее функции сбора и обработки информации от охранных или пожарных извещателей (которые могут быть подключены в шлейф) и выдачи тревожных сообщений на пульт центрального наблюдения ПЦН, а также формирования управляющих сигналов для системы оповещения и ликвидации угроз. Шлейф охранно-пожарных извещателей – электрическая цепь, соединяющая выходные цепи охранных (пожарных, охранно-пожарных) извещателей, включающая в себя вспомогательные (выносные) элементы (диоды, резисторы, конденсаторы и т.п.) и соединительные провода, предназначенные для передачи на приёмно-контрольный прибор извещений о проникновении, попытке проникновения и неисправности, а в некоторых случаях и для подачи электропитания на извещатели.
ППК должен обеспечивать выполнение следующих основных функций:
- приём сигналов от извещателей и других устройств, включённых в шлейфы сигнализации;
- формирование извещений для передачи на ПЦН ОПС (для ППК централизованной сигнализации или на другой ППК);
- контроль исправности шлейфов сигнализации и каналов связи;
- управление световыми и/или звуковыми оповещателями, средствами отображения информации и другими объектовыми устройствами;
- управление постановкой на охрану и снятием с охраны.
Приборы приёмно-контрольные классифицируются по следующим признакам:
- по виду организации тревожной сигнализации;
- по способу контроля извещателей;
- по структуре шлейфов сигнализации;
- по информационной ёмкости;
- по виду канала связи с извещателями;
- по информативности.
На ответственных объектах в состав системы охранно-пожарной сигнализации входит автоматизированное рабочее место диспетчера АРМ. На рис. 1 приведён внешний вид серийно выпускаемых ППК «Гранит».
ППК для неадресных извещателей на базе ПР205
По способу контроля извещателей ОПС могут быть следующих типов:
- неадресные (аналоговые);
- адресные;
- комбинированные.
В статье представлен ППК, который задействован в неадресной ОПС. Неадресные системы строятся по следующему принципу. Охраняемый объект разбивается на сектора прокладкой отдельных шлейфов, объединяющих некоторое количество извещателей. При срабатывании любого датчика подаётся сигнал тревоги по всему шлейфу. Решение о возникновении события «принимает» только извещатель, работоспособность которого можно проверить только во время технического обслуживания ОПС. Стоимость такой системы относительно низкая, хотя и необходимо прокладывать большое количество шлейфов. Структурная схема ОПС с представляемым ПКП приведена на рис. 2.

На структурной схеме представлены следующие составные части: ПЦН (позиционное обозначение – А1); система передачи извещений А2; автоматизированное рабочее место оператора АРМ А3; ППК А4; шлейф с пожарными извещателями ВО1; шлейф с охранными извещателями ВО2; оповещатель пожарной сигнализации О1; оповещатель охранной сигнализации О2; модуль электропитания U1. В качестве оповещателей могут быть задействованы следующие устройства:
- звуковая сигнализация (ревун, сирена и др.);
- световая сигнализация (лампочки, световые полосы, стробоскоп и др.).
Устройство выполнено на базе программируемого реле ОВЕН ПР205-24.1211.02.2.0 (далее программируемое реле или ПР205). Внешний вид программируемого реле ПР205 приведён на рис. 3.

ПР205 предназначено для построения простых автоматизированных систем управления технологическим оборудованием и программируется в среде Owen Logic на языке FBD. Пользовательская программа записывается в энергонезависимую флеш-память прибора.
Прибор поддерживает следующие функции:
- работа по программе, записанной в память;
- отображение данных и мнемосхем на графическом цветном экране;
- ввод и редактирование данных с помощью кнопок на лицевой панели;
- работа в сети RS-485 по протоколам Modbus RTU/Modbus ASCII в режиме Master или Slave;
- работа в сети Ethernet по протоколу Modbus TCP в режиме Slave;
- обработка входных сигналов от датчиков;
- управление подключёнными устройствами с помощью дискретных или аналоговых сигналов.
Более подробно работа ПР205 рассмотрена в [1]. В описываемом устройстве ПР205 выполняет следующие функции:
- осуществляет контроль тока в шлейфе (контроль режима функционирования шлейфа);
- работа по заданному алгоритму;
- управление исполнительными устройствами;
- передача по последовательному сетевому интерфейсу (RS-485) данных в центральный диспетчерский пункт ОС;
- обмен данными по сетевым интерфейсам c АРМ;
- отображение сигналов при функционировании устройства на графическом цветном экране.
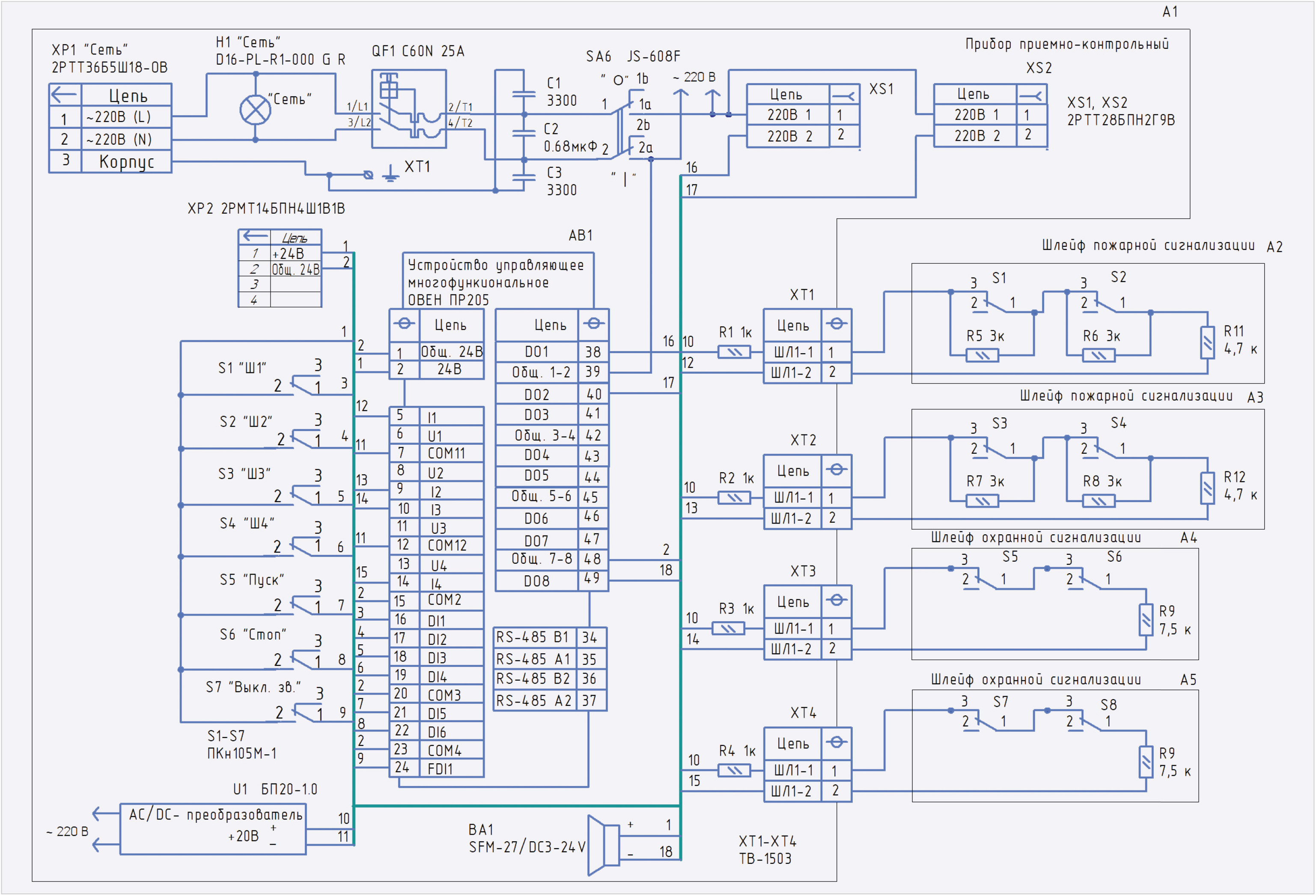
Для передачи извещений на ПЦН или на АРМ в ПР205 могут быть задействованы сетевые интерфейсы (2× RS-485 или Ethernet). На рис. 4 приведена принципиальная схема ОПС с ППК на базе ПР205.

ОПС состоит из следующих составных частей: ППК на базе ПР205 (позиционное обозначение – А1); шлейфы с нормально замкнутыми пожарными извещателям А2, А3; шлейфы с охранными извещателями А4, А5.
В состав ППК входят: ПР205 АВ1; кнопки управления S1–S7; лампа H1; модуль питания U1; звуковой пьезоизлучатель ВА1; клеммные колодки ХТ1–ХТ4. К соединителям XS1 и XS2 подключаются соответственно пожарные и охранные оповещатели. Сетевое напряжение 220 В поступает на соединитель ХР1. Напряжение 24 В поступает на соединитель ХР2.
Функциональное назначение резисторов в ОПС следующее:
- R1–R4 – ограничительные резисторы тока в шлейфах;
- R5–R8 – балластные резисторы для пожарных извещателей;
- R9–R12 – оконечные резисторы.
Рассмотрим работу принципиальной схемы. Шлейф пожарной сигнализации А2 (далее ШС1) с двумя пожарными извещателями на размыкание S1 и S2 подключается к ПКП А1 через клеммную колодку ХТ1. Данный шлейф имеет 5 режимов функционирования:
- режим «обрыв шлейфа»;
- срабатывание одного извещателя S1 на размыкание (режим «Пожар1»);
- срабатывание двух извещателей S1, S2 на размыкание (режим «Пожар 2»);
- рабочий «дежурный» режим;
- режим «короткое замыкание».
Параметры ШС1 для различных режимов функционирования приведены в табл. 1.

При подсчёте общего сопротивления шлейфа учитывается ограничительный резистор R1 в ПКП. Сопротивлением кабеля и током утечки между проводами шлейфа можно пренебречь. Для того чтобы минимизировать разброс параметров шлейфа, целесообразно применить в качестве ограничительных и балластных прецизионные резисторы. Шлейф пожарной сигнализации А3 (далее ШС2) подключается к ПКП А1 через клеммную колодку ХТ2. Его параметры аналогичны ШС1. Шлейф охранной сигнализации А4 (далее ШС3) подключается к ПКП А1 через клеммную колодку ХТ3. Параметры ШС3 для различных режимов функционирования приведены в табл. 2.

Шлейф охранной сигнализации А5 (далее ШС4) подключается к ПКП А1 через клеммную колодку ХТ4. Его параметры аналогичны ШС3.
В ПР205 имеется четыре универсальных аналоговых входа типа «ДАТ». То есть к данным входам можно подключить четыре независимых шлейфа с охранно-пожарными извещателями. Характеристики данных входов приведены в режиме «аналогового входа 1» в табл. 3.

Режим работы входов типа «ДАТ» в ППК сконфигурирован как измерение тока 4–20 мА. При контроле неадресных шлейфов по напряжению данные входы в ПР205 могут быть сконфигурированы на измерение напряжения 0–10 В. Пожарные извещатели (S1–S4) могут быть применены следующих типов:
- пожарные ручные ИП535-8-А;
- пожарные тепловые ИП101-1А-А1/А3 и ИП101-3А-А3R;
- пожарные дымовые ИП212-63 «ДАНКО» и ИП212-63М «ДАНКО вариант 2».
Охранные извещатели (S5–S8) могут быть применены следующих типов:
- охранные оптико-электронные «Рапид» вар. 1, 2, 4, 5, «Рапид-3» вар. 1, 2, «Рапид-10» вар. 1, 2, «Рапид Эк»;
- охранные магнитоконтактные ИО102-32 «ПОЛЮС-2»;
- охранные звуковые (разбития стекла) «СОНАР», «СОНАР-2».
Программа на языке FBD в среде QWEN LOGIC для ПКП
Прибор имеет следующие основные режимы работы.
Для охранной сигнализации:
- режим «Снят с охраны»;
- режим «Постановка на охрану»;
- режим «Охрана» («Дежурный» режим);
- режим «Тревога».
Для пожарной сигнализации:
- режим «Снят с охраны»;
- режим «Дежурный»;
- режим «Пожар1»;
- режим «Пожар2»;
- режим «Пуск» (ручной запуск оповещения о пожаре), «Стоп» (остановка ручного пуска оповещения о пожаре).
Устройство может выдавать следующие основные виды извещений на встроенные индикаторы, внешние оповещатели и сигнальные линии для ПЦН:
- «Норма» – при отсутствии тревог и неисправностей;
- «Тревога» – при срабатывании охранного извещателя в любом охранном ШС;
- «Пожар1» – при срабатывании одного пожарного извещателя в любом пожарном ШС;
- «Пожар2» – при срабатывании двух пожарных извещателей в любом пожарном ШС;
- «Неисправность общая» – при любой общей неисправности шлейфов прибора;
- «Отключение звука» – при отключении звука встроенного сигнализатора с панели прибора.
Скриншот управляющей программы для ПКП в среде OWEN Logic приведён на рис. 5.

В табл. 4 приведено функциональное назначение дискретных и аналоговых входов реле ПР205.

Вход FDI1 сконфигурирован как дискретный. В табл. 5 приведено функциональное назначение дискретных выходов реле ПР205 в устройстве.

В среде QWEN Logic при создании проекта на холсте, у элементов функций (логических, арифметических, сравнения и пр.), взятых из библиотеки, отсутствуют позиционные обозначения с нумерацией. Поэтому для описания алгоритма работы на холсте их приходится делать вручную с помощью блока комментариев.
В скриншоте управляющей программы, представленной на рис. 4, можно выделить семь функциональных блоков:
- блок контроля и обработки сигналов пожарного ШС1 включает в себя: детектор переднего фронта RTRIG1, RS-триггеры RS1, RS2, D-триггер DTRIG1, модули сравнения fGT D17-D20, макрос дешифратора DC1, логический элемент НЕ D1, логические элементы 2И–D2, D11;
- блок контроля и обработки сигналов пожарного ШС2 включает в себя: детектор переднего фронта RTRIG2, RS-триггеры RS3, RS4, D-триггер DTRIG2, модули сравнения fGT D3–D6, макрос дешифратора DC2, логический элемент НЕ D26, логические элементы 2И–D21, D22;
- блок контроля и обработки сигналов охранного ШС3 включает в себя: детектор переднего фронта RTRIG3, RS-триггер RS5, D-триггер DTRIG3, модули сравнения fGT D7, D8; макрос дешифратора DC (ОХ)1; логический элемент НЕ D13, логический элемент 2И D15;
- блок контроля и обработки сигналов охранного ШС4 включает в себя: детектор переднего фронта RTRIG5, RS-триггер RS7, D-триггер DTRIG4, модули сравнения fGT D9, D10; макрос дешифратора DC (ОХ)2; логический элемент НЕ D14, логический элемент 2И D116;
- блок генераторов (макрос BG1);
- модуль охранной сигнализации (макрос MOS1);
- модуль формирования выходных сигналов для ПЦН (элементы D27–D33).
Рассмотрим работу блока контроля и обработки сигналов пожарного ШС1.
Ток в пожарном ШС1 поступает на аналоговый вход AI1. Значения тока контролируются модулями сравнения fGT D17-D20. Код на выходе модулей сравнения fGT D17-D20 соответствует определённому значению тока в шлейфе, а значит, и определённому режиму функционирования пожарного ШС1. В табл. 6 приведены значения рабочего кода для различных режимов функционирования пожарного ШС1.

Данный код поступает на вход дешифратора DC1. В зависимости от его значения соответствующие выходы макроса DC1 после получения сигнала «разрешения» устанавливаются в лог. 1. Выходы макроса DC1 имеют следующее функциональное назначение:
- КЗ – короткое замыкание;
- ПЖ1 – режим «Пожар1»;
- ПЖ2 – режим «Пожар2»;
- ДР – «дежурный» режим;
- Обрыв – обрыв шлейфа.
После нажатия на кнопку S1 «ШС1» импульс сигнала уровня лог. 1 с выхода RTRIG1 установит выход Q1 D-триггера DTRIG1 в лог. 1. На входе «разрешение» макроса DC1 появится лог. 1. Это значит, что работа данного макроса разрешена. Пусть пожарный шлейф ШС1 функционирует в режиме «Пожар1». Это значит, на входе макроса DC1 присутствует код 0001. А на его выходе «ПЖ1» устанавливается лог. 1, которая через элемент D1 поступит на вход S триггера RS2, тем самым устанавливая выход триггера RS2 в лог. 1 (переменная «ПЖ1 (1) С»). Далее лог. 1 поступает на соответствующий вход макроса блока генераторов BG1, а также на вход элемента D28. Данный элемент функционально входит в модуль формирования выходных сигналов для ПЦН. Макрос блока генераторов BG1 необходим для формирования звуковой сигнализации в различных режимах работы ППК, а также для формирования периодических световых сигналов, которые выводятся на дисплей ПР205. Сигнал с макрос-блока генераторов BG1 поступает на звуковой пьезоизлучатель ВА1 (рис. 4). Звуковая сигнализация устройства в зависимости от его состояния приведена в табл. 7.

Блок контроля и обработки сигналов пожарного ШС2 работает совершенно аналогичным образом.
Рассмотрим работу блока контроля и обработки сигналов охранного ШС3.
Ток в охранном ШС3 поступает на аналоговый вход AI3 программируемого реле. Значения тока контролируются модулями сравнения fGT D7, D8. Код на выходе модулей сравнения fGT D7, D8 соответствует определённому режиму функционирования охранного ШС3. В табл. 8 приведены значения рабочего кода для различных режимов функционирования охранного ШС3.

Контрольный код поступает на вход дешифратора DC (ОХ)1. В зависимости от его значения соответствующие выходы макроса DC (ОХ)1 после получения сигнала «разрешения» устанавливаются в лог. 1. Выходы макроса DC1(ОХ) имеют следующее функциональное назначение:
- КЗ – короткое замыкание;
- ДР – дежурный режим;
- Обрыв – обрыв шлейфа (срабатывание охранного датчика).
Пусть охранный ШС3 функционирует в «Дежурном» режиме. После нажатия на кнопку S3 «Ш3» импульс сигнала уровня лог. 1 с выхода RTRIG3 установит выход Q1 D-триггера DTRIG3 в лог. 1. На входе «разрешение» макроса DC (ОХ)1 установится лог. 1. На входе «Пуск/стоп1» макроса MOS1 также установится лог. 1. Это значит, что работа данных макросов разрешена. Прибор переходит в режим «Постановка под охрану». Начинается обратный отсчёт времени постановки времени устройства под охрану «В охрану», который отображается на дисплее ПР205. За это время необходимо закрыть окна, двери и покинуть помещение. Как только параметр принимает нулевое значение, на дисплее ПР205 включается индикатор «Охрана». Прибор переходит в режим «Охрана».
Допустим, злоумышленник пытается проникнуть на объект. Тогда охранный ШС3 переходит в режим «Обрыв шлейфа. Тревога». Это значит, на входе макроса DC (ОХ)1 присутствует код 00. А на его выходе «Обрыв» устанавливается лог. 1, которая через элемент D15 поступит на вход S триггера RS5, тем самым устанавливая выход триггера RS5 в лог. 1 (переменная «Обрыв Трев.» (3) С). Далее лог. 1 поступает на соответствующий вход макроса блока генераторов BG1, а также на вход элемента 2ИЛИ D33 и далее на вход «Дат. охраны» макроса MOS1. Начинается обратный отсчёт времени включения тревоги «Вкл. тр.», который отображается на дисплее ПР205. Как только параметр принимает нулевое значение, на дисплее ПР205 включается индикатор «Тревога». Блок контроля и обработки сигналов охранного ШС4 работает совершенно аналогичным образом. Разобраться в его работе совсем нетрудно.
На рис. 6 приведён скриншот менеджера экранов в среде OWEN Logic в режиме симуляции.

На рисунке приведена экранная форма, которая будет отображаться на экране ПР205. Смоделированы следующие режимы работ устройства:
- пожарный ШС1 функционирует в «дежурном» режиме;
- пожарный ШС2 функционирует в режиме «Пожар2»;
- охранный ШС3 функционирует в «дежурном» режиме;
- охранный ШС4 функционирует в «дежурном» режиме.
Устройство находится в режиме «Охрана». Включён индикатор «Охрана». Включён общий сигнал «Пожар».
Заключение
Существующие методы контроля состояния неадресных ШС сводятся к двум типам:
- контроль по напряжению шлейфа;
- контроль по току шлейфа.
ПР205 позволяет осуществлять контроль ШС как по току, так и по напряжению. Кроме того, узел сети на базе ПР205 с подключёнными двумя модулями расширения ПРМ-24.2 позволяет контролировать двенадцать независимых шлейфов охранно-пожарных сигнализаций. Программируемое реле ПР205 – готовое решение для реализации ППК охранно-пожарных сигнализаций. Фактически разработка ППК на базе ПР205 сводится к разработке специального программного обеспечения для ПР205.
Литература
- Руководство по эксплуатации. Устройство управляющее многофункциональное ПР205.
- ГОСТ Р 53325-2009. Техника пожарная. Технические средства пожарной автоматики.
- ГОСТ 31817.1.1-2012. Системы тревожной сигнализации.
- Приборы приёмно-контрольные и управления охранно-пожарные ГРАНИТ-3, ГРАНИТ-5, ГРАНИТ-8, ГРАНИТ-12. Руководство по эксплуатации САПО.425519.028РЭ.
© СТА-ПРЕСС, 2025
Если вам понравился материал, кликните значок — вы поможете нам узнать, каким статьям и новостям следует отдавать предпочтение. Если вы хотите обсудить материал —не стесняйтесь оставлять свои комментарии : возможно, они будут полезны другим нашим читателям!

