Введение
В промышленной робототехнике, в электромеханических системах, в автоматических системах управления технологическими процессами АСУ ТП, да и в быту существует задача последовательного включения нагрузок во времени (исполнительных устройств, функциональных узлов, модулей питания и пр.). Речь идёт о функционировании нагрузок с выдержками времени в соответствии с заданными пользователем временны́ми диаграммами. Подобные задачи можно решить либо с применением средств релейной автоматики и локальной автоматизации (таймеры, реле времени, счётчики импульсов и пр.), либо с применением более интеллектуальных приборов (программируемые реле, программируемые логические контроллеры, встраиваемые системы и пр.). У каждого решения есть свои плюсы и минусы. Рассмотрим решение с применением промышленных средств локальной автоматизации. Временна́я диаграмма работы устройства, которое реализует последовательное включение трёх нагрузок во времени, приведена на рис. 1.

Данная временна́я диаграмма представляет собой последовательность включённых и выключенных состояний нагрузок. На рис. 1 высокие и низкие уровни сигналов показаны условно. Высокому уровню сигналов соответствует включённое состояние соответствующей нагрузки, а низкому уровню сигналов – выключенное. Режим формирования временно́й диаграммы в устройстве может быть однократным или циклическим. На рис. 1 приведена диаграмма с однократным способом исполнения. Назначение временны́х интервалов на рис. 1 следующее:
- Т – общее время исполнения диаграммы;
- Т21 – задержка включения для нагрузки № 1 после команды «разрешение работы» устройства (или после команды разрешения выполнения диаграммы в устройстве);
- Т11, Т12, Т13 – интервалы для включения нагрузок № 1, № 2, № 3;
- Т22, Т23 – интервалы между включениями нагрузок (или Т22 – задержка включения нагрузки № 2 после выключения нагрузки № 1; Т23 – задержка включения нагрузки № 3 после выключения нагрузки № 2).
То есть последовательность отработки временны́х интервалов следующая: Т21, Т11, Т22, Т12, Т23, Т13. При установке конкретных значений временны́х интервалов в режиме «конфигурация» любой из интервалов может принимать нулевое значение. В циклическом режиме формирования временно́й диаграммы начинается бесконечное повторение всех заданных интервалов в диаграмме в установленном порядке. Например, в циклическом режиме для рис. 1 после выполнения интервала Т13 начнётся выполнение интервала Т21.
Устройство для автоматического последовательного включения нагрузок во времени с однократным исполнением временно́й диаграммы на базе промышленных реле времени ЭРКОН-215 и ЭРКОН-224
Структурная схема вышеуказанного устройства на базе промышленных реле времени ЭРКОН-215 и ЭРКОН-224 приведена на рис. 2.

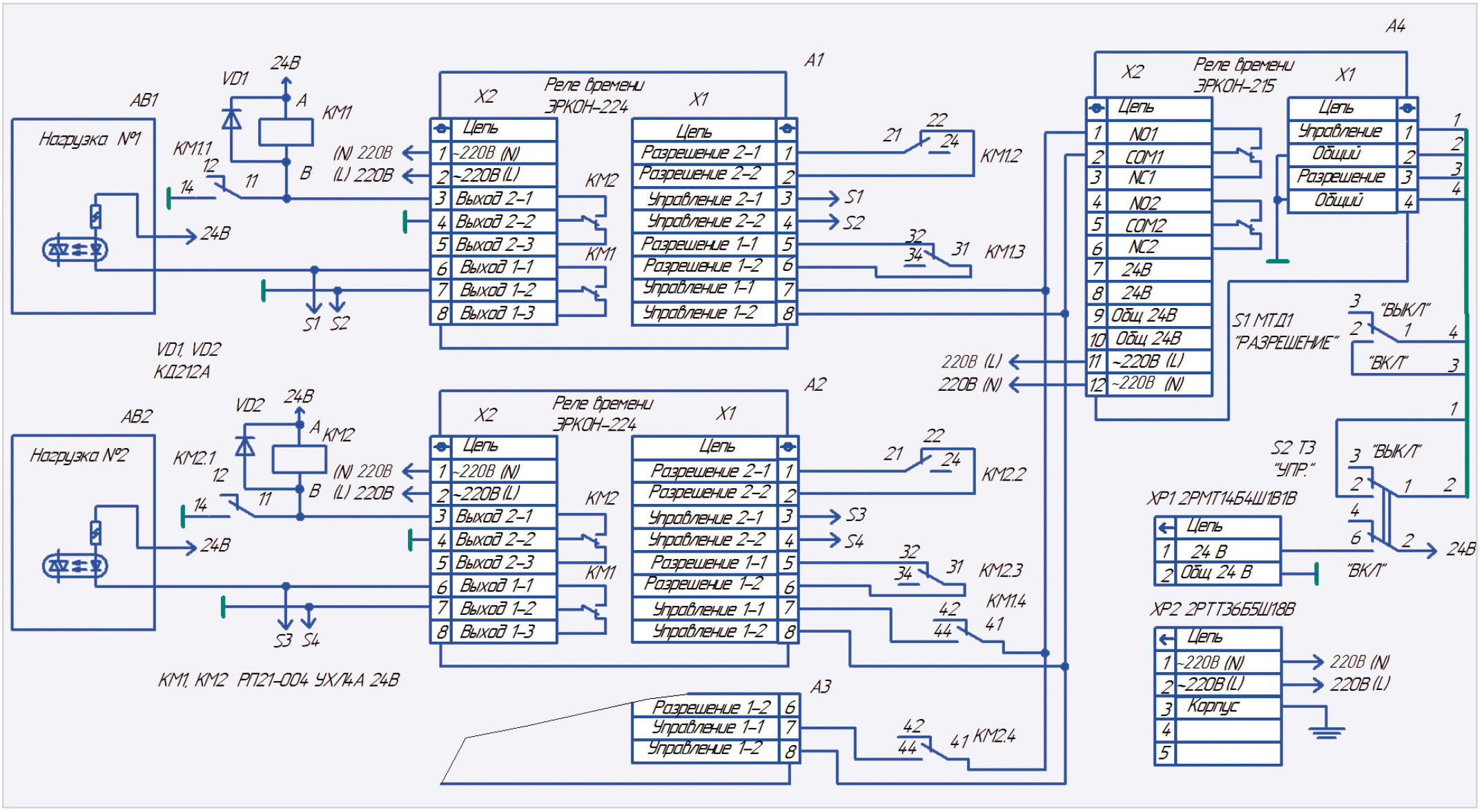
Количество подключаемых нагрузок в устройстве может быть от 1 до 49. Для лучшего понимания работы устройства на рис. 3 приведена принципиальная схема для работы только с двумя нагрузками, с однократным исполнением временно́й диаграммы. Разобравшись в работе схемы, не составит труда подключить к устройству остальные нагрузки.

Внешний вид реле времени ЭРКОН-215 приведён на рис. 4.

Внешний вид реле времени ЭРКОН-224 приведён на рис. 5.

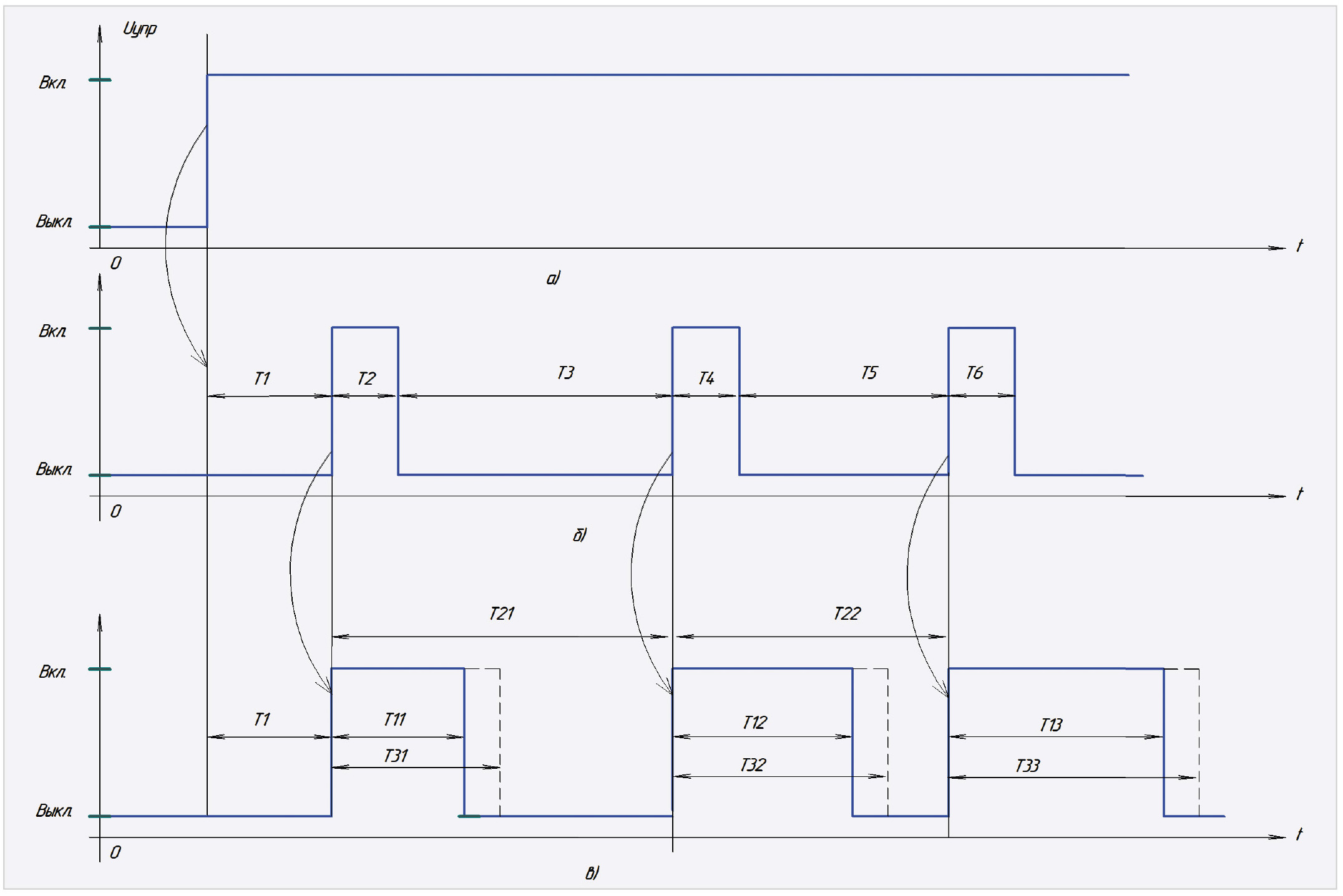
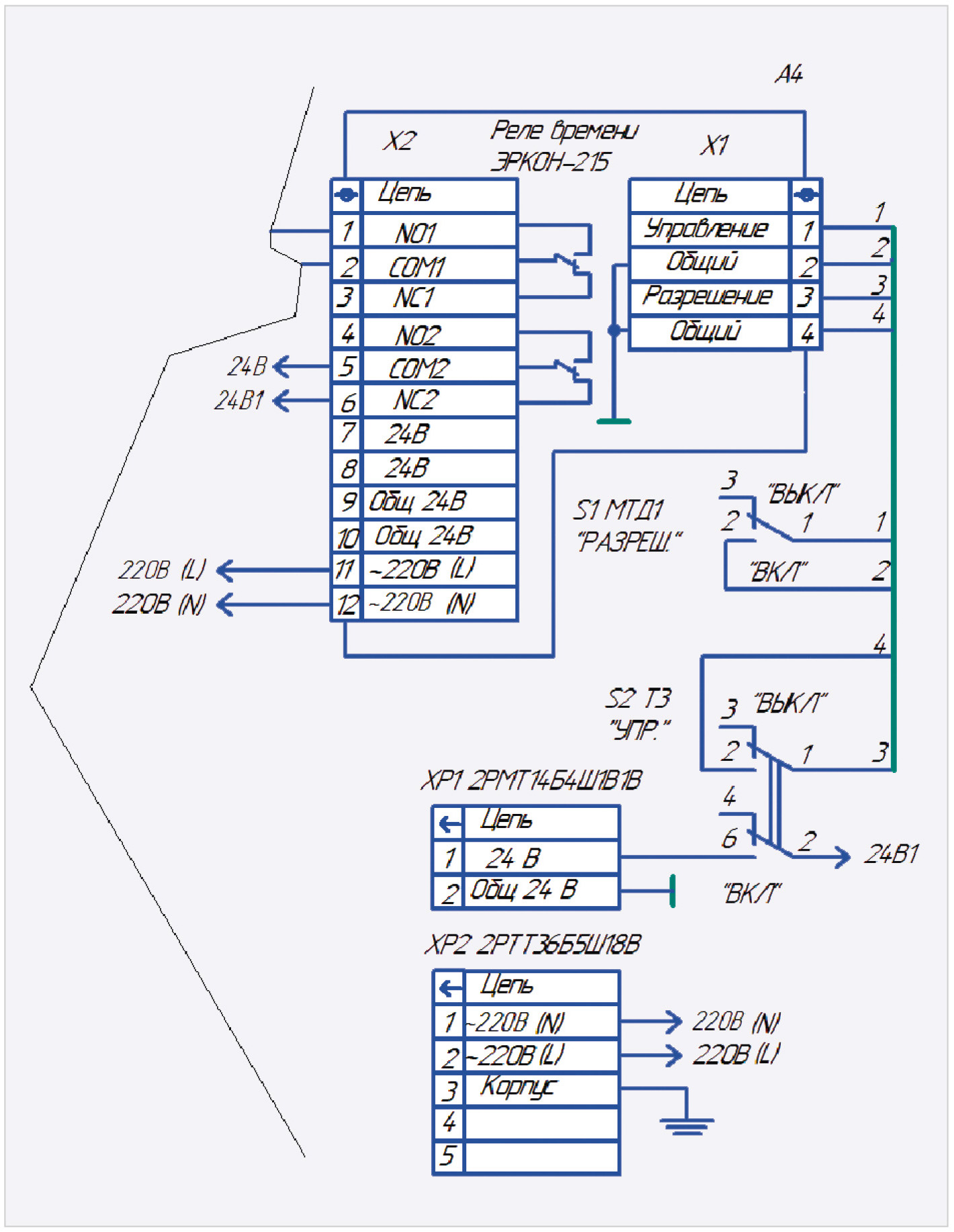
Работу устройства определяет реле времени ЭРКОН-215 (далее ЭРКОН-215). В его состав входит: основное выходное реле (клеммы Х2:1–Х2:3) и дополнительное выходное реле (клеммы Х2:4–Х2:6). Диаграмма работы основного выходного реле для ЭРКОН-215 приведена на рис. 6.

На рис. 6 во временно́й диаграмме нечётным номерам интервалов (Т1, Т3, Т5) соответствует выключенное (обесточенное) состояние основного выходного реле ЭРКОН-215, а чётным номерам (Т2, Т4, Т6) – включённое. Т – время исполнения всей диаграммы. Количество временны́х интервалов во временно́й диаграмме задаётся пользователем в пределах от 2 до 99 в режиме «Конфигурирование» (на рис. 6 приведены только шесть интервалов Т1–Т6). Если допустить, что подключённые нагрузки должны включаться только по чётным номерам, то их количество может быть доведено до 49. Непосредственно в устройстве для включения нагрузки задействовано двухканальное реле ЭРКОН-224 (далее ЭРКОН-224). Соответственно количество ЭРКОН-224 в устройстве должно быть равно количеству подключаемых нагрузок. Первый интервал Т1 является нечётным, то есть является паузой. Поэтому нет смысла во временно́й диаграмме, состоящей из одного временно́го интервала. Если же нужна диаграмма, состоящая только из одного импульса, то нужно задать два временны́х интервала (Т1 и Т2) и длительность паузы (длительность первого интервала) задать равной нулю. Длительность каждого из интервалов выбирается независимо от других интервалов в пределах одного и того же временно́го диапазона уставок. Диапазоны временны́х уставок для некоторых конкретных модификаций ЭРКОН-215 и ЭРКОН-224 приведены в табл. 1.

Для того чтобы полностью определить временну́ю диаграмму в ЭРКОН-215, необходимо задать следующее:
- количество временны́х интервалов во временно́й диаграмме;
- длительность каждого из интервалов;
- способ исполнения временно́й диаграммы – однократный или цикличный;
- условия запуска временно́й диаграммы.
Все эти факторы задаются как значения параметров в режиме «конфигурирование». Для работы устройства в однократном режиме необходимо перевести ЭРКОН-215 в режим работы однократного исполнения временно́й диаграммы.
В реле ЭРКОН-215 предусмотрено четыре способа запуска временно́й диаграммы:
- запуск временно́й диаграммы по переднему фронту сигнала «управление»;
- запуск временно́й диаграммы по заднему фронту сигнала «управление»;
- запуск и исполнение временно́й диаграммы при наличии высокого уровня сигнала «управление»;
- запуск и исполнение временно́й диаграммы при наличии низкого уровня сигнала «управление».
Каждый канал ЭРКОН-224 может функционировать в соответствии с одной из одиннадцати временны́х диаграмм. Номера диаграмм для ЭРКОН-224 приводятся по внутрифирменной классификации изготовителя. Вид временны́х диаграмм задаётся независимо для каждого канала при конфигурировании и сохраняется в энергонезависимой памяти. В устройстве канал № 1 ЭРКОН-224 функционирует в соответствии с диаграммой № 1. Канал № 2 ЭРКОН-224 функционирует в соответствии с диаграммой № 10. Временна́я диаграмма № 1 реле ЭРКОН-224 приведена на рис. 7.

Временна́я диаграмма № 10 реле ЭРКОН-224 приведена на рис. 8.

При выполнении диаграммы № 1 происходит включение на заданный интервал времени. Запуск временно́й диаграммы в каждом канале − передним фронтом соответствующего «сигнала управления». Во время исполнения диаграммы изменение состояния «сигнала управления» значения не имеет. При выполнении диаграммы № 10 происходит задержка на включение. Выключение выходного реле канала № 2 при выполнении диаграммы № 10 происходит по заднему фронту «сигнала управления».
Для запуска и останова выполнения временны́х диаграмм в ЭРКОН-215 и в каждом канале ЭРКОН-224 предусмотрено два внешних управляющих сигнала: «сигнал управления» и «сигнал разрешения». Состояние вышеуказанных сигналов в зависимости от состояния соответствующих клемм приведено в табл. 2.

В ЭРКОН-215 входные сигналы кроме сигнала типа «сухой контакт» (состояния сигналов в зависимости от состояния клемм в реле приведены в табл. 1) могут быть следующих типов: «открытый коллектор» и «логический сигнал с инверсной логикой». На принципиальной схеме к данным контактам подключён тумблер S2 «УПР». На рис. 9 приведено исполнение временно́й диаграммы устройства по переднему фронту «сигнала управления» в ЭРКОН-215.

Временна́я диаграмма работы основного выходного реле ЭРКОН-215 приведена на рис. 9б. Временна́я диаграмма работы выходных реле каналов № 1 и № 2 ЭРКОН-224 приведена на рис. 9в.
Алгоритм работы устройства следующий. В режиме «конфигурация» в ЭРКОН-215 устанавливаются следующие параметры:
- количество временны́х интервалов во временно́й диаграмме определяется количеством подключаемых нагрузок (интервалы Т1–Т6 по рис. 9б);
- длительность каждого из интервалов (определяется технологическим процессом и работой ЭРКОН-215 в устройстве);
- способ исполнения временно́й диаграммы – однократный;
- условия запуска временно́й диаграммы (по переднему фронту).
В режиме «конфигурация» в ЭРКОН224 (А1–А3 по рис. 3) устанавливаются следующие параметры:
- задать способ взаимодействия каналов «независимая работа»;
- задать в канале 2 временну́ю диаграмму № 10;
- задать номер диапазона временно́й уставки второго канала (определяется технологическим процессом);
- задать уставки временны́х интервалов канала 2 (для А1 – Т11, для А2 – Т12, для А3 – Т13 по рис. 9в);
- задать в канале 1 временну́ю диаграмму № 1;
- задать номер диапазона временно́й уставки первого канала (определяется технологическим процессом);
- задать уставки временны́х интервалов канала 1 (для А1 – Т31, для А2 – Т32, для А3 – Т33 по рис. 9б).
Задаваемые номера диапазонов временны́х уставок для некоторых модификаций ЭРКОН-215 и ЭРКОН-224 приведены в табл. 1. После подачи питающих напряжений в устройстве необходимо установить тумблеры S1 «РАЗРЕШ» в положение «ВКЛ». После установки тумблера S2 «УПР» в положение «ВКЛ» начинается работа временно́й диаграммы, установленной в ЭРКОН-215 (А4 по рис. 3). Группы контактов КМ1.2 и КМ1.3 реле КМ1 подают сигналы «разрешение 2» и «разрешение 1» соответственно для каналов № 1 и № 2 ЭРКОН-224 А1. Через время Т1 (рис. 9б) замыкаются контакты Х2:1 и ХТ:2 ЭРКОН-215 А4. (Высокому уровню сигналов на рис. 9 соответствует включённое состояние выходных реле, а низкому уровню сигналов – выключенное.) Данный сигнал поступает на вход «управление 1» канала 1 ЭРКОН-224. В данном канале начинается исполнение диаграммы № 1. При этом контакты Х2:6 и Х2:7 ЭРКОН-224 замыкаются. Это значит, что включается нагрузка № 1 и подаётся сигнал «управление 2» на канал № 2. То есть в данном канале начинается исполнение диаграммы № 10. Через время Т11 (рисунок 9в) включается «Выход 2» (замыкаются клеммы Х2:3, X2:4 в А1). Включается реле КМ1. Группа контактов КМ1.1 замыкается. Реле КМ1 при этом будет включено постоянно. Группы контактов КМ1.2 и КМ1.3 размыкаются. Сигналы «разрешение 2» и «разрешение 1» в ЭРКОН-224 снимаются. Нагрузка № 1 выключается. Понятно, что реле КМ1 должно включиться раньше, чем закончится интервал Т31 в диаграмме № 1, поэтому Т31 ˃ Т11 (и далее Т32 ˃ Т12, Т33 ˃ Т13).
Контакты 41 и 44 в группе КМ1.4 замыкаются. Это значит, что как только «подойдёт» второй импульс с ЭРКОН-215 (Т4 по рис. 9б), то включится только реле ЭРКОН 224 А2. «Выход1» данного реле включит нагрузку № 2 на интервал времени Т12 (рис. 9в).
По окончании Т12 включится реле КМ2. Контакты 41 и 44 в группе КМ2.4 замыкаются. Это значит, что как только «подойдёт» третий импульс с ЭРКОН-215 (Т6 по рис. 9б), то включится только реле ЭРКОН 224 А3 и т.д. И включится нагрузка № 3 (на рис. 3 не показана). Таким образом, количество подключаемых нагрузок может быть увеличено до 49. При этом в устройстве количество ЭРКОН-224 и реле РП-21-004 (КМ1 по А3) тоже должно быть увеличено до 49.
Получается, что ЭРКОН-215 задаёт интервалы между включениями нагрузок. Модуль, выполненный на реле КМ1 и ЭРКОН-224 А1, задаёт только временно́й интервал включения нагрузки № 1. Который должен закончиться раньше, чем включится нагрузка № 2. Соответственно, модуль, выполненный на реле КМ2 и ЭРКОН-224 А2, задаёт временно́й интервал включения нагрузки № 2 и т.д. Если необходимо включение нагрузки № 1 сразу после установки тумблера SA2 в положение «ВКЛ», то нужно в ЭРКОН-215 в режиме конфигурации задать временно́й интервал Т1 равным нулю. Так как исполнение временно́й диаграммы однократное, то для её перезапуска необходимо установить тумблер SA2 «УПР» в положение «ВЫКЛ», а потом в положение «ВКЛ».
Устройство на базе промышленных реле времени ЭРКОН-215 и ЭРКОН-224 для автоматического последовательного во времени включения нагрузок с циклическим исполнением временно́й диаграммы
Фрагмент принципиальной схемы устройства для работы в циклическом режиме приведён на рис. 10.

При циклическом режиме работы временны́е диаграммы, «зашитые» в ЭРКОН-215, периодически повторяются. Для циклического исполнения алгоритма работы устройства, приведённого на рис. 3, необходимо, чтобы после однократного исполнения временно́й диаграммы были установлены в исходное состояние «триггеры», выполненные на реле КМ1, КМ2 и т.д. В схеме, приведённой на рис. 10, питающее напряжение 24 В для реле КМ1, КМ2 поступает через группу контактов тумблера S2 и группу контактов дополнительного выходного реле в ЭРКОН-215 (клеммы Х2.5, Х2.6). В этом заключается отличие принципиальной схемы, приведённой на рис. 3, от схемы, приведённой на рис. 10. Кроме того, необходимо дополнительно сконфигурировать ЭРКОН-215 следующим образом:
- установить режим работы основного и дополнительного выходных реле – режим «индикации останова временно́й диаграммы». В данном режиме дополнительное выходное реле включается в момент окончания исполнения временно́й диаграммы, а выключается после выдержки времени Тв;
- установить выдержку времени Тв для дополнительного выходного реле в ЭРКОН-215.
То есть после каждого исполнения временно́й диаграммы клеммы Х2.5, Х2.6 в ЭРКОН-215 размыкаются на время Тв.
При этом катушки реле КМ1, КМ2 обесточиваются. Все группы контактов КМ1.1–КМ1.4, КМ2.1–КМ2.4 принимают исходное состояние. Далее начинается исполнение временно́й диаграммы в цикле.
Коды параметров для конфигурации отображаются на отдельном 2-разрядном цифровом дисплее ЭРКОН-215 для всех режимов работ. Более подробно работа и технические характеристики ЭРКОН-215 и ЭРКОН-224 приведены соответственно в [1] и [2].
Заключение
Реле времени – это одни из самых простых современных устройств автоматики. В силу своей простоты и интуитивной понятности они до сих пор находят многочисленные применения в различных отраслях промышленности и науки. Несмотря на массовое распространение более интеллектуальных приборов и устройств, способных решать задачи реле времени, рынок последних по-прежнему обширен.
Промышленные реле времени ЭРКОН-215 и ЭРКОН-224 могут применяться в тех задачах, где оператор должен следить за ходом исполнения временно́й диаграммы. Данные реле неплохо «впишутся» в автономную локальную автоматизированную систему управления технологического процесса АСУ ТП или в различные системы автоматики. Временны́е диаграммы программируются с передней панели ЭРКОН-215 и могут содержать до 99 шагов различной длительности, что позволяет программировать диаграммы высокой сложности. Ещё бо́льшую гибкость даёт возможность циклического исполнения программ.
Устройства, реализующие последовательное включение нагрузок во времени, выполненные с применением промышленных реле времени, ЭРКОН-215 и ЭРКОН-224 отличает следующее:
- ремонтопригодность;
- простой пользовательский интерфейс, который способствует быстрому обучению персонала, как ремонтного, так и обслуживающего;
- удобная эксплуатация.
Приведённое устройство может быть применено в качестве дублирующей системы в АСУ ТП, где задаваемые временны́е интервалы являются критически важными.
Литература:
- РЕЛЕ ВРЕМЕНИ ЭРКОН-215 Паспорт ПИМФ.403455.006 ПС.
- РЕЛЕ ВРЕМЕНИ ЭРКОН-224 Паспорт ПИМФ.403455.005 ПС.
- URL: www.теплоприбор.рф.
- URL: www.etalonpribor.ru.
© СТА-ПРЕСС, 2025
Если вам понравился материал, кликните значок — вы поможете нам узнать, каким статьям и новостям следует отдавать предпочтение. Если вы хотите обсудить материал —не стесняйтесь оставлять свои комментарии : возможно, они будут полезны другим нашим читателям!

