Введение
Впервые один из авторов данной статьи опубликовал обзор о радиочастотных соединителях, выпускаемых 21 китайской компанией, в 2018 году [1]. Было показано, что китайские компании освоили производство радиочастотных соединителей большинства известных типов. Однако лишь немногие китайские компании выпускали соединители мм-диапазона отдельных типов с предельной частотой 67 ГГц.
Целью данного обзора является знакомство с высокотехнологичными китайскими компаниями – производителями радиочастотных соединителей. В качестве критерия высокой технологичности компании были выбраны 2 показателя.
1. Производство соединителей мм-диапазона длин волн
К соединителям мм-диапазона длин волн относятся: 3.5 mm, 2.92 mm, 2.4 mm, 1.85 mm, 1.35 mm, 1.0 mm, 0.8 mm, SMP и Mini SMP (табл. 1) [2].

Эти данные показывают, что для получения оптимальных параметров (КСВН и потерь) наружный и внутренний проводники коаксиальной линии должны быть изготовлены с микронной точностью. Особенно высокая точность размеров должна быть обеспечена для внутреннего проводника. С ростом предельной частоты допуски на размеры наружного и внутреннего проводников коаксиальной линии уменьшаются до 5–7 мкм (с учётом точности измерительного инструмента). Для обеспечения такой точности необходимы прецизионная механическая обработка и жёсткие требования к чистоте поверхности и к её покрытиям. Поэтому из всех радиочастотных соединителей наиболее сложные в изготовлении – соединители мм-диапазона.
2. Освоение за короткое время производства новых соединителей, созданных ведущими зарубежными компаниями в последние годы
Второй показатель, по нашему мнению, обусловлен тем, что радиочастотные соединители постоянно совершенствуются, появляются новые типы соединителей: с предельной частотой 145 ГГц, вертикальные для соединения перпендикулярно с печатной платой, концевые для установки на печатные платы без применения низкотемпературной пайки и др. [3].
Из 21 компании Китая, рассмотренных в работе [1], только 3 компании можно условно считать высокотехнологичными, так как они выпускают отдельные типы соединителей мм-диапазона. Но есть три компании, не рассмотренные ранее, которые отвечают критериям высокой технологичности: Suzhou Таlеnt Microwave Inc., Hualink Technology Со. Ltd. и Mechanc Information Technology Co. Ltd.
О компании Suzhou Talent Microwave
Компания Suzhou Talent Microwave, Inc. (далее Talent) – профессиональный производитель в Китае, который с 2006 года выпускает радиочастотные коаксиальные соединители, кабели и кабельные сборки, а также различные микроволновые компоненты. Компания Talent производит не менее 489 радиочастотных соединителей разных типов, 76 внутрисерийных адаптеров, 183 межсерийных адаптера, радиочастотные кабели 21 типа и 329 кабельных сборок [4]. Компания специализируется на производстве высокочастотных прецизионных коаксиальных соединителей, в том числе соединителей мм-диапазона: 1.0 mm, 1.85 mm, 2.4 mm, 2.92 mm, 3.5 mm, а также соединителей SMP, SSMP (Mini-SMP), 0,8 mm [4]. Продукцию компании применяют более чем в 30 странах для разных радиочастотных систем.
Cоединители мм-диапазона компании Talent
Основные параметры соединителей мм-диапазона компании Talent приведены в табл. 2 [4–11].

Все фланцевые соединители этой компании изготовлены с воздушной коаксиальной линией и с диэлектрическим изолятором из полимера Ultem 1000, корпусом из пассивированной нержавеющей стали и центральным проводником из бериллиевой бронзы или латуни с золотым покрытием.
Cоединители 3.5 mm
Компания Talent выпускает 6 типов фланцевых соединителей розетка серии 3.5-KFD с квадратным и прямоугольным фланцами, соответственно с 4 и 2 крепёжными отверстиями диаметром 2,6 мм и с центральным проводником разных диаметров:
- с 4 крепёжными отверстиями, диаметр центрального проводника 0,23 мм;
- с 4 крепёжными отверстиями, диаметр центрального проводника 0,51 мм;
- с 4 крепёжными отверстиями, диаметр центрального проводника 0,91 мм;
- с 2 крепёжными отверстиями, диаметр центрального проводника 0,23 мм;
- с 2 крепёжными отверстиями, диаметр центрального проводника 0,51 мм;
- с 2 крепёжными отверстиями для вертикальной установки на печатную плату, диаметр центрального проводника 0,91 мм [4].
Cоединители 2.92 mm
Разработаны 397 типов соединителей 2.92 mm: 44 вилки (серия 2.92-JFD) и 353 розетки (серия 2.92-KFD) с центральным проводником различных диаметров: 0,23 мм, 0,30 мм, 0,38 мм, 0,45 мм, 0,51 мм и др. Все соединители фланцевой конструкции с 2 или 4 крепёжными отверстиями диаметром 2,6 мм [5].
Cоединители SMP
Эти соединители не входят в число приоритетных для компании Talent. Выпускаются всего 2 типа соединителей SMP: TLSPM17LF08 и TLSPMS30F04F [6]. TLSPM17LF08 – фланцевая вилка с ограниченным защёлкиванием для поверхностного монтажа на печатные платы c центральным проводником диаметром 0,3 мм. TLSPMS30F04F – фланцевая вилка с полным защёлкиванием для поверхностного монтажа на печатные платы c центральным проводником диаметром 0,3 мм.
Cоединители SSMP (Mini-SMP)
В отдельную группу компания Talent выделила 8 соединителей SSMP [7]. Фактически это герметичные (скорость натекания гелия по спаям: ≤ 1,10–9 Па·м3/с) металлостеклянные СВЧ-вводы, которые почему-то названы адаптерами SSMP вилка. Такие вводы устанавливают низкотемпературной пайкой в корпуса герметичных модулей СВЧ. Разработанные соединители SSMP имеют такие же параметры, как и соединители SMP. Соединители отличаются друг от друга размерами корпуса и «вылета» центрального проводника диаметром 0,38 мм (рис. 1).

Соединители 2.4 mm
Компания Talent выпускает более 150 типов соединителей 2.4 mm: розетки (серии 2.4-KFD) и вилки (серия 2.4-KJD) с квадратным и прямоугольным фланцами разных размеров с центральным проводником следующих диаметров: 0,23 мм, 0,30 мм, 0,38 мм и 0,51 мм [8]. В техническую информацию об этих соединителях серии компания Talent ошибочно включила резьбовые адаптеры SMA 2.4 mm.
Соединители 1.85 mm
Разработано более 70 типов соединителей 1.85 mm: 11 вилок (серия 1.85-KYD), остальные – розетки (серия 1.85-KFD). Доступны следующие диаметры центрального проводника: 0,23 мм, 0,30 мм, 0,58 мм, 0,64 мм и 0,80 мм. Все соединители с квадратными или прямоугольными фланцами разных размеров [9].
Соединители 1.0 mm
Соединители 1.0 mm компании Talent имеют исключительно фланцевую конструкцию с квадратным или прямоугольным фланцем и гнездовым центральным проводником диаметром 1,0 мм, совместимым для контакта со штырём вилки диаметром 0,23 мм (рис. 2) [10].

Разработаны три розетки серии 1.0-KFD и две вилки серии 1.0-KYD. Соединители изготовлены из пассивированной нержавеющей стали с позолоченными латунными или бериллиево-медными центральными контактами.
Соединители 0.8 mm
На международной выставке IMS в 2024 году несколько компаний представили новые соединители 0.8 mm: Anritsu, Flann Microwave, Southwest Microwave, Spinner, Waka Manufacturing и Yuetsu Seiki, а также китайские изготовители Lanjian Electronics и Suzhou Talent [11]. Несомненным показателем высокой технологичности компании Talent является разработка резьбового (резьба на корпусе М3.5×0,35-6g) соединителя 0.8-KFD013 розетка с квадратным фланцем 9,25×9,25 мм с 4 крепёжными отверстиями диаметром 1,7 мм и центральным проводником диаметром 0,13 мм для поверхностного монтажа на печатные платы [12]. Получены следующие результаты измерений в микроволновом диапазоне методом Back-to-Back [2] двух фланцевых соединителей 0.8 mm и СВЧ-ввода между ними: КСВН сборки равен 1,5, а КСВН одного соединителя – 1,24 в диапазоне частот DC – 145 ГГц.
Вводы СВЧ
Большинство соединителей, выпускаемых компанией Talent, – это соединители, заменяемые в полевых условиях, в состав которых входят вводы СВЧ. Разработаны 6 типов металлостеклянных вводов СВЧ с разными диаметрами центрального проводника: 0,23 мм, 0,30 мм, 0,38 мм, 0,46 мм и 0,51 мм [13]. КСВН вводов с предельной частотой 110 ГГц в диапазоне частот DC-40 ГГц менее 1,17, в диапазоне частот 40–67 ГГц – менее 1,29, в диапазоне частот 67–110 ГГц – менее 1,5. Величина потерь не более 0,05√f дБ на частоте f, ГГц. Рабочий диапазон температур: –40…+85ºC. Сопротивление изоляции вводов всех типов ≥ 1000 МОм, герметичность (скорость натекания гелия по спаям) – менее 1·10–9 Па·м3/с. Чем меньше диаметр центрального проводника, тем больше должна быть частота применения ввода. Однако по непонятной причине предельная частота применения вводов всех типов указана одинаковой: 65 ГГц.
Новые разработки соединителей – аналогов ведущих зарубежных компаний
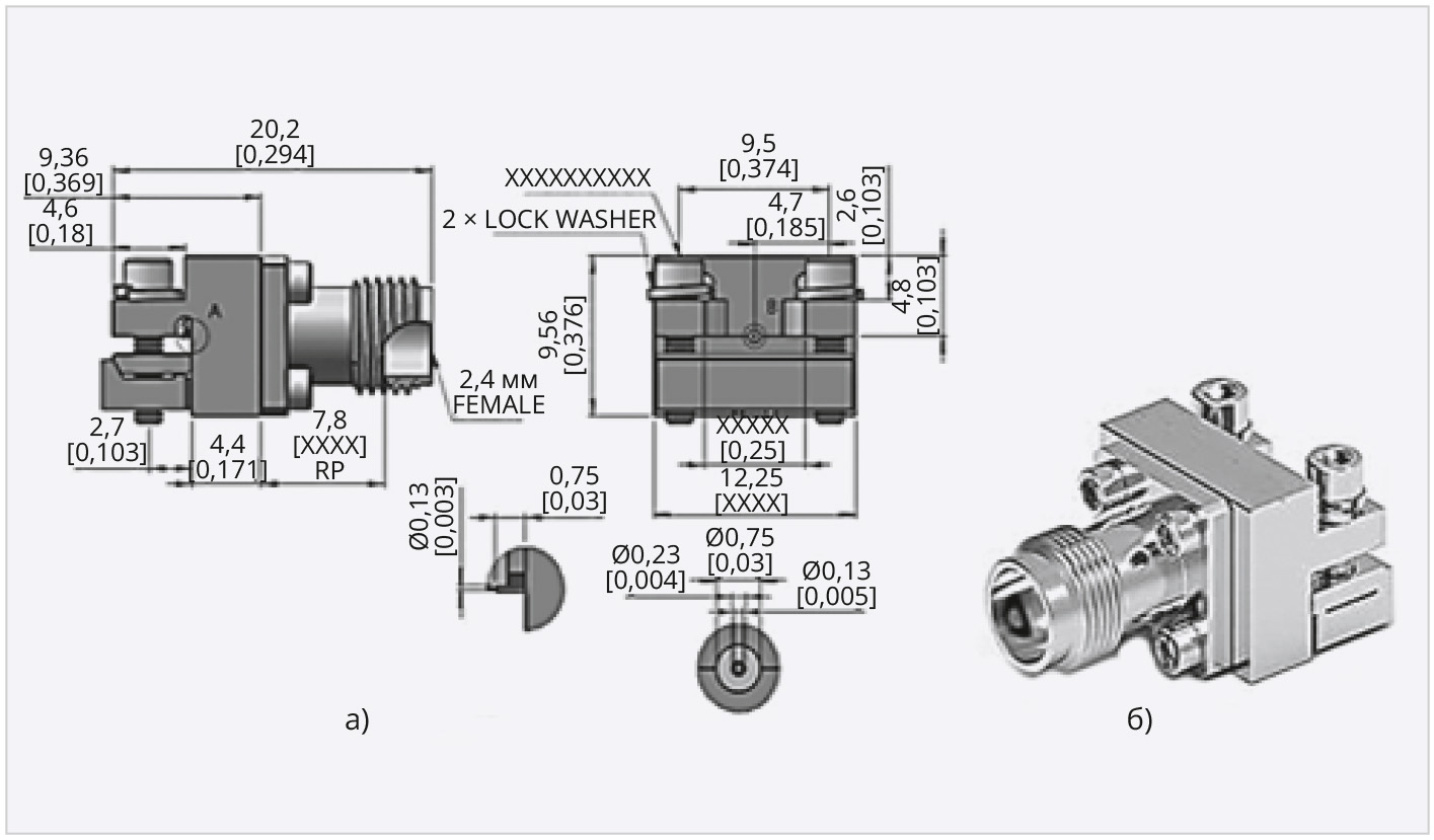
За рубежом разработаны радиочастотные соединители для установки на печатные платы без низкотемпературной пайки: вертикальные и концевые [3]. Компания Talent в короткие сроки освоила производство указанных соединителей, разработав 7 вертикальных соединителей: 2.92 mm, 2.4 мм, 1.85 mm и 1.0 mm [13]. В качестве примера на рис. 3 показаны конструкция и внешний вид одного из соединителей 2.4 mm [13].

В это же время были разработаны 14 типов концевых соединителей: 2.92 mm, 2.4 mm, 1.85 mm и 1.0 mm. Конструкция и внешний вид концевого соединителя 2.4-KFDEL13 розетка приведены на рис. 4.

Соединитель имеет следующие параметры: диапазон рабочих частот DC – 50 ГГц, величина потерь, дБ, на частоте f, ГГц ≤ 0,05√f, КСВН – 1,25, диапазон рабочих температур от –40ºС до +125ºС.
Адаптеры мм-диапазона компании Talent
Общие сведения об адаптерах
Адаптеры применяют для связи устройств, имеющих на выходе радиочастотные соединители, отличающиеся друг от друга:
- размерами коаксиальной линии;
- типом соединителя: розетка или вилка;
- способом соединения вилки и розетки: резьбовое, байонетное, защёлкивание и др.;
- видом резьбы на корпусе: метрическая или дюймовая.
Конструктивно адаптер представляет собой сочетание соединителей с интерфейсами одного или разных типов, соединённых между собой линией передачи. Адаптеры с одинаковыми размерами коаксиальной линии называют внутрисерийными или одноканальными, с отличными размерами коаксиальной линии – межсерийными или межканальными. Базовым обычно считается соединитель вилка или розетка на одной стороне адаптера, который сочетается с соединителями вилка или розетка того же или других типов. Серию адаптеров часто обозначают по типу базового размера коаксиальной линии (интерфейса). Диапазон рабочих частот и электрические параметры межсерийных адаптеров определяются наименьшей предельной частотой соединителя на одной из сторон адаптера.
Компания Talent выпускает все серии адаптеров мм-диапазона: 3.5 mm, 2.92 mm, 2.4 mm, 1.85 mm, SMP, SSMP, 1.35 mm, 1.0 mm и 0.8 mm. Внешний вид адаптеров некоторых серий показан на рис. 5, а их основные характеристики приведены в табл. 3 [13].


Диапазон рабочих частот адаптеров 3.5 mm – 2.92 mm, 3.5 mm – SMP, SMP – 3.5 mm, 3.5 mm – 2.4 mm: DC – 26,5 ГГц, КСВН – 1,15. Диапазон рабочих частот адаптеров 3.5 mm – 1.85 mm и внутрисерийных адаптеров 3.5 mm: DC – 33 ГГц, КСВН – 1,15–1,20 [13].
Все адаптеры мм-диапазона этой компании изготовлены с воздушной коаксиальной линией и с диэлектрическим изолятором из полимера Ultem 1000, корпусом из пассивированной нержавеющей стали (в случае с адаптерами SMP и SSMP ещё и из бериллиевой бронзы) и центральным проводником из бериллиевой бронзы или латуни с золотым покрытием.
Радиочастотный кабель мм-диапазона
Серийно выпускаемый кабель серии A этой компании охватывает диапазон частот от постоянного тока до 80–110 ГГц, имеет высокую механическую и температурную стабильность фазы (в пределах 500 ppm при рабочей температуре) и достаточно низкий уровень вносимых потерь [14]. Внешний вид кабеля серии показан на рис. 6.

Альтернативный кабель серии T – это гибкий кабель с характеристиками, аналогичными полужёстким кабелям. В этой серии продуктов в качестве внешнего проводника используется спиральная намотка из посеребрённой медной ленты. Изоляция кабеля изготовлена из сплошного фторопласта, оплётка – из посеребрённой медной проволоки, что обеспечивает кабелям этой серии хорошие электрические характеристики в диапазоне частот от постоянного тока до 110 ГГц [14]. Внешний вид кабеля серии Т показан на рис. 7.

Наконец, фазостабильный кабель серии UF имеет специальные конструкцию и технологию производства (рис. 8).

Его используют в случаях, когда предъявляются высокие требования к гибкости кабеля и количеству циклов изгиба.
Параметры кабелей мм-диапазона приведены в табл. 4 [14].

Кабельные сборки мм-диапазона компании Talent
Кабельные сборки изготавливают в соответствии с требуемой длиной и характеристиками. Компания Talent разработала большую серию гибких кабельных сборок с низкими потерями и стабильной фазой (500 ppm во всём температурном диапазоне) для применения в радарах с фазированной антенной решеткой и в системах микроволновой связи [14]. Сборки мм-диапазона предназначены для работы в диапазоне частот 40–67 ГГц. Разработаны около 40 типов сборок с соединителями вилка и розетка: 3.5 mm, 2.92 mm, 2.4 mm и 1.85 mm. Типичный внешний вид кабельных сборок показан на рис. 9 на примере сборки с соединителями 2.92 mm вилка [14].

Эта сборка имеет следующие параметры: рабочий диапазон частот DC – 40 ГГц, КСВН не более 1,3, скорость распространения сигнала 80%, экранное затухание 90 дБ, величина потерь на частоте 40 ГГц – 7,6 дБ/м, допустимая пропускаемая мощность на частоте 40 ГГц равна 6 Вт.
На основе сверхгибкого кабеля серии UF созданы сборки 2 типа с соединителями 2.92 mm. Рабочий диапазон частот DC – 40 ГГц. КСВН не более 1,3, скорость распространения сигнала – 74%, величина потерь на частоте 40 ГГц – 3,89 дБ/м, допустимая пропускаемая мощность на частоте 40 ГГц – 16 Вт.
Кроме того, разработана кабельная сборка с соединителями 1.0 mm, имеющая следующие параметры: рабочий диапазон частот DC – 110 ГГц, КСВН не более 1,4, величина потерь на частоте 110 ГГц – 12,3 дБ/м, допустимая пропускаемая мощность на частоте 110 ГГц – 3 Вт [14].
Suzhou Talent Microwave Inc. – многопрофильная компания, в состав продукции которой входят усилители мм-диапазона, аттенюаторы, фазовращатели, делители мощности, нагрузки, радиочастотные фильтры и многое другое [15].
Во второй части статьи рассмотрены компании Hualink Technology Со. Ltd. и Mechanc Information Technology Co. Ltd.
Литература
- Джуринский К.Б. Радиочастотные соединители, адаптеры и кабельные сборки. М.: ООО «ВАШ ФОРМАТ», 2018. 400 с.
- Джуринский К.Б. Радиочастотные соединители и помехоподавляющие фильтры. М.: ООО «ВАШ ФОРМАТ», 2024. 380 с.
- Джуринский К.Б. Зарубежные вертикальные радиочастотные соединители для установки на печатные платы без пайки. Справочные материалы // Электроника НТБ. 2025. № 1. С. 106–114.
- Connectors/Adapters | Suzhou Talent Microwave Inc. URL: https://www.talentmw.com.
- 2.92 мм Connector Series (DC~40 GHz). URL: https://www.talentmw.com.
- SMP Connector Series (DC~40 GHz.). URL: https://www.talentmw.com.
- SSMP Connector Series (DC-40 GHz). URL: https://www.talentmw.com.
- 2.4 мм Connector Series (DC~50 GHz). URL: https://www.talentmw.com.
- 1.85 мм Connector Series (DC~65 GHz). URL: https://www.talentmw.com.
- 1.0 мм Connector Series (DC~110 GHz). URL: https://www.talentmw.com.
- 0.8 мм Connector Series (DC~145 GHz). URL: https://www.talentmw.com.
- New Microwave and RF Advances Impress at IMS2024. Connector Supplier. URL: https://connectorsupplier.com.
- RF Coax Adapters|Suzhou Talent Microwave Inc. URL: https://www.talentmw.com.
- Cable Assemblies | Suzhou Talent Microwave Inc. URL: www.talentmw.com.
- Suzhou Talent Microwave Inc. URL: www.talentmw.com.
© СТА-ПРЕСС, 2025
Если вам понравился материал, кликните значок — вы поможете нам узнать, каким статьям и новостям следует отдавать предпочтение. Если вы хотите обсудить материал —не стесняйтесь оставлять свои комментарии : возможно, они будут полезны другим нашим читателям!

