Работа схемы
Схема, показанная ниже на рис. 1, – это включение LM3909 по схеме простейшего генератора.

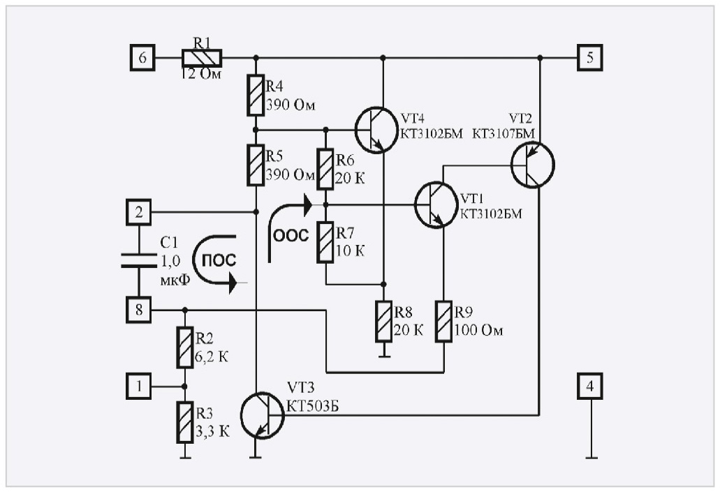
Если временно не учитывать конденсатор и принять напряжение на выводе 5 равным 1,5 В, ток протекает через времязадающие резисторы номиналами 3 и 6 кОм через эмиттер VT1. Данный ток усиливается транзистором VT2 с коэффициентом 3 и подаётся на базу транзистора VT3. Транзистор VT3 начнёт проводить, уменьшая напряжение на базе VT4 и, следовательно, на базе VT1. Это отрицательная обратная связь, поскольку она уменьшит ток времязадающего резистора и базовый ток мощного транзистора, пока не будет достигнут баланс. Это произойдёт при напряжении на коллекторе VT3 примерно 0,5 В, при напряжении на базе VT4 примерно 1 В и очень малом напряжении между выводом 8 и общим проводом. Разница между этими двумя напряжениями – это падение напряжения на переходе база-эмиттер VT1 и 2/3 падения напряжения база-эмиттер VT4, как задано резистивным делителем между его базой и эмиттером.
Заметим, что напряжение ООС ослабляется, по крайней мере, с фактором 2 благодаря делителю из двух резисторов сопротивлением 400 Ом. Учитывая конденсатор, коэффициент его ПОС изначально равен 1. Теперь условия смещения по постоянному току и временного преобладания ПОС удовлетворены, и схема должна генерировать. Форма колебаний на выводе 8 данного генератора показана ниже. Форма колебаний на выводе 2, на коллекторе мощного транзистора, почти прямоугольная. Она имеет размах от напряжения насыщения 0,1 В до напряжения питания минус 0,1 В. Период «включённого» состояния, конечно, совпадает с отрицательными импульсами на выводе 8. Другие напряжения схемы могут быть легко получены из временны́х диаграмм на рис. 2.

Простоту светового сигнализатора с лампой накаливания и светодиодом иллюстрирует нижеприведённый рис. 3.

В светодиодном варианте LM3909 использует только один внешний конденсатор в качестве времязадающего и вольтодобавочного одновременно. Хотя LM3909 и была разработана для светодиодных сигнализаторов, она идеальна и для других приложений, таких как мощный управляющий драйвер для тиристоров и симисторов. Частота генерации может изменяться от единиц Гц до сотен кГц. Форма импульсов может изменяться от микросекунд до прямоугольных. Таким образом, LM3909 может работать как генератор звуковых эффектов, звуковой аварийный сигнал или регистратор гальванических связей. Наконец, LM3909 может работать как радиоприёмник (детектор/усилитель), маломощное переговорное устройство, двухсторонний телеграфный аппарат или часть миниатюрного стробоскопического источника света, вспыхивающего до 7 раз за секунду.
Функционирование от одной батареи напряжением 1,5 В в качестве источника питания наделяет LM3909 несколькими уникальными характеристиками. Во-первых, не существует возможных неправильных подключений, которые могли бы вывести ИМС из строя. Внутренняя петля обратной связи гарантирует самозапуск правильно «нагруженных» генераторных схем. Следующие конструкции раскрывают возможности LM3909 в качестве усилителя переменного напряжения, одновибратора, защёлки, детектора превышения сопротивления, многотонального генератора, пожарного извещателя или высокочастотного генератора.
При акценте на практическом использовании будет приведено короткое описание схем для следующих областей применения:
1) приложения для световой сигнализации;
2) приложения для аудио и генераторов;
3) триггеры и другие приложени
Для тех, кто пожелает модифицировать или сконструировать собственные схемы, в конце статьи будут приведены некоторые рекомендации.
Описание схемы
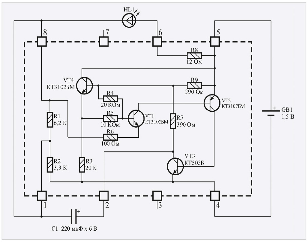
Схема на рис. 4 вновь представляет типичный световой сигнализатор с напряжением питания 1,5 В, но также иллюстрирует внутреннюю схему ИМС.

Сигнализатор достигает минимального расхода мощности двумя способами. Работая, как сказано выше, светодиод получает ток только в течение 1% времени. Всё остальное время транзисторы, кроме VT4, выключены. Резистор сопротивлением 20 кОм, включённый между эмиттером VT4 и «общим» проводом, потребляет ток всего около 50 мкА. Конденсатор ёмкостью 300 мкФ заряжается через два резистора сопротивлением 400 Ом, подключённых к выводу 5, и через резистор сопротивлением 3 кОм, подключённый к выводу 1 ИМС.
Транзисторы VT1…VT3 остаются выключенными, пока конденсатор не зарядится до 1 В. Это напряжение определяется падением на переходе VT4, делителем напряжения между его переходом база–эмиттер и падением на переходе VT1. Когда напряжение на выводе 1 становится на 1 В более отрицательным, чем на выводе 5 (положительный вывод источника питания), VT1 начинает проводить. Это затем приводит к включению VT2 и VT3. Тогда LM3909 подаёт мощный токовый импульс на светодиод. Коэффициент усиления по току для VT2 и VT3 находится в пределах от 200 до 1000. VT3 может обеспечить ток свыше 100 мА и быстро подтягивает вывод 2 близко к «общему» проводу (выводу 4). Поскольку конденсатор теперь заряжен, его другой вывод, подключённый к выводу 1, опускается ниже потенциала «общего» провода. Напряжение на светодиоде становится больше, чем напряжение батареи, и резистор сопротивлением 12 Ом между выводами 5 и 6 ограничивает ток светодиода.
Многие другие генераторные схемы работают подобным образом. Если вольтодобавка не требуется (с ограничением тока или без него), нагрузки могут подключаться между выводами 2 и 6 или 2 и 5.
Приложения: мигалка и сигнализатор
Различные применения и напряжения питания требуют подстройки частоты вспышек. Часто бывает удобно оставить конденсатор той же ёмкости, чтобы минимизировать его размер или ограничить энергию импульса светодиода. Во-первых, внутренние резисторы могут быть использованы, чтобы получить 3 кОм, 6 кОм или 9 кОм посредством замыкания или закорачивания соответствующих выводов. Дальнейшие методы подстройки показаны на двух частях рис. 5, приведённого ниже.
Как можно видеть на рис. 5а, внутренние резисторы шунтированы внешним сопротивлением 1 кОм, подключённым между выводами 8 и 4.
Это ускоряет частоту вспышек мигалки с напряжением питания 1,5 В, показанной на рис. 3, в 3 раза.
Резистор сопротивлением 3,9 кОм, показанный на рис. 5б, подключённый между выводом 1 и плюсом источника питания 6 В, увеличивает напряжение на нижнем по схеме выводе резистора сопротивлением 6 кОм.

Ток заряда через этот резистор значительно уменьшается, тем самым уменьшая и частоту вспышек до частоты низковольтной схемы (1 Гц). Как будет показано далее, этот метод привязки также гарантирует старт генерации даже в наихудших условиях.
Для надёжности схемы следует учитывать два обстоятельства. Дополнительный резистор сопротивлением 75 Ом последовательно со светодиодом ограничивает импульсы тока на безопасном уровне для диода и микросхемы. Также при работе от источника питания с напряжением более 3 В электролитический конденсатор испытывает мгновенные инверсии (переполюсовки) напряжения. Он должен быть рассчитан на удвоенное напряжение.
Световой индикатор непрерывного действия может быть запитан от одного элемента напряжением 1,5 В, как показано на рис. 6.

Коэффициент заполнения и частота импульсов светодиода возрастают, пока среднее значение энергии не обеспечивает яркое свечение. На частотах свыше 2 кГц даже быстрое движение источника света не создаст иллюзии мерцания.
Поскольку эта схема питания индикатора использует конденсатор минимальной ёмкости, который надёжно обеспечивает полное выходное напряжение, её рабочая частота значительно превышает 2 кГц. Этот индикатор, однако, не рассчитан на длительную работу, поскольку потребляемый ток превышает 12 мА.
Работа на высоких частотах требует добавления двух внешних резисторов, обычно одинаковой величины. Один, конечно, шунтирует внутренние высокоомные времязадающие резисторы. Если используется только один резистор, ток заряда конденсатора должен пройти через два внутренних резистора сопротивлением 400 Ом, включённых между выводом 5 и коллектором VT3. В таком случае может наблюдаться генерация с частотой и коэффициентом заполнения меньшими, чем желаемые, и генерация вообще может прекратиться прежде, чем батарея полностью разрядится. Второй резистор сопротивлением 68 Ом, шунтирующий два резистора сопротивлением 400 Ом, устраняет эти проблемы.
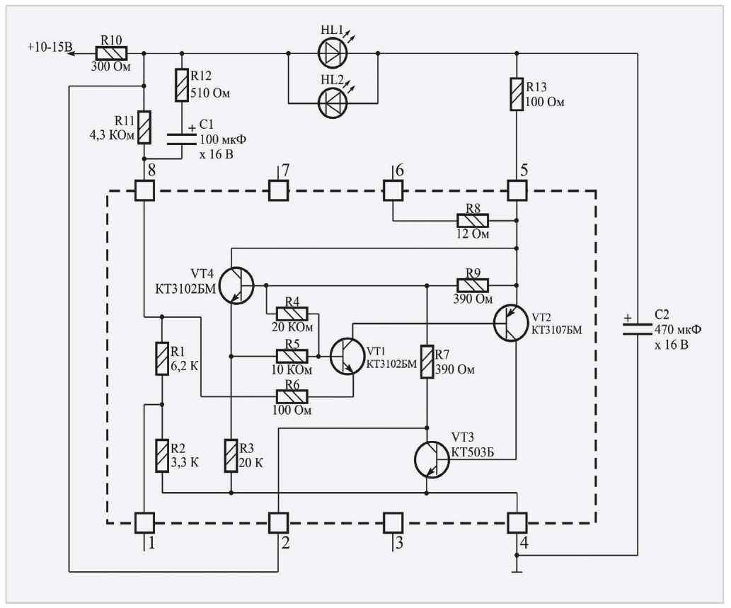
Схема на рис. 7 представляет собой релаксационный генератор, зажигающий 2 светодиода последовательно.

При напряжении питания 12 В частота вспышек составляет 2,5 Гц. Времязадающий и накопительный конденсатор C2 поочередно заряжается через верхний светодиод и разряжается через другой мощный транзистор VT3. Если нужен красно-зелёный индикатор, вывод анода зелёного светодиода необходимо подключить к выводу 5 (как нижний светодиод). Более короткий, но мощный импульс тока действует в этой позиции.
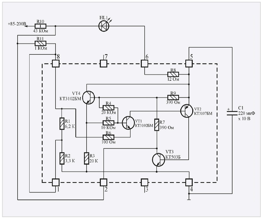
Индикацию или наблюдение высоковольтного источника питания на расстоянии можно выполнить намного более безопасно, чем с помощью неоновой лампы. Если последовательно с источником питания включить балластный резистор (43 кОм на рис. 8), то напряжение на схеме будет ограничено на уровне менее 7 В относительно «земли».

Времязадающий конденсатор заряжается через балластный резистор и два резистора сопротивлением 400 Ом, включённых между выводами 2 и 5. Когда напряжение на конденсаторе достигает 5 В, падение напряжения на резисторе 1 кОм становится достаточным, чтобы включить VT1 и, следовательно, переключить всю схему, чтобы разрядить конденсатор через светодиод.
Существует множество других светодиодных приложений и схемных модификаций. График, показывающий работу схемы на рис. 8 при различных напряжениях, представлен в документации на LM3909. Также показаны схемы для подстройки частоты вспышек, управления четырьмя параллельно включёнными светодиодами, а также инструкции по построению мигающего светового локатора на основе обычного сигнального огня.
Управлять вспышками ламп накаливания также можно, как показано на рис. 3. Однако большинство таких ламп потребляют ток более 150 мА, что больше допустимого для LM3909. Две следующие схемы используют внешний транзистор с током нагрузки до 1 А и более. В каждой схеме используется NPN-транзистор, поэтому базовый управляющий ток транзистора получается из общего или «земляного» вывода микросхемы.
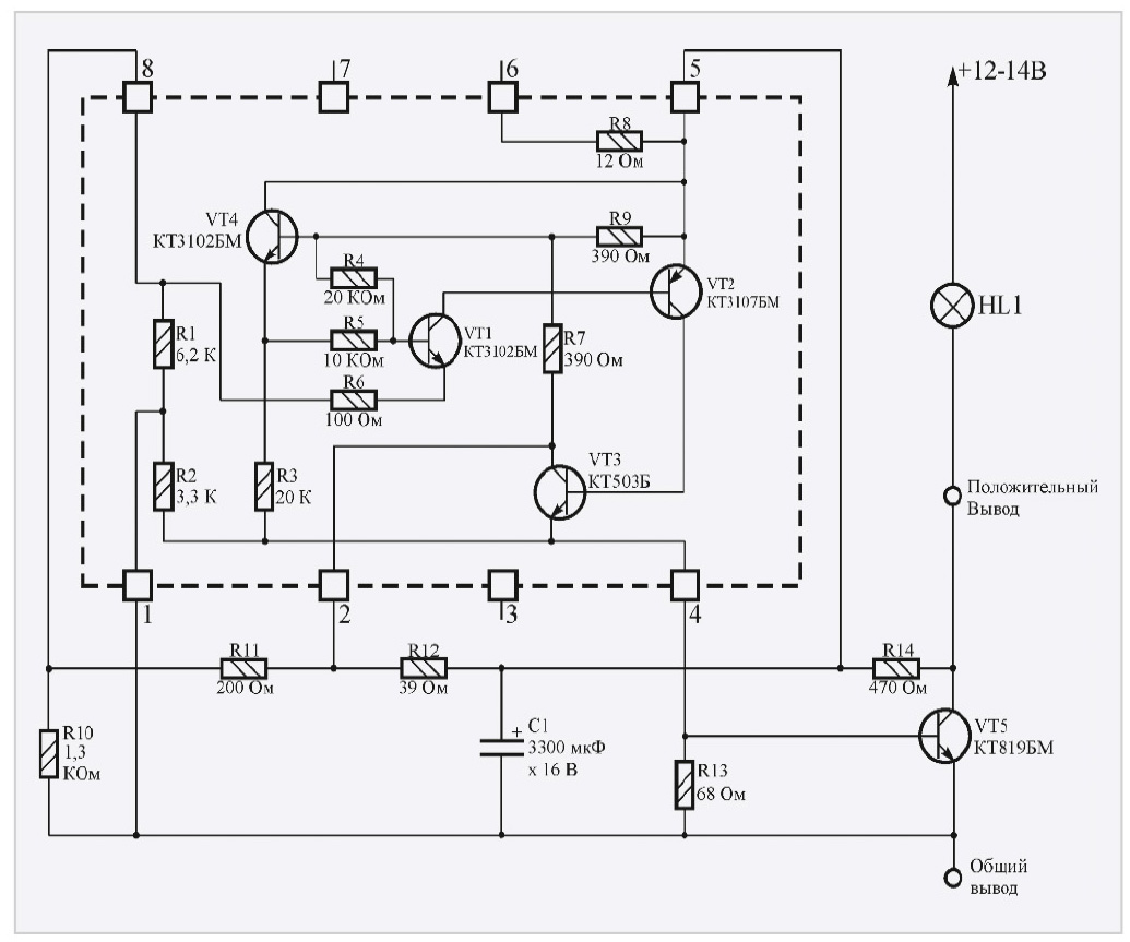
Трёхвольтовый мини-стробоскоп, показанный на рис. 9, может использоваться как источник света с изменяемой частотой вспышек для рекламы или специальных эффектов.

Диапазон управления частотой достаточно большой и позволяет изменять частоту вспышек от нуля до непрерывного свечения. Для минимальной инерционности выбрана лампа типа 1767, которая может вспыхивать несколько раз в секунду.
Схема мини-стробоскопа была испытана с ручным мигающим фонарём с большим отражателем. В тёмной комнате вспышки были достаточно быстрыми, чтобы зафиксировать движение объекта. Установка большой частоты вспышек может подражать стробоскопам на рок-концертах или мерцанию старомодных фильмов.
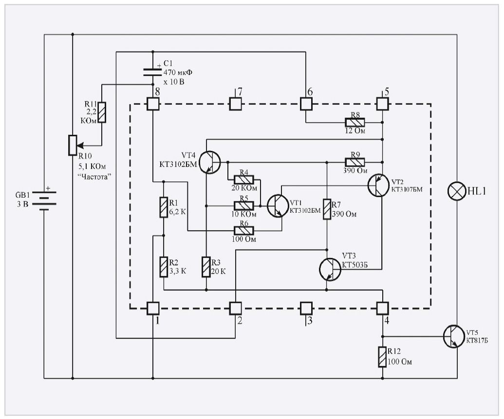
На рис. 10 показано более энергоёмкое приложение, которое может использовать для питания автомобильный аккумулятор.

Схема обеспечивает частоту вспышек 1 Гц и управляет лампой накаливания, потребляющей номинальный ток 600 мА. Частным преимуществом схемы является двухпроводное включение, поэтому она может быть подключена одним из двух способов, показанных на рис. 11.

Более того, не существует такого сбоя схемы, который мог бы вызвать большее потребление тока от батареи, чем сама непрерывно включённая лампа накаливания.
На схеме, показанной на рис. 10, конденсатор ёмкостью 3300 мкФ выполняет ряд других функций. Он делает LM3909 устойчивым к броскам напряжения и обеспечивает средства ограничения напряжения питания ИМС. Поскольку LM3909 может работать только при питающем напряжении на выводе 5 не более 7,5 В (для данной схемы), делитель из двух резисторов сопротивлением 200 Ом и 1,3 кОм, подключённый к выводу 8 ИМС, вызывает переключение схемы при напряжении 7 В или менее на выводе 5. Затем LM3909 разряжает времязадающий конденсатор (питающий схему) до 4 В или менее, вследствие чего схема переключается обратно в исходное состояние. Ток разряда конденсатора через вывод 4 ИМС включает транзистор типа NSD U01. Используется конденсатор достаточно большой ёмкости, который сохраняет достаточно энергии для включения мощного транзистора. Это, в свою очередь, позволяет схеме сигнализатора работать в двухпроводном включении.
Сигнализатор обладает и другими возможностями. Частота вспышек может изменяться от 0 до 20 Гц, или несколько светодиодов могут работать параллельно. При напряжении источника питания 3 В можно управлять жёлтым и зелёным светодиодами. При 6 В можно изготовить «аварийный фонарь» с лампой накаливания типа PR-13, режим работы которого (мигание или непрерывное свечение) можно выбрать переключателем. Это более надёжная система с большим сроком службы, чем фонарь с дополнительной вспыхивающей галогенной лампой. Светодиод с регулировкой тока типа NSL4944 делает возможным вспыхивание параллельно включённых светодиодов при высоком напряжении без последовательных резисторов.
Приложения: аудио и генератор
На основе LM3909 могут быть созданы очень экономичные регистраторы гальванических связей, генераторы тона и сигнализации. В согласующем трансформаторе нет необходимости, поскольку высокая нагрузочная способность выхода LM3909 в 150 мА позволяет непосредственно управлять стандартными низкоомными динамическими головками. В большинстве приложений используется полуторавольтовая батарея, как из-за меньшей стоимости, так и из-за большей энергоёмкости, чем у традиционной девятивольтовой батареи.
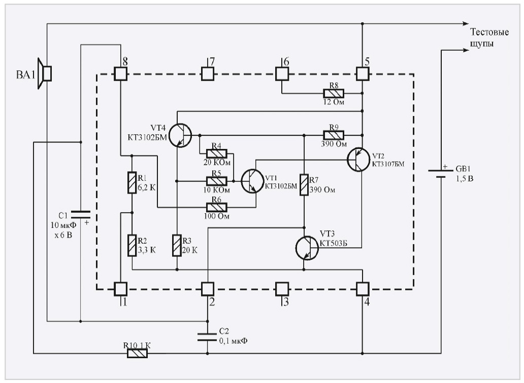
В регистраторе гальванических связей, показанном на рис. 12, замыкание измерительных щупов или сопротивление между ними менее 100 Ом обеспечивает достаточную мощность для слышимой генерации.

При измерении двух значений в быстрой последовательности малые различия в сопротивлении, такие как закоротка и 5 Ом, могут быть определены по различию в тоне.
Оригинальное применение этой схемы найдено для регулирования момента зажигания двигателей внутреннего сгорания в определённых типах мотоциклов. Это возможно из-за различий в тоне, который можно слышать из тестера, в зависимости от того, есть ли замыкание параллельно малому основному сопротивлению катушки зажигания мотоцикла. Другими словами, различие в сопротивлении 1-омного резистора и 1-омной катушки индуктивности можно услышать. Таким образом можно определять наличие замыканий и обрывов в трансформаторах и моторах.
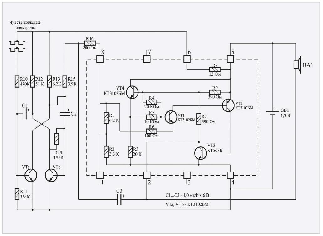
Тёмные комнаты, прачечные, лаборатории или подвальные помещения могут страдать от разбрызгивания или просачивания воды, разрушающей мебель, а также химикатов, удобрений, мешков с жёсткой бетонной смесью и так далее. Схема, показанная на рис. 13, безопасна на потенциально сырых полах, поскольку не имеет гальванической связи с сетью.

Кроме того, ток потребления покоя в 100 мкА обеспечивает срок службы батареи, близкий к сроку хранения.
При отсутствии влаги транзистор VTa мультивибратора полностью выключен, и его коллекторная нагрузка (6,2 кОм) обеспечивает достаточный ток, чтобы удержать напряжение на выводе 8 ИМС LM3909 на уровне свыше 0,75 В, при котором она не может генерировать. Когда ток через электроды превышает 0,25 мкА, из-за влажности VTa начинает включаться, и, поскольку VTb уже частично смещён, теперь возникает положительная обратная связь. VTа и VTb теперь образуют автоколебательную цепь, которая стартует с частотой 1 Гц и генерирует быстрее с увеличением тока через электроды.
Этот мультивибратор функционирует как усилитель и модулятор. Форма импульса на коллекторе VTa изменяет ток через резистор сопротивлением 3,9 кОм и вывод 8 ИМС LM3909, обеспечивая чёткую модуляцию частоты выходного тона.
Сенсор должен быть частью конструкции корпуса, в который собрана схема сигнализации. Сенсор состоит из двух электродов, каждый длиной 15–20 см, разнесённых друг от друга на расстояние 3 мм. Две полоски нержавеющей стали на изоляторах или соответствующие дорожки на медной печатной плате будут работать хорошо. Неизолированная часть схемы на плате между медными чувствительными областями должна быть покрыта воском так, чтобы определялась влажность на полу, а не та, которая поглощена платой. Схема и сенсор могут быть протестированы путем прикосновения влажным пальцем к межэлектродному зазору.
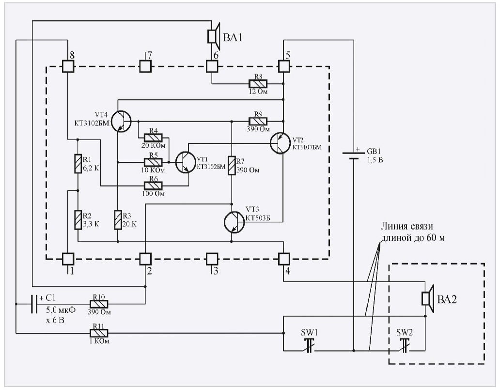
Минимальная стоимость, простота и минимальный потребляемый ток дают преимущества генератору кода Морзе, показанному на рис. 14.

Один генератор одновременно управляет динамиками на приёмной и передающей сторонах. Расчёты и практические тесты показывают продолжительность работы от одного алкалинового элемента от 3 месяцев до года, в зависимости от использования. Другие зуммеры используют две и более батарей и работают значительно меньше.
Общедоступные дешёвые восьмиомные динамики эффективны в последовательном включении, чтобы лучше соответствовать характеристикам LM3909. Трёхпроводные системы и параллельные телеграфные ключи позволяют начинающим использовать устройство, не вдаваясь в понимание принципа работы приёмо-передающих ключей.
Всего два резистора добавляются, чтобы получить подходящую среднюю выходную мощность и заставить генератор формировать выходные импульсы с коэффициентом заполнения 50%. Акустически оба динамика работают на частоте резонанса (примерно 400 Гц в прототипе) для наиболее приятного тона с минимальным энергопотреблением. Держатели каждого из двух динамиков имеют дополнительные отверстия, чтобы усилить резонанс. Для каждого определённого типа или торговой марки динамика и размера корпуса размеры отверстий и ёмкость конденсатора должны определяться экспериментально для наиболее стабильного резонансного тона в пределах предполагаемого изменения напряжения батареи.
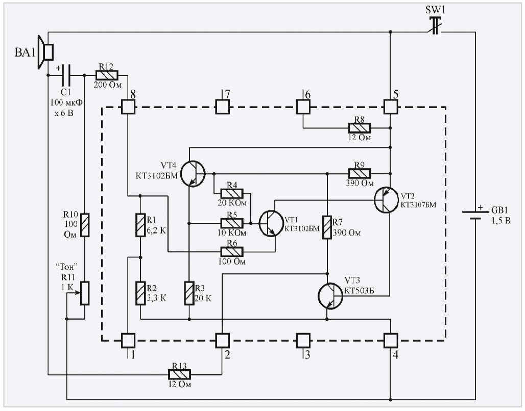
Эксперименты с вышеприведённой схемой привели к разработке устройства, показанного на рис. 15.

Оно оптимизировано, чтобы генерировать на любой частоте акустического резонанса нагрузки. При использовании отдельно взятого динамика генерация происходит на частоте «свободного» резонанса. Если динамик помещён в корпус с более высокой резонансной частотой, она становится основной частотой генерации схемы.
Демонстрационный аудиоприбор, или просто игрушка для развлечения, был изготовлен следующим образом. Корпус прямоугольной формы объёмом примерно один кубический дециметр изготовлен из тонкой фанеры с одной открывающейся гранью в виде заслонки. Схема и батарея смонтированы на выдвижной стороне корпуса, а динамик располагается под отверстием размером 5 см. Для стравливания воздуха при открывании заслонки была сделана трубка длиной 6 см и шириной 0,8 см, чтобы не было влияния на резонансную частоту.
Проигрывание мелодии или изменяющихся тонов производят точным позиционированием заслонки и нажатием кнопки. Положение и направление сдвига заслонки выбирается интуитивно, поэтому нетрудно проиграть разумное подобие мелодии после нескольких попыток.
Резистор сопротивлением 12 Ом, включённый последовательно с выводом 2 (коллектором транзистора VT3) и динамиком, развязывает напряжения, генерируемые резонирующей системой динамика, от переключающего действия низкого импеданса VT3. Конденсатор ёмкостью 100 мкФ обеспечивает низкую или подтональную частоту генерации. Поэтому основное напряжение ПОС на выводе 8 генерируется резонирующим движением звуковой катушки динамика. Следовательно, LM3909 будет продолжать управлять динамиком на частоте резонанса с максимальной амплитудой.
Как было отмечено ранее, LM3909, управляя динамиком напрямую, выполняет функции, которые было труднее реализовать с помощью таймера или однопереходного транзистора. Два окончательных варианта схем звуковых эффектов показаны на рис. 16.
Сирена, показанная на рис. 16а, генерирует быстро нарастающее завывание при нажатии кнопки и более медленный спад при отпускании.
При желании останавливать звучание спустя некоторое время после отпускания кнопки между выводами 8 и 6 следует включить резистор сопротивлением 18 кОм. В таком случае звук становится похожим на сирену, управляемую двигателем.
В этой схеме акустический резонанс не должен влиять на частоту. Конденсатор ёмкостью 1 мкФ и резистор сопротивлением 200 Ом определяют длительность импульсов бо́льшую, чем для мигающих светодиодов, но меньшую, чем используется в перестраиваемых системах, показанных на рис. 14 и 15. Частота импульсов динамика определяется резистором сопротивлением 2,7 кОм и зарядом конденсатора ёмкостью 500 мкФ. Разряд этого конденсатора при нажатии кнопки увеличивает ток в резисторе (2,7 К), вызывая быстрое нарастание тона.
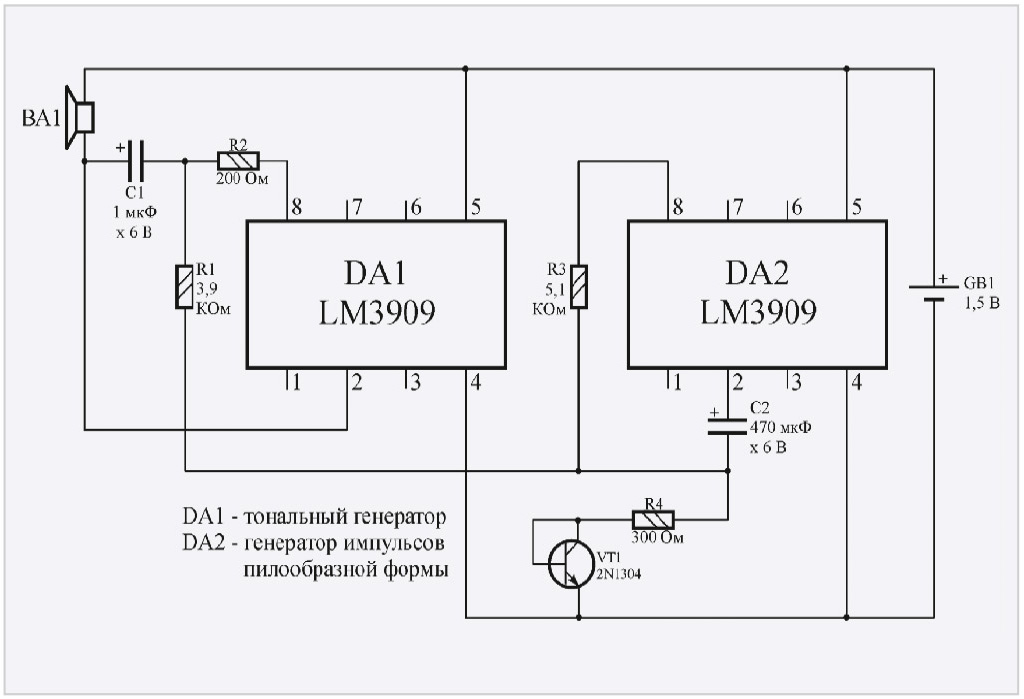
«Завыватель», показанный на рис. 16б, звучит подобно милицейской или пожарной электронной сирене. Быстрая модуляция заставляет звук казаться громче при одной и той же входной мощности.

Тональный генератор тот же, что и в предыдущей сирене. Вместо нажимной кнопки быстро нарастающее и спадающее модулирующее напряжение формируется второй LM3909 и связанным с ней конденсатором ёмкостью 470 мкФ. Транзистор типа 2N1304 используется как низковольтный (германиевый) диод. Этот транзистор вместе с большим резистором в цепи обратной связи (5,1 кОм на выводе 8) заставляет пилообразный генератор на основе LM3909 работать в необычном режиме, обеспечивая более длинные включённые состояния и более короткие выключенные. Это приводит к нарастанию среднего тона генератора и заставляет модуляцию казаться более ровной.
Приложения: триггер и другие
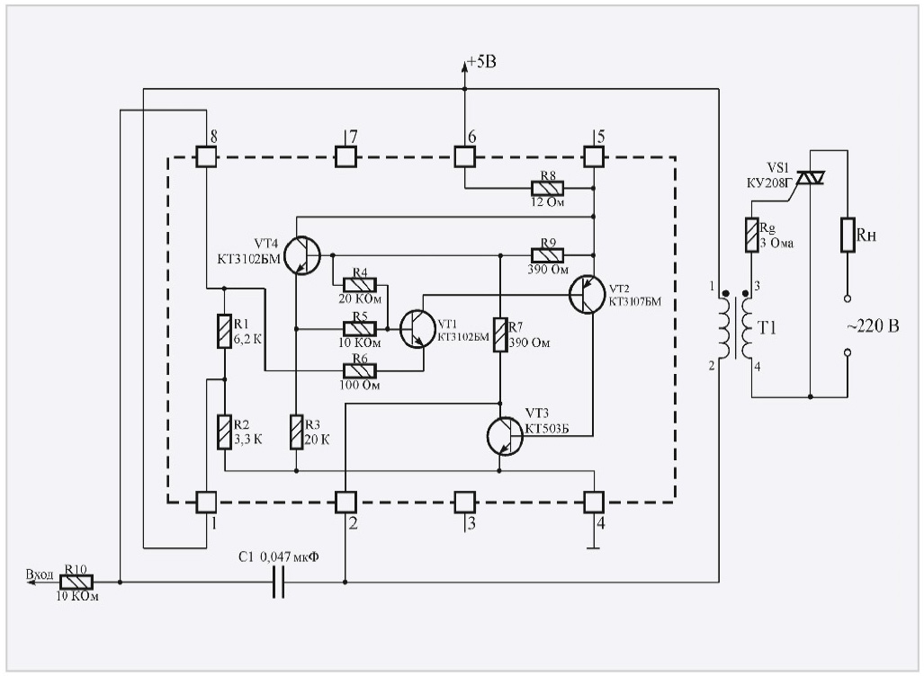
Благодаря способности обеспечивать большой выходной импульсный ток LM3909 хорошо подходит для управления импульсными трансформаторами. Кроме того, она использует меньше внешних компонентов и работает более успешно при низких питающих напряжениях, чем другие схемы на однопереходных транзисторах. Симисторный триггер, показанный на рис. 17, работает от источника напряжением 5 В и обеспечивает отпирающий ток управляющего электрода с амплитудой до 200 мА.

При отсутствии входного сигнала или при входном высоком логическом уровне LM3909 выключена, поскольку вывод 1 подключён к плюсовой шине питания. При подаче на вход низкого логического уровня ИМС генерирует импульсы длительностью 10 мкс с частотой 7 КГц. Предполагается нагрузка выхода ТТЛ элемента только одной этой схемой, поскольку амплитуды выходного сигнала для наихудшего случая может быть недостаточно. Этот триггер не имеет синхронизации при переходе сетевого напряжения через ноль, поскольку первый выходной импульс после запуска схемы может быть сформирован в любой момент. Однако частота повторения такова, что после первого цикла симистор переключается в диапазоне 8 В выше нуля с резистивной нагрузкой и переменным напряжением 115 В.
Стандартный трансформатор обеспечивает повышение тока 2:1 и подходящую изоляцию между низковольтной схемой и силовыми линиями с напряжением до 240 В. Резистор Rg, который включает сопротивление обмотки трансформатора, может быть сопротивлением всего лишь 3 или 4 Ома для сильноточных симисторов. Мощные симисторы могут потребовать чрезмерный ток удержания с очень малым сопротивлением Rg, а слаботочные с чувствительным управляющим электродов, наоборот, потребуют его увеличения до 100 Ом.
Генерация LM3909 начнётся, когда на вывод 8 поступит управляющее напряжение в диапазоне от 1,6 В до 3,9 В. На рис. 17 вывод 8 подключён между входным резистором сопротивлением 10 кОм и резистором сопротивлением 6 кОм к шине 5 В. При подаче на вход напряжения 3,8 В на выводе 8 формируется 4,5 В, поэтому генерации нет. При входном напряжении 1 В или менее на выводе 8 формируется напряжение 3,5 В или менее и начинается генерация. Из этого примера видно, что другие входные резисторы или делители опорного напряжения можно рассчитать, чтобы управлять LM3909 другими логическими уровнями.
Полезным прибором для электронной лаборатории является прецизионный генератор/калибратор прямоугольных импульсов. Если на выходе поддерживается напряжение на уровне десятков процентов от 1 В от пика до пика, он может быть полезен при калибровке осциллографов или юстировке щупов. Многие недорогие или портативные осциллографы не имеют такой встроенной функции. Подобный калибратор может быть полезен для снятия коэффициента усиления или передаточной характеристики различных усилителей класса Hi-Fi.
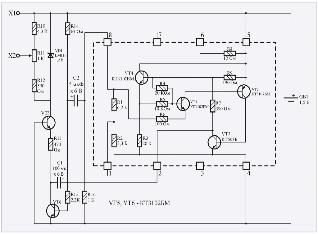
Оборудование, питающееся от батарей, свободно от неудобства использования сетевого шнура, а также шумовых и фоновых эффектов оборудования, подключаемого к сети. Работа в течение свыше пятисот часов от одного элемента ручного электрического фонаря – это преимущество схемы, показанной на рис. 18.

Доступный регулятор с наиболее низким опорным напряжением типа LM113 используется совместно с источником тока и свойством вольтодобавки LM3909.
На выходе формируются строго прямоугольные импульсы, амплитуда которых может быть подстроена точно на уровне 1 В. Прямоугольные импульсы длительностью высокого уровня 1,5 мс и 5,5 мс низкого уровня были выбраны для простоты схемы и минимального энергопотребления. Ограничение формы импульсов практически ровное благодаря почти полному выключению токового ключа VT5 и типичному импедансу включённого состояния LM113, равному 0,2 Ом. Температурный коэффициент LM113, равный 0,01% при комнатной температуре, создаёт незначительный дрейф амплитуды импульсов в лабораторных условиях. Щупы прибора также создают незначительную нагрузку.
Схема будет хорошо работать при снижении напряжения питания до 1,2 В. Это происходит по той причине, что электролитический конденсатор ёмкостью 100 мкФ снижает потенциал эмиттера VT5 ниже потенциала «общего» провода. При напряжении батареи 1,2 В коллектор VT5 всё ещё способен обеспечить размах сигнала более чем 1,6 В. Транзистор VT5 использует «выключенные» состояния LM3909, чтобы гарантировать зарядку конденсатора ёмкостью 100 мкФ почти до напряжения источника питания. Таким образом, когда LM3909 включается, и напряжение на выводе 2 снижается почти до нуля, напряжение на минусовой обкладке конденсатора снижается до значения –0,9…–1,2 В. Снижение напряжения источника питания не может привести к неопределяемой ошибке прямоугольных импульсов амплитудой 1 В. Это происходит потому, что форма искажается больше, чем снижается амплитуда, когда напряжение батареи становится слишком низким.
Учитывая преимущества универсальности и отказоустойчивости LM3909 при работе от низковольтной батареи напряжением 1,5 В, ИМС становится идеальным обучающим средством для человека, увлечённого электронным хобби. Наряду с уже представленными схемами LM3909 может работать как усилитель, радиоприёмник и даже схема логического типа. Могут быть реализованы идеи положительной и отрицательной обратной связи. Схемные решения, представленные на рис. 19–23, предназначены для иллюстрации или демонстрации схемных концепций, которые могут использоваться в экспериментальных устройствах. Но в то же время не подразумевается их использование в завершённых коммерческих продуктах с определёнными спецификациями производительности. Другими словами, схемы прошли макетирование, но измерения диапазона рабочих частот и коэффициента искажений не производились.
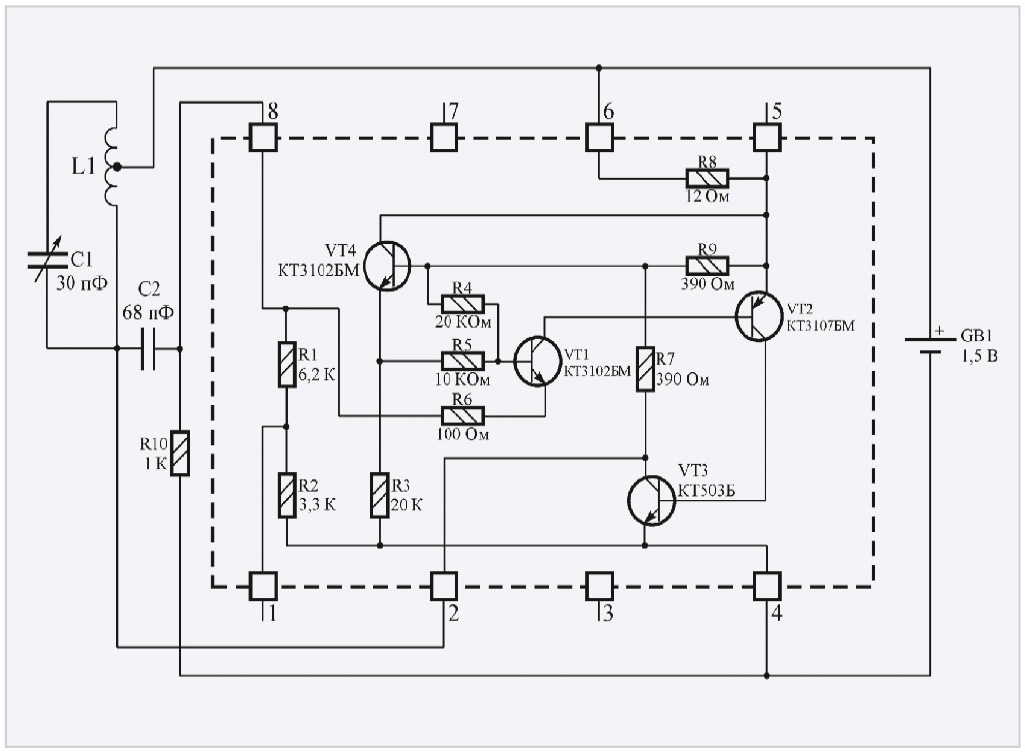
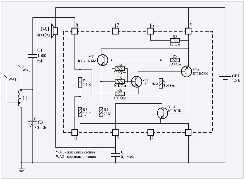
Обе схемы, показанные на рис. 19 и 20, используют стандартные ферритовые антенны, изготовленные в виде катушек с ответвлением от 40% витков с одного конца.

Генератор работает с частотой до 800 кГц или чуть выше, поэтому приёмник работает в стандартном вещательном диапазоне с амплитудной модуляцией. Обе схемы также используют стандартные (360 пФ) подстроечные конденсаторы.
Генератор имеет обычную ёмкостную цепь ПОС, используемую для LM3909, но с частотой, определяемой перестраиваемой схемой, нагруженной на выходной каскад. Детальное описание работы этих экспериментальных схем приводиться не будет для уменьшения объёма статьи. В завершение будут рассмотрены общие теоретические вопросы функционирования ИМС, которые будут полезны в понимании принципа работы отдельных схем.
В схеме радиоприёмника, показанной на рис. 20, LM3909 работает как детектирующий усилитель.

Она не генерирует, поскольку не существует ПОС от вывода 2 к выводу 8. Настройка схемы так же проста, как и в случае с обычным детекторным радиоприёмником, но местная радиостанция может обеспечить достаточную громкость при работе на шестидюймовый громкоговоритель. Чрезвычайно низкое энергопотребление обеспечивает непрерывную работу от одного элемента в течение одного месяца.
Антенна для схемы радио может быть короткой (от 3 до 6 метров) и подключаться непосредственно к выводу катушки, как показано. Более длинная антенна (от 9 до 15 м) работает лучше, если её подключить к отводу катушки, упомянутому ранее, как показано на рис. 20.
Следующие две схемы иллюстрируют примеры функций логического или вычислительного типа. Они используют источник питания с напряжением 3 В (два элемента), поскольку LM3909 сконструирована, чтобы не иметь устойчивых или «фиксированных» состояний при напряжении питания 1,5 В.
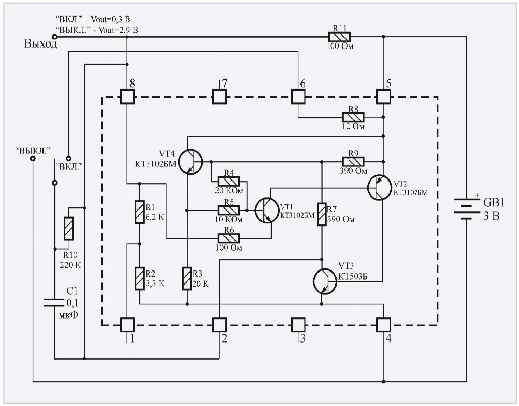
Переключения обеих вышеприведённых схем происходят моментально. В каждом случае малый заряд или импульс влияет на состояние схемы. Схема, показанная на рис. 21, переключается и сохраняет своё состояние при возврате переключателя, даже если контакт замыкался кратковременно.

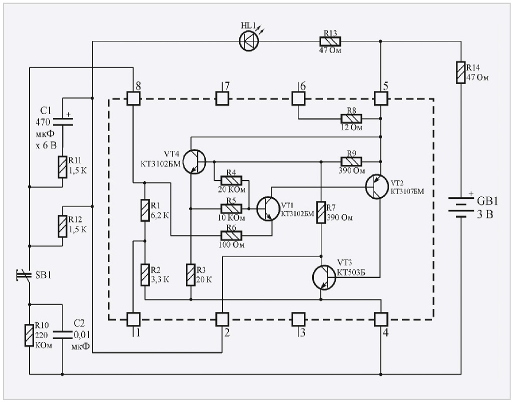
Схема, показанная на рис. 22, формирует одиночную вспышку светодиода длительностью 0,5 секунды при нажатии кнопки независимо от продолжительности нажатия.

Такие схемы используются с клавиатурами, концевыми выключателями и другими механическими контактами, которые должны формировать данные для цифровых электронных систем.
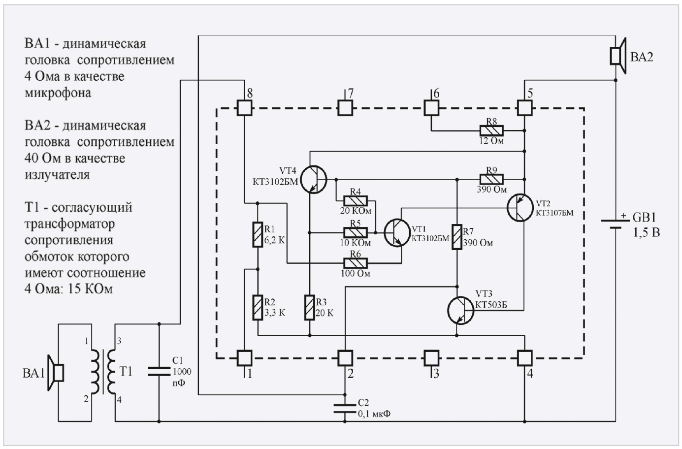
Если игнорировать конденсатор цепи ПОС, LM3909 может стать маломощным усилителем, как показано на рис. 23.

Этот небольшой аудиоусилитель может использоваться в системе односторонней связи или подслушивания в различных ситуациях. Потребляемый ток составляет всего 12–15 мА. Он может усиливать едва слышимые звуки, а прямой разговор в микрофон генерирует полный размах сигнала 1,4 В.
Рекомендации по применению
При напряжении питания 1,5 В могут возникнуть определённые проблемы с остановкой генерации или мигания. Из-за способа получения усиления и типа обратной связи слишком большая нагрузка может предотвратить генерацию LM3909. Иногда бывает достаточно чисто резистивной нагрузки величиной 20 Ом. Может показаться странным, но нить лампы накаливания не следует этому правилу, вероятно, из-за индуктивного характера нагрузки. Также в схемах мигающих сигнализаторов светодиод с утечкой или проводимостью в диапазоне напряжений от 0,9 до 1,2 В прекратит генерацию LM3909. Возможно, 1% светодиодов имеют такой дефект, поскольку они не часто на него тестируются.
Высокая стабильность частоты была не единственной целью разработок на основе LM3909. В схемах светодиодных сигнализаторов она выше, чем могла ожидаться, поскольку отрицательный температурный коэффициент светодиодов частично компенсирует ИМС. Он учитывался в разработках. Простые генераторы без светодиодов не имеют компенсации в диапазоне температур. Это происходит благодаря использованию одной целой и шести десятых части падения напряжения на кремниевом переходе в качестве точки излома включения-выключения, а также использования интегральных времязадающих резисторов со своим положительным температурным коэффициентом. Кроме того, большинство используемых в схемах конденсаторов ёмкостью 1 мкФ и более будут электролитическими по причине уменьшения размеров. Такие конденсаторы не очень стабильны в диапазоне температур, поэтому их допустимые отклонения изменяются значительно в зависимости от типа конденсатора.
В большинстве генераторных схем частота также пропорциональна напряжению питания. Это следует учитывать при использовании совершенно свежего элемента с напряжением 1,54 В, а также какое будет конечное напряжение в конце срока эксплуатации. Оно может быть в диапазоне 0,9–1,1 В, что значительно отличается. Это напоминает о том, насколько ярко будут гореть светодиоды от свежих элементов, и насколько тусклыми они станут при разряде.
Мигалки и тональные генераторы для сигнализаций, однако, не требуют стабильности. Изменение частоты вспышек на 50% или сдвиг тона на половину октавы не очень раздражает или даже обращает на себя внимание.
Один интересный момент состоит в том, что низкая потребляемая мощность большинства представленных схем позволяет запитывать их от солнечных элементов так же, как от обычных батарей. При ярком свете может потребоваться от 3 до 4 последовательно включённых элементов. При меньшем освещении потребуется от 4 до 6 элементов. Энергии солнечных элементов будет вполне достаточно для запитывания большинства схем, но для работы схем, потребляющих большой импульсный ток (симисторный драйвер), потребуется включение блокирующего конденсатора большой ёмкости параллельно батарее солнечных элементов.
LM3909 была сконструирована, по сути, самозапускающейся в качестве генератора, и схемы светодиодных сигнализаторов как раз таковыми являются при любом напряжении, потому что нагрузка имеет нелинейный характер. Нагрузка с достаточно большой самоиндукцией будет всегда самозапускаться, хотя, возможно, на более высокой частоте, чем ожидается. Исключением являются большие резистивные нагрузки для генераторов, работающих при напряжениях больше, чем 2 или 2,5 В. Устойчивое состояние существует при полностью открытом VT3, и времязадающие резисторы между выводом 8 и минусом питания всё ещё потребляют ток. Надёжным решением является привязка вывода 8 (к примеру, с помощью резистора к плюсовой шине питания) так, чтобы напряжение на нём было меньше половины питающего напряжения.
Коэффициент заполнения простейшего светодиодного сигнализатора, по сути, небольшой, поскольку времязадающий конденсатор также управляет очень низким импедансом включённого светодиода. Для других генераторов длительность импульсов может быть увеличена добавлением резистора последовательно с конденсатором. Дополнительно нелинейное сопротивление может использоваться в качестве времязадающего (рис. 16).
Заключение
Приложения, рассмотренные в статье, находят применение от игрушек до лабораторных приборов и покрывают частотный диапазон от постоянного тока до радиодиапазона. LM3909 может использоваться для развлечения, обучения или даже, в особых случаях, для спасения жизни. С точки зрения практической стоимости LM3909 может часто заменить схему, имеющую множество транзисторов и других компонентов, а также высокую стоимость сборки.
Кроме того, LM3909 демонстрирует практичность очень низковольтных электронных схем. Они могут работать крайне эффективно, если проявлен искусный подход при разработке с учётом падений напряжений на переходах транзисторов. В подобных схемах электрический стресс компонентов настолько мал, что они могут прослужить очень длительное время. Другие транзисторы, конденсаторы и т.д., которые стали бы производственным браком при более высоких напряжениях, тоже могут использоваться. Делители напряжения, защитные диоды и т.д., часто необходимые при более высоких напряжениях, могут быть исключены из конструкций. Токи потребления настолько малы, что схемы могут работать от нескольких месяцев до нескольких лет от одного элемента.
Один элемент более надёжен и энергоёмок, чем батарея из нескольких элементов. Это происходит благодаря отсутствию изоляции и межсоединений элементов, а также необходимости упаковки нескольких элементов в один корпус-держатель.
Литература
- National Semiconductor Corporation. 1,3V IC Flasher, Oscillator, Trigger or Alarm. AN-154.pdf. URL: https://www.datasheetarchive.com/datasheet/AN-154/National-Semiconductor?id=dba90007922b7ff0&....
© СТА-ПРЕСС, 2026
Если вам понравился материал, кликните значок — вы поможете нам узнать, каким статьям и новостям следует отдавать предпочтение. Если вы хотите обсудить материал —не стесняйтесь оставлять свои комментарии : возможно, они будут полезны другим нашим читателям!

