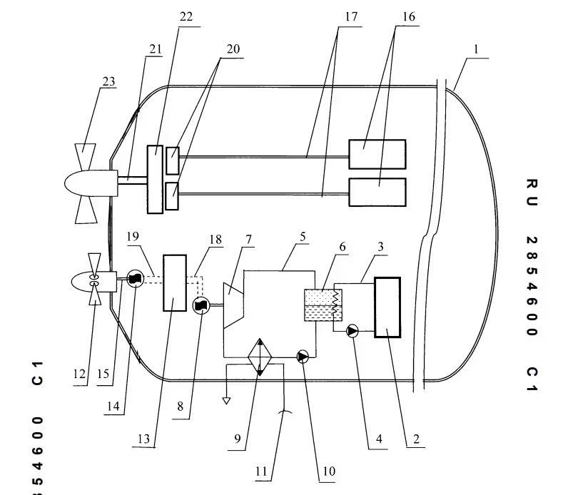
Согласно описанию, маршевый режим обеспечивает гребной вал с винтом фиксированного шага, соединённый через редуктор и муфты с дизельными двигателями. Такая компоновка позволяет удерживать двигатели в оптимальных режимах нагрузки и снижать износ. Для экономичного подводного хода предусмотрен отдельный вал с электродвигателем и винтом регулируемого шага, питаемым от аккумуляторных батарей.

Ключевым элементом проекта выступает двухконтурная вспомогательная атомная установка с водоохлаждаемым реактором низкого давления, работающая по органическому циклу Ренкина. Она обеспечивает постоянную генерацию электроэнергии, подзарядку аккумуляторов и снижение нагрузки на дизельные агрегаты. Предполагается, что такая архитектура повысит надёжность и точность регулирования скорости, а также снизит экологические риски за счёт изоляции радиоактивного контура.
Комбинирование механического и электрического приводов, по замыслу автора, позволит гибко распределять мощность между контурами, сокращать расход топлива и увеличивать автономность подводной лодки без существенного усложнения эксплуатации.
Источник: https://www1.ru/news/2026/02/19/raketnuiu-podvodnuiu-lodku-s-gibridnoi-energoustanovkoi-i-ciklom-ren...Если вам понравился материал, кликните значок — вы поможете нам узнать, каким статьям и новостям следует отдавать предпочтение. Если вы хотите обсудить материал —не стесняйтесь оставлять свои комментарии : возможно, они будут полезны другим нашим читателям!

