Линейные интегральные стабилизаторы напряжения выпускаются многими предприятиями в течение нескольких десятилетий в широкой номенклатуре и в разнообразных конструктивных исполнениях, с различными диапазонами входных и выходных напряжений, сервисными функциями и защитами.
Одним из известных изготовителей LDO-стабилизаторов напряжения с минимальным падением напряжения является корпорация M.S. Kennedy (США), целевыми сегментами которой является космическая и оборонная промышленность. Продукция корпорации с 2009 года поставлялась в Россию и использовалась в некоторых космических программах и применениях, требующих высокой надёжности [1].
В настоящее время продукция корпорации в Россию не поставляется, поэтому в качестве альтернативного решения для применения в серийной аппаратуре предлагается рассмотреть изделия предприятия XMTI (Китай), которое является подразделением Китайской корпорации аэрокосмической науки и техники (China Aerospace Science and Technology, CASC) и Девятой Академии (China Academy of Aerospace Electronics Technology, CAAET). Предлагаемые изделия конструктивно и функционально совместимы с интегральными микросхемами LDO-стабилизаторов корпорации M.S. Kennedy.
Микросхемы уровня качества Space и Military выпускаются в конструктивно-совместимых корпусах, что позволяет для создания прототипов космической аппаратуры применять более дешёвые изделия и избегать дополнительных временны́х и финансовых затрат при изготовлении конечных изделий.
В табл. 1 представлены основные технические характеристики микросхем LDO-стабилизаторов уровня качества Military с минимальным падением напряжения на проходном элементе без специфицированных показателей радиационной стойкости.

Микросхемы характеризуются широким диапазоном входного напряжения (до 26 В), формируют стандартный ряд выходных напряжений 1,5; 1,8; 1,9; 2,5; 3,3; 5; 12 и ±10 В, а также выпускается модель с регулируемым выходным напряжением. Обеспечивается ток нагрузки 1,5; 3 и ±3 A. Микросхемы выпускаются в корпусах для поверхностного монтажа и установки в отверстия печатной платы – FCP10, TO-253-5-TD, SMD-1, TO-257-G, TO-257-TD. Микросхемы содержат ряд сервисных и защитных функций. Интегрирована схема защиты от обратного включения батареи, перегрузки по току, тепловая защита. Функция выключения внешним сигналом (Enable) повышает гибкость применения микросхемы в системе электропитания реализацией определённого алгоритма подачи напряжения к отдельным узлам функциональной части аппаратуры. Выход контроля состояния микросхемы (Flag Out) позволяет контролировать состояние микросхемы и передавать «флаг» ошибки в управляющую систему.
Основным назначением линейных стабилизаторов является установка непосредственно около питаемого узла и точное поддержание напряжения питания на нагрузке. Первичное формирование постоянного напряжения осуществляет сетевой источник напряжения или импульсный преобразователь с гальванической развязкой. Другим назначением LDO-стабилизаторов является применение в аппаратуре с батарейным питанием.
На рис. 1 представлена эквивалентная схема микросхемы LSK5101-00, которая оснащена всем перечисленным выше функционалом.

Микросхема выполнена в 10-выводном корпусе для поверхностного монтажа FCP10 (рис. 2).

Стабилизатор состоит из источника прецизионного опорного напряжения, выполненного на стабилитроне с напряжением запрещённой зоны ȹз («интегральный стабилитрон») с хорошей температурной стабильностью (не хуже 0,01 %/K); усилителя сигнала ошибки (операционного усилителя), резистивного делителя, проходного элемента, выполненного на p-n-p–транзисторе со сверхвысоким усилением. В линейном стабилизаторе с p-n-p-транзистором падение напряжения небольшое. Но схема имеет конфигурацию с общим эмиттером с большим выходным импедансом, поэтому к конденсатору, требующемуся для обеспечения устойчивости, предъявляются высокие требования – величина его ёмкости не должна сильно отличаться от рекомендуемой, и его эквивалентное последовательное сопротивление (Equivalent Series Resistance, ESR) не должно быть велико. Рекомендуется устанавливать конденсатор с минимальной ёмкостью 10 мкФ и размещать его необходимо непосредственно на входных питающих контактах параллельно нагрузке. При установленном конденсаторе уровень шума на выходе не более 400 мкВ в диапазоне частот от 10 Гц до 100 кГц. Нестабильность по току при изменении тока нагрузки от 10 мА до 1,5 A составляет ±0,2%. Нестабильность по напряжению при токе в нагрузке 10 мА и изменении входного напряжения от минимального до максимального значения 26 В составляет ±0,05%.
Подача TTL-сигнала низкого уровня на вход управления переводит стабилизатор в режим пониженного потребления – в режиме покоя потребляется ток около 10 мкА. Высокий уровень на входе активирует внутренние схемы смещения и включает устройство. В случае, когда не планируется использовать функцию дистанционного управления, необходимо вывод Enable соединить с выводом IN.
Модели с фиксированным выходным напряжением снабжены сигнальным выводом состояния (FLAG), активный низкий уровень сигнала на выходе компаратора диагностирует состояние выхода из рабочего режима. Сигнал извещает о состоянии низкого входного напряжения на входе и ограничении выходного тока. Чрезвычайно высокий уровень импульсов напряжения на входе также активирует выход сигнала. Открытый коллектор сигнала состояния позволяет подтянуть этот выход к шине напряжения от 3 до 26 В. Эта особенность позволяет организовать сопряжение с практически любыми логическими схемами.
На рис. 3 представлена схема корректного включения микросхемы LSK5101-00 в режиме подстройки выходного напряжения.

Последовательное включение резисторов R1+R2 должно быть выбрано таким, чтобы обеспечить требование к минимальному выходному току стабилизатора 10 мА.
Необходимое выходное напряжение определяется по формуле:
VOUT = 1,24 В × [1 + (R1/R2)].
Падение напряжения на регулирующем транзисторе 350 мВ (максимальное значение 600 мВ) при максимальном выходном токе 1,5 A.
Микросхемы LDO-стабилизаторов напряжения стабильно функционируют при рабочих температурах от –55ºС до +125°C. Диапазон температур хранения от –65ºС до +150ºС.
На рис. 4 показана эквивалентная схема линейного стабилизатора LSK5215-1.5 с фиксированным выходным напряжением 1,5 В, выполненного в корпусе SMD-1.

Стабилизатор с фиксированным выходным напряжением состоит из прецизионного источника опорного напряжения (ИОН) на основе интегрального стабилитрона – напряжение стабилизации равно ширине запрещённой зоны полупроводника (кремния), составляющей примерно 1,205 В с высокой температурной стабильностью. ИОН служит для создания необходимого входного опорного уровня для усилителя сигнала ошибки. Усилитель ошибки (операционный усилитель с большим коэффициентом усиления и малым температурным уходом) формирует сигнал рассогласования на основании сравнения напряжения источника опорного напряжения и сигнала от измерителя сигнала, выполненного в виде резистивного делителя. Существенное снижение падения напряжения на стабилизаторе достигается путём применения в качестве регулирующего элемента p-n-p-транзистора с высоким коэффициентом усиления по току h21, имеющего более низкое напряжение насыщения, чем его n-p-n аналог. Интегральные стабилизаторы напряжения с фиксированным выходным напряжением представляют собой конструктивно и функционально законченные микросхемы, не требуют дополнительных внешних компонентов (кроме конденсаторов) и благодаря этому повышают надёжность аппаратуры.
Микросхемы защищены от переполюсовки по входу, перегрузки по току, перегрева и выдерживают импульсы напряжения амплитудой до 60 В.
Пульсация выходного напряжения может быть минимизирована подключением к выходу фильтрующего конденсатора. Для обеспечения оптимальных рабочих характеристик рекомендуется применять конденсаторы с минимальной ёмкостью 33 мкФ, устанавливая их на выводах нагрузки. Величина эквивалентного последовательного сопротивления (ESR) не должна быть слишком низкой. Танталовые конденсаторы являются наилучшим выбором при быстрых переходных колебаниях нагрузки и обладают достаточной стабильностью и надёжностью для работы в критических условиях. Но алюминиевые электролитические конденсаторы также отлично работают в большинстве применений. Величина ESR алюминиевых электролитических конденсаторов значительно увеличивается по мере уменьшения температуры. Танталовые конденсаторы характеризуются большим сроком службы и способностью выдерживать жёсткие условия внешней среды. Для использования в космической технике предпочтительно применение танталовых конденсаторов.
Минимизация рассеиваемой мощности
Во многих применениях не представляется возможным воспользоваться преимуществом чрезвычайно низкого падения напряжения на регулирующем элементе стабилизатора вследствие большого перепада между входным и выходным напряжением. Простая схема, показанная на рис. 5, иллюстрирует способ снижения входного напряжения стабилизатора до правильного значения падения напряжения, обеспечив при этом минимизированное значение рассеиваемой внутренней мощности.

Для заданной длительной максимальной нагрузки 1 A сопротивление резистора R1 может быть выбрано таким, чтобы падение напряжения на нём обеспечивало на входе стабилизатора напряжение 4 В. Это учитывает допустимое отклонение выходного напряжения и требования к значению падения напряжения. Резистор должен быть выбран с учётом требуемых уровней мощности.
Двухканальная микросхема стабилизатора LSK5209 обеспечивает чрезвычайно низкое падение напряжения на каналах положительного и отрицательного напряжения. Это в сочетании с низким тепловым сопротивлением «переход – корпус» ƟJC делает возможным повышенный выходной ток наряду с исключительной эффективностью устройства. Вследствие повышенной эффективности устройства может быть использован небольшой герметичный 5-выводной корпус, обеспечивающий максимальные эксплуатационные показатели и наряду с этим занимающий минимальную площадь платы. Выходные напряжения отрегулированы с максимальной точностью до ±1%, что обеспечивает стабильное и точное функционирование. Кроме того, оба канала стабилизатора обеспечивают внутреннюю защиту от короткого замыкания и тепловую защиту, что обеспечивает надёжность схемы и устраняет необходимость в применении внешних компонентов и чрезмерном снижении номинальных рабочих параметров. Эквивалентная схема микросхемы показана на рис. 6.

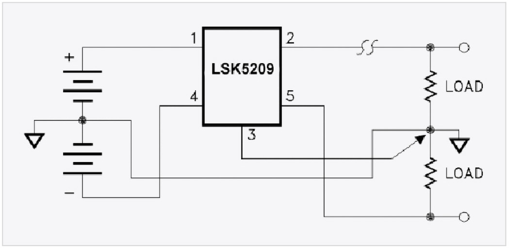
На рис. 7 показана схема включения микросхемы для обеспечения лучшей стабилизации напряжения и устранения паразитного контура с замыканием на землю.

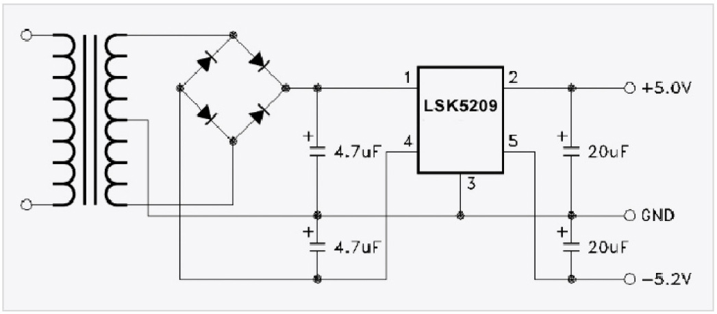
Для получения лучших результатов вывод заземления должен быть непосредственно соединён с нагрузкой. Это практически устраняет влияние паразитного контура с замыканием на землю и исключает избыточное падение напряжения на чувствительном участке схемы. Также важно обеспечить как можно меньшую длину соединения между стабилизатором и нагрузкой, так как это непосредственно влияет на стабильность выходного напряжения и тока нагрузки. Для большей части применений на выходе стабилизатора следует установить танталовый конденсатор ёмкостью 47 мкФ как можно ближе к корпусу. Эта мера эффективно снизит выходной импеданс стабилизатора, улучшит переходную характеристику и исключит любые генерации, которые обычно могут быть связаны со стабилизаторами напряжения. Для лучшей стабилизации напряжения могут быть установлены дополнительные шунтирующие конденсаторы в месте расположения удалённой нагрузки. Рекомендуется также использовать танталовые конденсаторы. Если стабилизатор располагается не близко к конденсаторам фильтра первичного источника, должны быть добавлены танталовые конденсаторы ёмкостью 4,7 мкФ (мин.) на входе стабилизатора (рис. 8).

Также можно применять электролитические конденсаторы, но при одинаковых номинальных значениях ёмкостей габариты электролитических конденсаторов будут значительно больше.
Выключение при перегрузке
Стабилизаторы напряжения снабжены защитой от перегрузки по току и тепловой защитой. Когда максимальное значение рассеиваемой мощности не превышено, стабилизаторы будут ограничивать ток немного выше их номинального значения 3 A. Тем не менее, когда разница между входным и выходным напряжением VIN – VOUT повышается, отключение происходит относительно графика максимальной рассеиваемой мощности (рис. 9).

В том случае, когда устройство сильно нагрелось и температура перехода его кристалла (+150°C) превышает номинальную температуру из-за чрезмерной температуры окружающей среды, недостаточного отвода тепла и т.д., стабилизаторы также отключаются до тех пор, пока не будет достигнута соответствующая температура полупроводникового перехода. Следует также заметить, что в случае критической перегрузки, такой как длительное короткое замыкание, устройство не сможет восстановить рабочее состояние. В этих случаях оно должно быть выключено, после чего напряжение приложено повторно после устранения причины отключения.
Радиационно-устойчивые микросхемы линейных стабилизаторов напряжения с малым падением напряжения на регулирующем элементе
Радиационно-устойчивые модели интегральных линейных стабилизаторов предназначены для длительной работы в бортовой аппаратуре космических аппаратов в условиях воздействия полей ионизирующих излучений космического пространства и других воздействующих факторов внешней среды. Компания M.S. Kennedy для производства своих изделий применяет радиационно-стойкие кристаллы, которые обеспечивают стойкость к эффекту полной накопленной дозы 100 крад (Si).
Микросхемы линейных стабилизаторов напряжения с малым падением напряжения на регулирующем элементе предприятия XMTI, основные характеристики которых представлены в табл. 2, характеризуются стойкостью к эффекту полной накопленной дозы 50 крад (Si), только для двух моделей значение этого параметра указано 100 крад (Si).

Стабилизаторы напряжения, выпускаемые предприятием XMTI для применения в изделиях космического приборостроения, изготавливаются по биполярной технологии в виде монолитных интегральных микросхем, все элементы которых выполняются на одной общей кремниевой подложке. Для уменьшения влияния ионизирующего излучения на электрические параметры устройств для изоляции элементов схемы применяется изоляция диэлектрической плёнкой, в качестве которой применяется слой двуокиси кремния SiO2. Применение диэлектрической плёнки для разделения отдельных элементов микросхемы приводит к уменьшению токов утечки и исключает образование паразитных транзисторных структур.
Основным недостатком диэлектрической изоляции является увеличение числа технологических операций и, соответственно, стоимости. Как отмечалось ранее, линейные стабилизаторы напряжения состоят из блоков, которые выполнены на основе различных структур и имеют схемотехнические особенности. Для повышения уровня радиационной стойкости каждого блока стабилизатора напряжения применяются различные конструктивно-технологические приёмы и схемотехнические меры, подбираются оптимальные режимы работы, которые подробно рассмотрены в многочисленной литературе [2], [3].
Для повышения радиационной стойкости микросхемы горизонтальный (боковой, продольный, латеральный) p-n-p-транзистор, который имеет низкую устойчивость к воздействию радиации, заменяется на транзистор с вертикальной структурой. Вместо диффузионных резисторов применяются тонкоплёночные резисторы – диффузионные резисторы, так же, как и транзисторы, при высоком уровне ионизации закорачиваются фототоками. Применяются также поликремниевые высокоомные и низкоомные резисторы.
Линейные стабилизаторы напряжения являются одними из самых уязвимых узлов, причём модели с малым выходным напряжением (до 5 В) демонстрируют более низкий уровень параметрического отказа по сравнению с моделями с бо́льшим уровнем выходного напряжения (от 5 В и более). При воздействии стационарного ионизирующего излучения радиационную стойкость устройства будут определять микросхемы с малым уровнем выходного напряжения [4]. Наиболее чувствительным к воздействию импульсного ионизирующего излучения и дозовым эффектам облучения является выходное напряжение, причём стабилизаторы напряжения отрицательной полярности более чувствительны к эффектам мощности дозы, дозовая деградация параметров стабилизаторов замедляется при уменьшении напряжения питания.
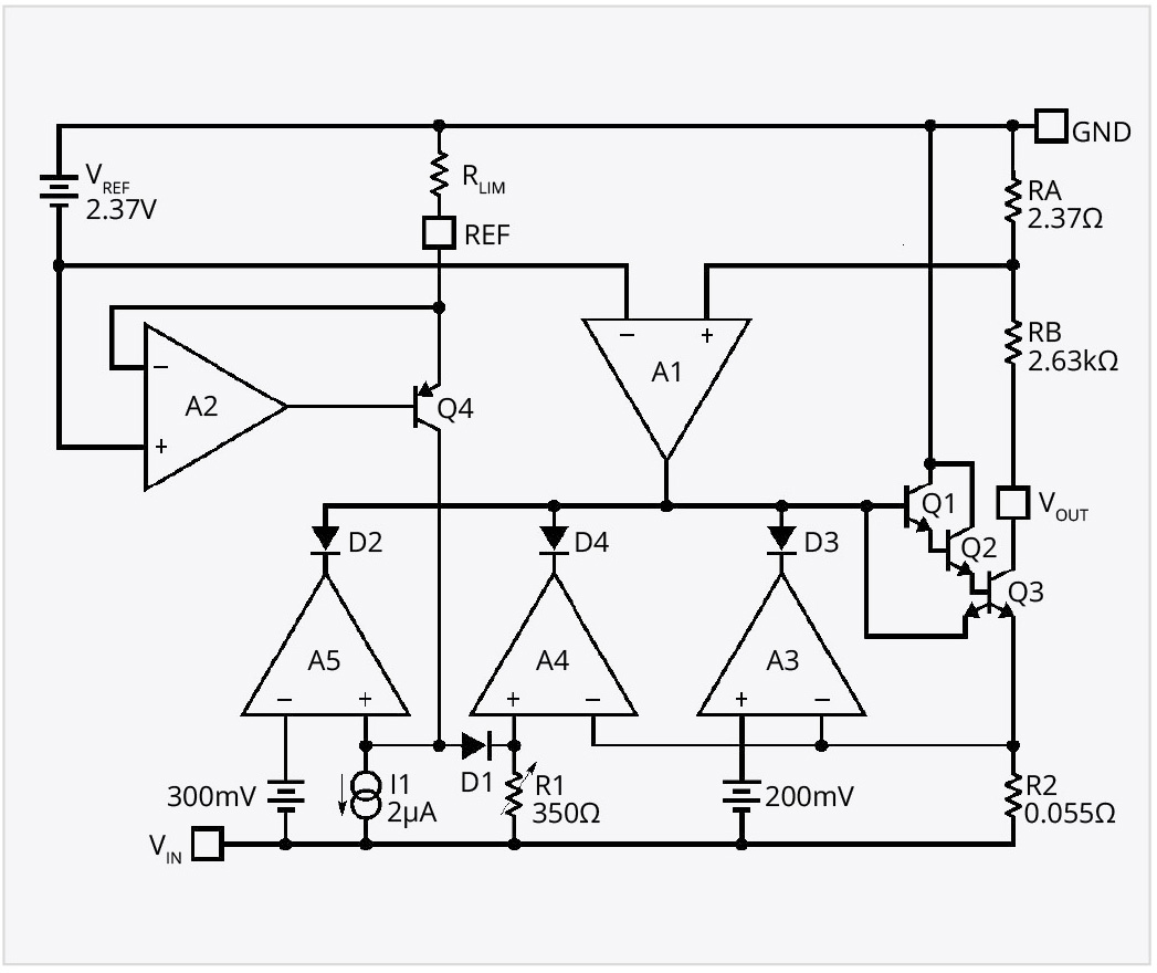
Далее более подробно рассмотрим радиационно-устойчивый интегральный стабилизатор напряжения LW5332-5.0 с отрицательным выходным напряжением.
Структура радиационно-устойчивой микросхемы LW5332-5.0 с выходным напряжением –5 В и падением напряжения 1,2 В на регулирующем элементе приведена на рис. 10.

Схема состоит из следующих основных функциональных узлов:
- источника опорного напряжения (2,37 В);
- узла сравнения и усиления сигнала рассогласования (операционный усилитель A1);
- последовательного регулирующего элемента (транзисторы Q1, Q2, Q3);
- узла защиты от перегрузок по току;
- узла защиты от теплового перегрева;
- цепи отрицательной обратной связи, образуемой делителем напряжения RA, RB.
Микросхема имеет в составе несколько усилительных каскадов, транзисторы входных каскадов которых защищаются транзисторами в диодном включении для закорачивания фототоков, имеются также резисторы между цепями возможных соединений с шинами источников питания. Использование специальных методик отбраковки потенциально нестойких образцов, в частности, радиационно-термическая обработка, даёт возможность отбраковывать кристаллы с макродефектами, расположенными в пассивирующей оксидной плёнке над p-n-переходом, и тем самым повышать процент выхода годных изделий на пластине и, как следствие, надёжность бортовой аппаратуры космических аппаратов.
Электрические параметры микросхемы практически не меняются при воздействии ионизирующего излучения (табл. 3 и табл. 4) – гарантируется стойкость к эффекту полной накопленной дозы не менее 50 крад (Si).


Микросхема выпускается в трёхвыводном корпусе с выводами типа «крыло чайки» (корпус TO-257-G) с тепловым сопротивлением на участке переход–корпус RƟJC = 7°C/Вт (рис. 11).

Рекомендации по применению микросхемы LW5332-5.0 аналогичны рекомендациям, рассмотренным для микросхемы LSK5209.
Заключение
Представленные интегральные стабилизаторы напряжения по электрическим и конструктивным параметрам являются практически полными аналогами линейных стабилизаторов компании M.S.Kennedy (США), что позволяет применять их в разработанной серийной аппаратуре без перепроектирования конструкции. Долговременная надёжность и высокая стабильность рабочих характеристик стабилизаторов в жёстких условиях эксплуатации гарантируется совершенной системой обеспечения качества электронной продукции, разработанной на предприятии XMTI: контроль пластины – комплексные испытания – термотренировка – анализ отказа. Объём испытаний, все проверки и испытательные процедуры осуществляются согласно требованиям китайских стандартов качества GJB, которые практически совпадают с американскими стандартами MIL и европейскими стандартами ECSS.
Литература
- Яковлев Д. Радиационно-стойкие изделия корпорации M.S. Kennedy // Компоненты и технологии. 2013. № 11.
- Бойченко Д.В., Кессаринский Л.Н., Давыдов Г.Г. Радиационные эффекты космического пространства в аналоговых интегральных схемах // в сб. «Радиационная стойкость изделий ЭКБ»: Научное издание / под ред. А.И. Чумакова. М.: НИЯУ МИФИ, 2015. 512 с.
- Чумаков А.И. Радиационные эффекты в интегральных схемах. М.: ТЕХНОСФЕРА, 2024. 384 с.: ил.
- Белоус А.И., Солодуха В.А., Шведов С.В. Космическая электроника. В 2 кн. Кн. 1. М.: Техносфера, 2015. 696 с.
Если вам понравился материал, кликните значок — вы поможете нам узнать, каким статьям и новостям следует отдавать предпочтение. Если вы хотите обсудить материал —не стесняйтесь оставлять свои комментарии : возможно, они будут полезны другим нашим читателям!

