Введение
Отечественная микросхема КР1114ЕУ4А (далее КР1114ЕУ4А или микросхема) предназначена для построения различных схем управления с широтно-импульсной модуляцией ШИМ на выбранной (фиксированной) частоте. В настоящее время выпускается серийно. Производитель АО «ГРУППА КРЕМНИЙ ЭЛ», Россия. Внешний вид микросхемы КР1114ЕУ4А в корпусе 16-DIP приведён на рис. 1.

TL494CN выпускается фирмой TEXAS INSTRUMENT (США). Кроме того, она выпускается рядом фирм под разными наименованиями. Например, фирма SHARP (Япония) выпускает микросхему IR3M02, фирма SAMSUNG (Корея) – КА7500, фирма FUJITSU (Япония) – МВ3759. На базе данной микросхемы можно разрабатывать самые различные схемы управления для двухтактных и однотактных импульсных источников питания. КР1114ЕУ4А обеспечивает разработчику расширенные возможности при разработке схем управления источников вторичного электропитания ИВП и реализует полный набор функций ШИМ-управления. Микросхема осуществляет формирование опорного напряжения, усиление сигнала ошибки, формирование пилообразного напряжения, ШИМ-модуляцию, формирование 2-тактного выхода, защиту от сквозных токов, защиту от перегрузок, внешнюю синхронизацию, обеспечение мягкого запуска, широкий диапазон регулировки, возможность внешнего включения. Основные технические характеристики и предельно допустимые режимы эксплуатации этой микросхемы приведены в табл. 1.

Более подробное описание микросхемы приведено в [1] и [2]. Независимые выходные формирователи микросхемы на транзисторах обеспечивают возможность работы выходного каскада по схеме с общим эмиттером или по схеме эмиттерного повторителя. Конечно, только в одной публикации невозможно описать все применения данной микросхемы. Рассмотрим её применение в следующих типовых схемах на конкретных примерах:
- импульсного понижающего стабилизатора напряжения;
- импульсного повышающего стабилизатора напряжения;
- импульсного регулируемого двухтактного преобразователя напряжения;
- импульсного двухканального стабилизатора тока.
Импульсный понижающий стабилизатор напряжения
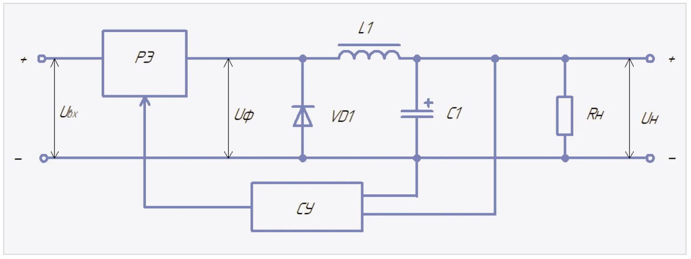
Функциональная схема импульсного понижающего стабилизатора напряжения приведена на рис. 2.

В импульсном понижающем стабилизаторе напряжения (далее ПСН) регулирующий элемент РЭ преобразует входное постоянное напряжение Uвх в серию последовательных импульсов определённой длительности и частоты, а сглаживающий фильтр (диод VD1, дроссель L1, конденсатор С1) преобразует их опять в выходное постоянное напряжение. С помощью обратной связи схема управления СУ управляет регулирующим элементом таким образом, что в итоге позволяет получить заданную стабильность выходного напряжения Uн. Схемы управления в импульсных стабилизаторах выполняются в зависимости от способа стабилизации выходного напряжения. Сами же стабилизаторы в зависимости от способа стабилизации могут быть отнесены к следующим системам регулирования: релейная система регулирования (РСР) с частотно-импульсной модуляцией (ЧИМ), а также с широтно-импульсной модуляцией (ШИМ).
В стабилизаторах с ШИМ частота импульсов – величина стабильная, а их длительность обратно пропорциональна значению выходного напряжения. К недостаткам схемы с ШИМ, пожалуй, можно отнести сравнительно сложную схему управления. Основные функциональные узлы схемы управления с ШИМ: источник опорного напряжения, задающий генератор, усилитель ошибки (один или несколько), ШИМ-компаратор, выходные усилители (формирователи). Применение интегральных микросхем типа КР1114ЕУ4А, а также других ШИМ-контроллеров позволяют значительно упростить схему управления импульсных источников вторичного электропитания ИВЭП, в частности, упростить схему ПСН.
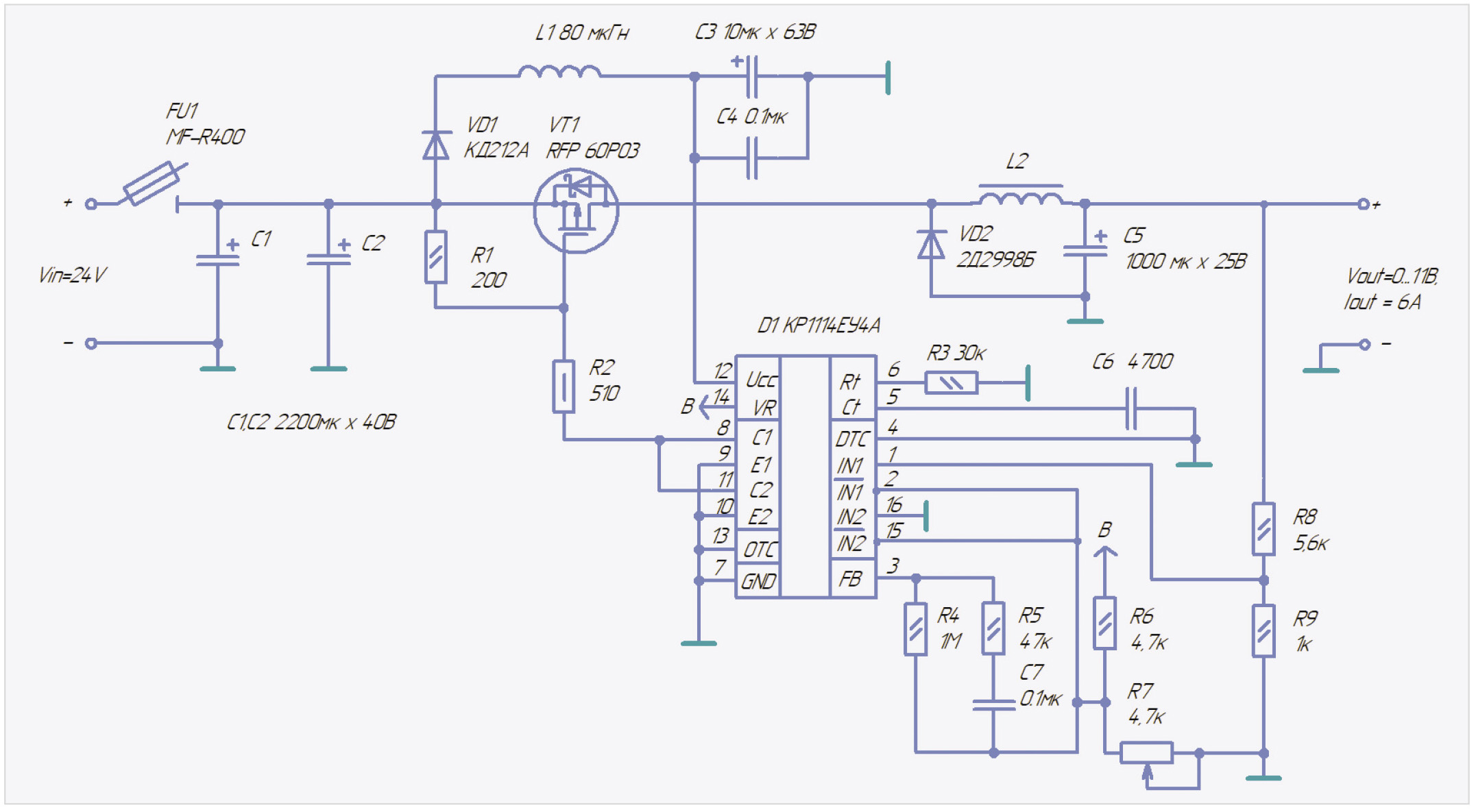
Принципиальная схема ПСН приведена на рис. 3.

Основные технические характеристики ПСН приведены в табл. 2.

В представляемом ПСН максимальное входное напряжение может быть доведено до 30 В, оно ограничено максимально допустимым напряжением сток-исток р-канального полевого транзистора VT1 RFP 60P03 фирмы MITSUBISHI ELECTRIC. Резистор R3 и конденсатор С6 задают частоту генератора пилообразного напряжения. Частота генератора в КР1114ЕУ4А определяется по формуле: f = 1,1/Rг·Сг. С источника опорного напряжения (вывод 14) через резистивный делитель R6, R7 на инвертирующий вход усилителя ошибки № 1 (вывод 2) подаётся часть образцового напряжения. Сигнал обратной связи через делитель R8, R9 подают на неинвертирующий вход усилителя ошибки № 1 (вывод 1) микросхемы. Регулировка выходного напряжения осуществляется резистором R7. Резистор R5 и конденсатор С7 осуществляют частотную коррекцию усилителя ошибки № 1.
Следует отметить, что независимые выходные формирователи микросхемы обеспечивают работу выходного каскада как в двухтактном, так и в однотактном режимах. В ПСН выходной формирователь микросхемы включён в однотактном режиме. Для этого вывод 13 включён на землю. Два выходных транзистора (коллекторы – выводы 8, 11; соответственно эмиттеры – выводы 9, 10) включены по схеме с общим эмиттером и работают параллельно. При этом выходная частота равна частоте генератора. Выходной каскад микросхемы через резистивный делитель R1, R2 управляет регулирующим элементом РЭ стабилизатора – полевым транзистором VT1. По питанию микросхемы (вывод 12) для подавления различных высокочастотных помех, для более устойчивой работы стабилизатора в целом включён LC-фильтр на элементах L1, С3, С4. Как видно из принципиальной схемы ПСН, при применении микросхемы КР1114ЕУ4А требуется сравнительное небольшое число выносных элементов. Для защиты стабилизатора от перегрузки по току применён самовосстанавливающийся предохранитель FU1 MF-R400 фирмы BORNS. Уменьшить коммутационные потери и повысить КПД стабилизатора удалось благодаря использованию диода Шоттки (VD2) КД2998Б с параметрами: постоянное прямое напряжение 0,54 В; средний прямой ток 30 А; диапазон частот без снижения электрических параметров 10…200 кГц; импульсное обратное напряжение 30 В. Экспериментально было установлено, что ПСН имеет максимальный КПД (≈ 90%) на частоте 12 кГц. КПД при выходной мощности до 10 Вт (Uвых = 10 В) достигает ≈ 93%.
Дроссель L2 выполнен на двух сложенных вместе кольцевых магнитопроводах МП-140 К24×13×6,5 и содержит 45 витков провода ПЭТВ-2 1,1, уложенных равномерно в два слоя по всему периметру кольца. Между слоями проложены два слоя лакоткани ЛШМС-105-0.06 ГОСТ 2214-78. Индуктивность дросселя L2 порядка 220 мкГн. Резисторы типа С2-33Н. Конденсаторы С1, С2, С3, С5-К50-35; С4, С6, С7-К10-17. Переменный резистор R7 типа СП5-3 или СП5-2ВА. Дроссель L1 ДМ-0.1-80. Макет стабилизатора был выполнен на макетной плате с размерами 55×55 мм. При монтаже целесообразно разделить землю силовой части стабилизатора и землю микросхемы, а также минимизировать длину проводников (особенно силовой части). Транзистор устанавливается на радиаторе. Площадь эффективной поверхности радиатора не менее 110 см². Настройка ПСН заключается в установке необходимого значения выходного напряжения с помощью резистора R7.
Импульсный повышающий стабилизатор напряжения
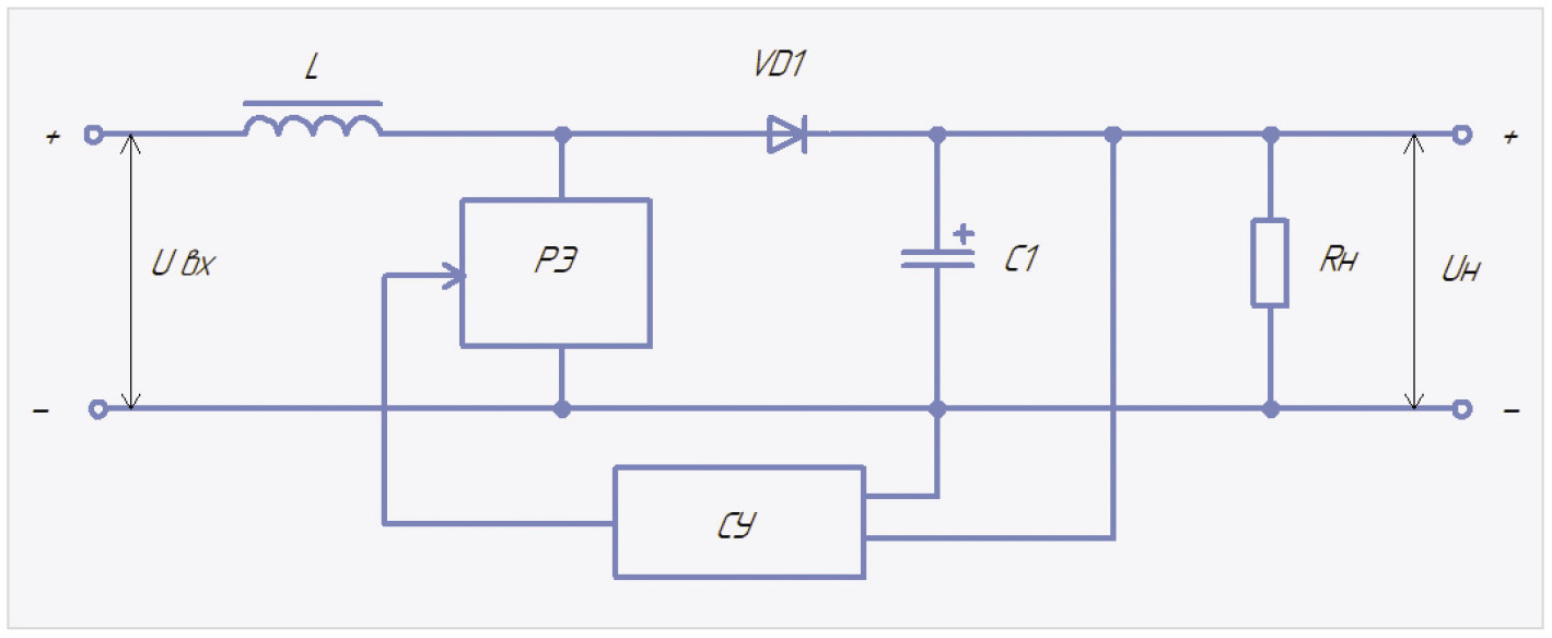
На рис. 4 приведена функциональная схема импульсного параллельного стабилизатора напряжения повышающего типа.

В данном импульсном параллельном стабилизаторе напряжения повышающего типа (далее СПТ) регулирующий элемент РЭ, работающий в импульсном режиме, включён параллельно нагрузке Rн. Диод VD1 блокирует нагрузку Rн и конденсатор С1 от регулирующего элемента РЭ. Когда РЭ открыт, ток от источника Uвх протекает через дроссель L, запасая в нём энергию. Диод VD1 при этом отсекает нагрузку и не позволяет конденсатору С1 разрядиться через открытый РЭ. Ток в нагрузку в этот промежуток времени поступает только от конденсатора С. В следующий момент, когда РЭ закрыт, ЭДС самоиндукции дросселя L суммируется с входным напряжением, и энергия дросселя отдаётся в нагрузку. При этом выходное напряжение будет больше входного. В отличие от понижающего стабилизатора (рис. 2), здесь дроссель не является элементом фильтра, а выходное напряжение становится больше входного на величину, которая определяется индуктивностью дросселя L и скважностью работы регулирующего элемента РЭ. Пример принципиальной схемы СПТ приведён на рис. 5.

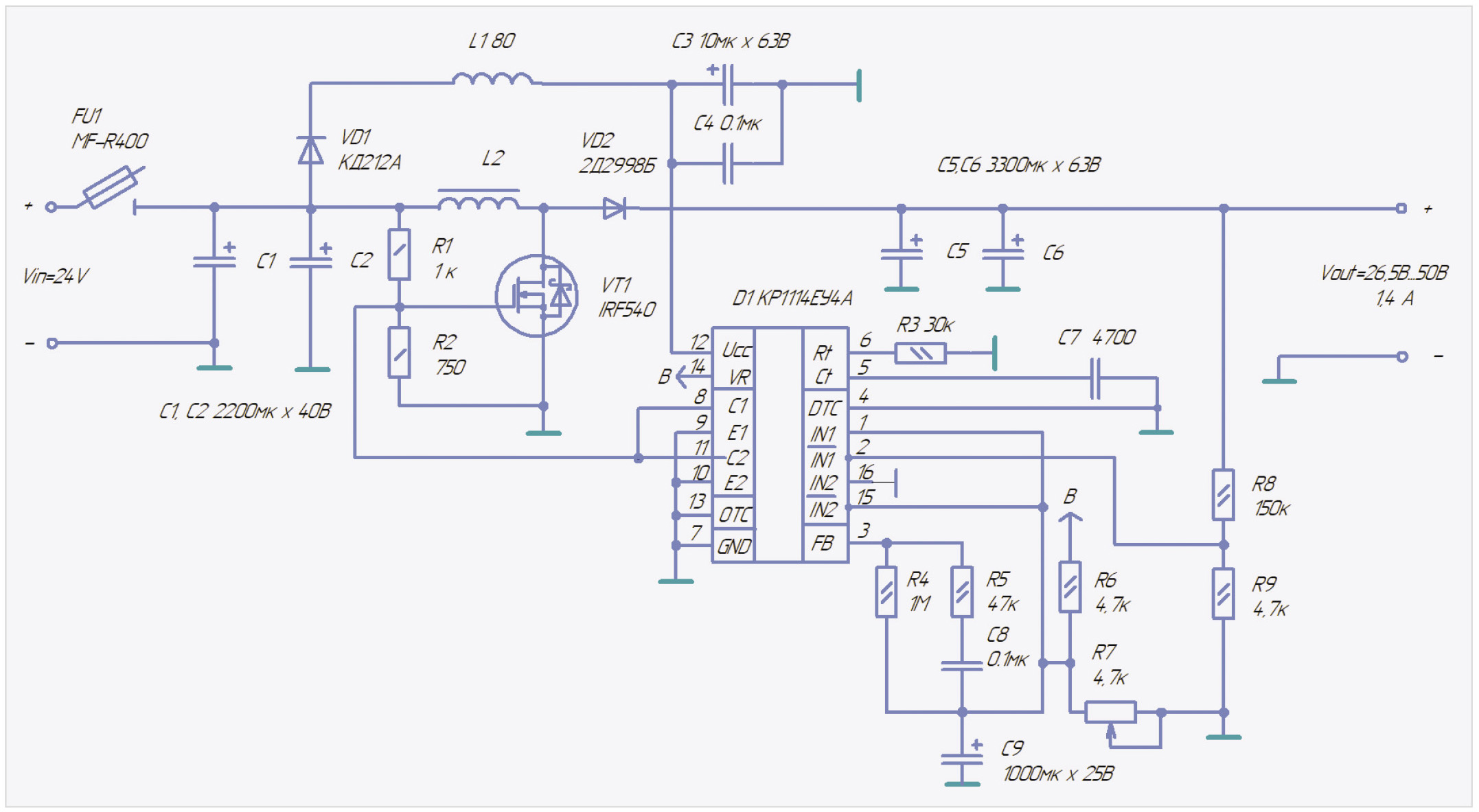
Основные технические характеристики СПТ приведены в табл. 3.

Амплитуда пульсаций выходного напряжения стабилизатора при максимальной нагрузке порядка ~200 мВ. Уменьшить пульсации можно, увеличив ёмкость выходного фильтра. Для более «мягкого» запуска между землёй и неинвертирующим входом усилителя ошибки № 1 (вывод 1) включён конденсатор С9.
Дроссель L2 такой же, как и в схеме понижающего стабилизатора. Транзистор VT1 IRF540 – n-канальный полевой транзистор с параметрами (максимальные значения): Vси = 100 В, Iси = 28 А, Rси = 0,077 Ом. Транзистор VT1 следует установить на радиаторе. Резисторы типа С2-33Н. Конденсаторы С1…С3, С5, С6, С9 типа К50-35; С4, С7, С8 типа К10-17. Переменные резисторы СП5-3 или СП5-2ВА. Транзистор VT1 следует установить на радиаторе. Площадь эффективной поверхности радиатора не менее 100 см². Первое включение СПТ лучше сделать при небольшой нагрузке 0,1…0,2 А и минимальном выходном напряжении (устанавливается резистором R7). Затем медленно увеличивать выходное напряжение до необходимого значения.
В СПТ дроссель L2 не участвует в сглаживании пульсации выходного постоянного напряжения, и для качественной фильтрации выходного постоянного напряжения необходимо применять выходные фильтры с достаточно большими значениями L или С. Это приводит к увеличению массы и габаритов фильтра и устройства в целом. Поэтому удельная мощность понижающего стабилизатора больше, чем повышающего.
Импульсный регулируемый двухтактный преобразователь напряжения
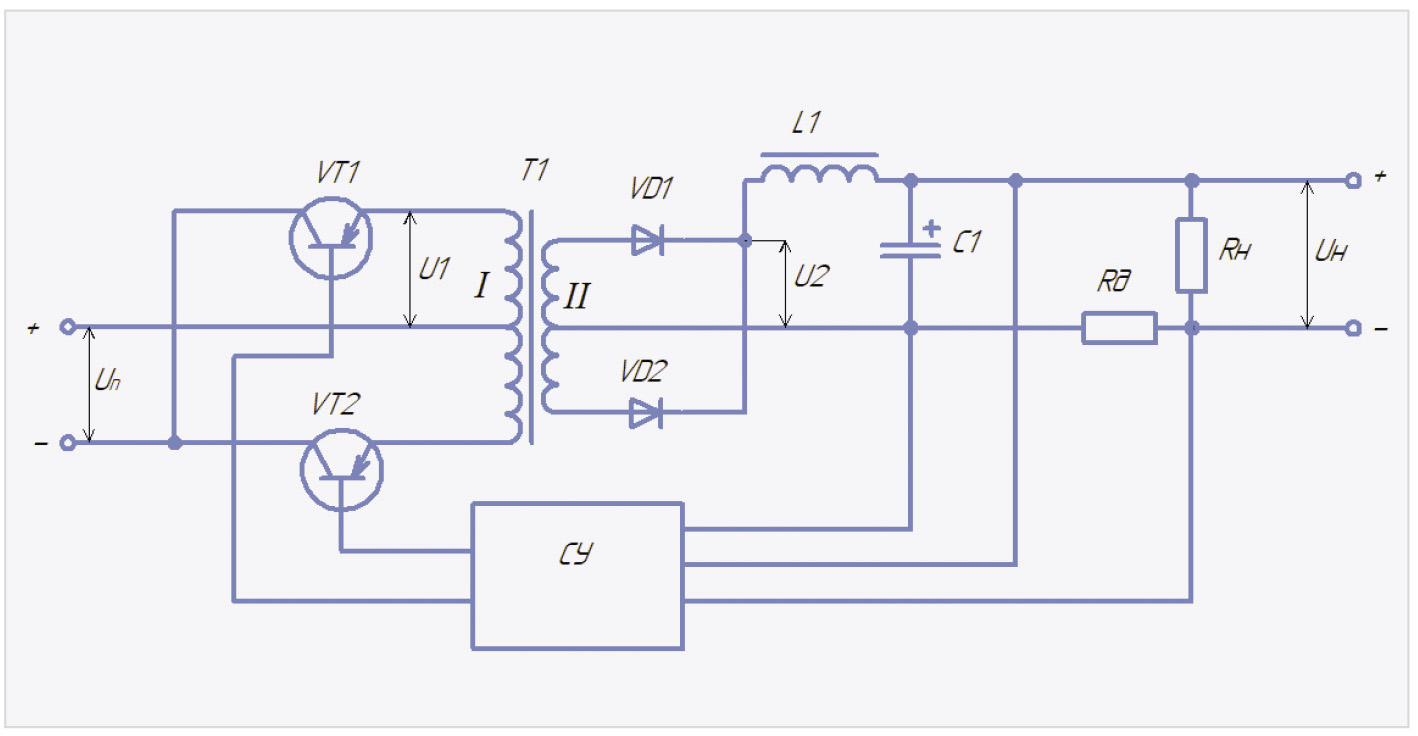
На рис. 6 приведена функциональная схема импульсного регулируемого двухтактного преобразователя напряжения (далее – ДПН).

Временна́я диаграмма, поясняющая работу ДПН, приведена на рис. 7.

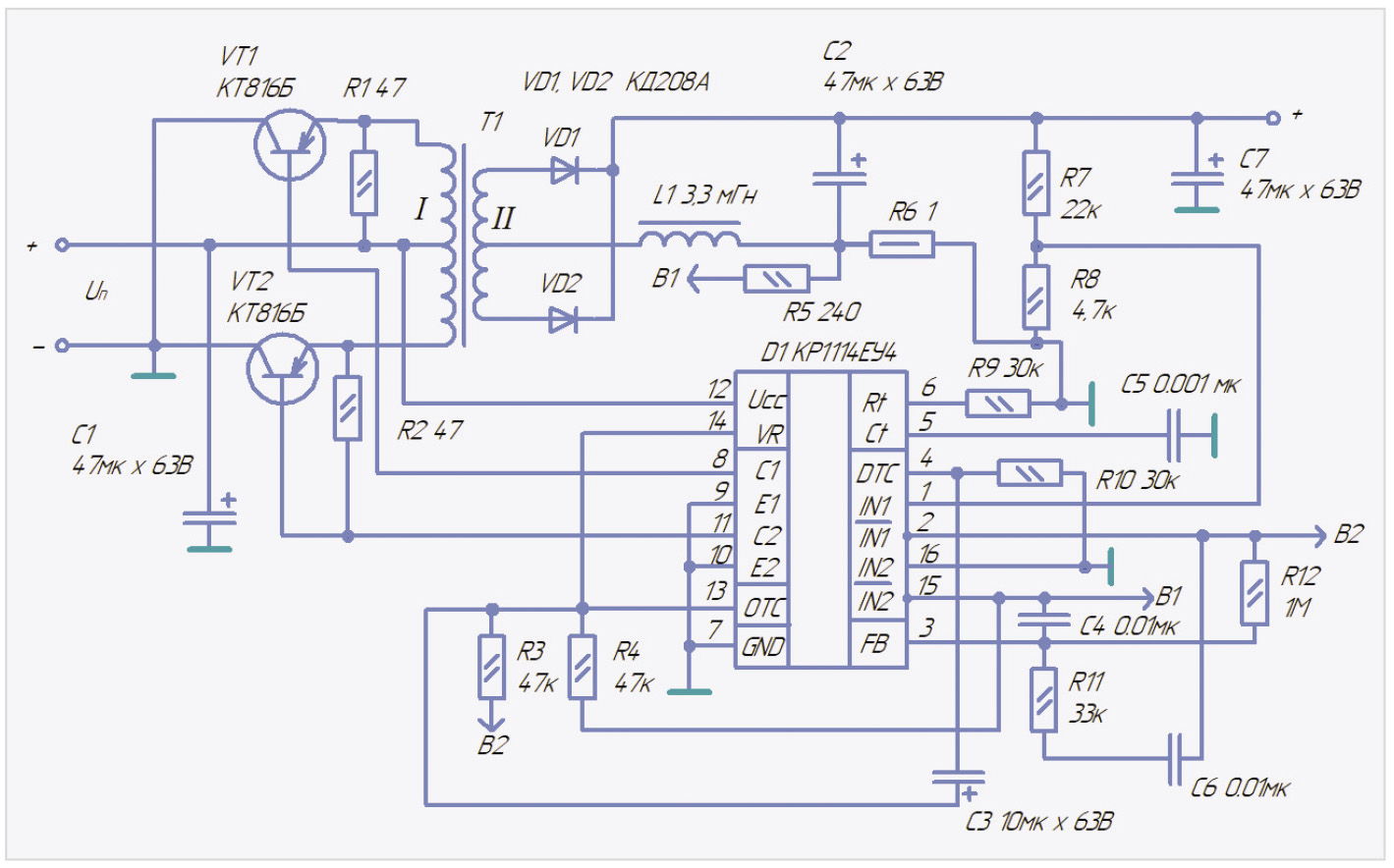
ДПН выполнен на силовых транзисторах VT1, VT2. В их коллекторные цепи включена первичная обмотка трансформатора Т1. К вторичной обмотке трансформатора Т1 подключён выпрямитель на диодах VD1, VD2 со сглаживающим LC-фильтром (дроссель L1, конденсатор С1). Схема управления СУ работает по принципу широтно-импульсной модуляции. Она следит за выходным напряжением Uн на нагрузке Rн и управляет переключением транзисторов, регулируя длительность паузы tп на нуле (рис. 7) таким образом, что среднее значение выходного выпрямленного напряжения на нагрузке Uн остаётся неизменным с определённой точностью, при изменении входного напряжения питания Uп или тока нагрузки. Защиту силовых транзисторов VT1, VT2 от перегрузки по току или короткого замыкания в нагрузке также осуществляет СУ. Для этого последовательно с нагрузкой включён датчик Rд, сигнал с которого подаётся на схему управления и запирает силовые транзисторы при коротком замыкании в нагрузке. Принципиальная схема ДПН на базе КР1114ЕУ4А приведена на рис. 8.

Основные технические характеристики ДПН приведены в табл. 4.

Резисторы типа С2-33Н. Конденсаторы С1…С3, С7 типа К50-35; С4…С6 типа К10-17. Дроссель L1 типа FERROCORE COIL 1010-3,3 проволочный ТНТ 3,3 мГн.
Импульсный двухканальный стабилизатор тока
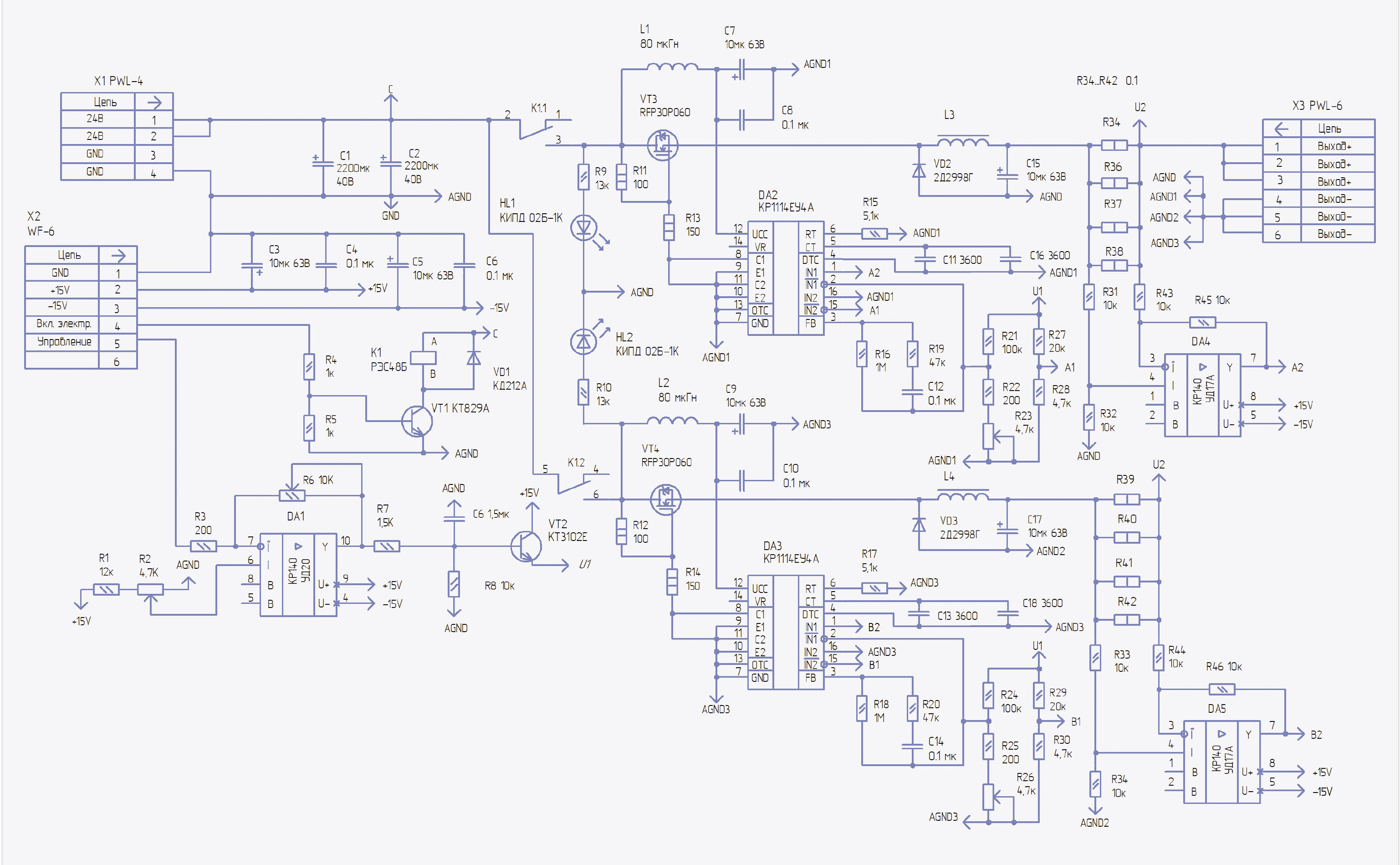
Как стабилизатор напряжения переделать в стабилизатор тока? Да очень просто. Включаем последовательно с нагрузкой небольшое сопротивление, порядка 0,05…1 Ом (значение данного сопротивления определяется током нагрузки). При этом СУ устройства должна осуществлять функцию стабилизации напряжения на данном резисторе. При стабилизации напряжения на данном резисторе решается задача стабилизации тока в нагрузке. Принципиальная схема импульсного двухканального стабилизатора тока (далее – ИСТ), выполненного на базе КР1114ЕУА, приведена на рис. 9.

Внешний вид двухканального ИСТ приведён на рис. 10.

На фотографии видно, что элементы СУ очень компактно расположены на печатной плате и занимают сравнительно небольшое место. Под платой находится радиатор. На нём размещены силовые транзисторы. Приведённый ИСТ может быть применён для питания электролизёра. Диапазон регулировки выходного тока от 6 до 16 А. Основные технические характеристики стабилизатора тока приведены в табл. 5.

В ИСТ применена 2-канальная схема. Каждый канал представляет собой стабилизатор тока (далее стабилизаторы тока № 1 и № 2). Стабилизаторы тока № 1 и № 2 собраны по схеме импульсного понижающего стабилизатора в режиме стабилизации тока. Максимальный выходной ток каждого стабилизатора – 8 А. Выходные токи стабилизаторов суммируются в нагрузке. Схемотехника стабилизаторов тока № 1 и № 2 – совершенно одинаковая. При работе они не оказывают никакого влияния друг на друга.
Стабилизатор тока № 1 собран на полевом транзисторе VT3, микросхеме DA2, диоде VD2, дросселе L3, датчике тока (на резисторах R34…R38), дифференциальном усилителе DA4. Стабилизатор тока № 2 собран соответственно на полевом транзисторе VT4, микросхеме DA3, диоде VD3, дросселе L4, датчике тока (на резисторах R39…R42), дифференциальном усилителе DA5. Рассмотрим работу стабилизатора тока № 1. Входное напряжение 24 В поступает на стабилизаторы № 1 и № 2 с соединителя Х1 через группу контактов реле К1 на оба канала ИСТ. Резистор R15 и конденсаторы С11, С16 задают частоту генератора пилообразного напряжения микросхемы DA2. Управляющее напряжение поступает на инвертирующий вход усилителя ошибки № 1 (вывод 2 микросхемы DA2) с делителя R21, R22, R23. Сигнал обратной связи подаётся на неинвертирующий вход усилителя ошибки № 1 (вывод 1) микросхемы DA2. Резистор R19 и конденсатор С12 осуществляют частотную коррекцию усилителя ошибки № 1. Как уже упоминалось, независимые выходные формирователи микросхемы КР1114ЕУ4А обеспечивают работу выходного каскада как в двухтактном, так и в однотактном режимах. Выходной формирователь микросхемы включён в однотактном режиме. Для этого вывод 13 включён на землю. Два выходных транзистора (коллекторы – выводы 8, 11; соответственно эмиттеры – выводы 9, 10) включены по схеме с общим эмиттером и работают параллельно. При этом выходная частота равна частоте генератора. Выходной каскад КР1114ЕУ4А через резистивный делитель R11, R13 управляет регулирующим элементом РЭ стабилизатора – полевым транзистором VT3. По питанию КР1114ЕУ4А (вывод 12) для подавления различных высокочастотных помех для более устойчивой работы стабилизатора в целом включён LC-фильтр на элементах L1, С7, С8. На микросхеме DA4 выполнен дифференциальный усилитель, преобразующий сигнал ток-напряжение. Выходное напряжение с усилителя (вывод 7 микросхемы DA4) поступает на неинвертирующий вход усилителя ошибки № 1 ШИМ-контроллера DA2 (вывод 1). Датчик тока (параллельные резисторы R34…R38) включён последовательно с нагрузкой. Значение тока в нагрузке (напряжение на инвертирующем входе усилителя, вывод 2 микросхемы DA2) задаётся делителем R21…R23. Управляющее напряжение на данный делитель поступает с эмиттера транзистора VT2. Резистором R23 осуществляется корректировка подаваемого на вход 2 микросхемы DA2 управляющего напряжения. В результате стабилизация напряжения на датчике тока приводит к стабилизации тока в нагрузке. Включение датчиков тока на выходе в каждом стабилизаторе тока позволяет развязать их друг от друга.
Стабилизатор тока № 2 построен совершенно аналогичным образом и состоит из таких же по номиналу и типу элементов и работает точно так же. Управляющее напряжение с эмиттера транзистора VT2 поступает на два стабилизатора одновременно. Для включения источника необходимо установить уровень сигнала «Вкл. электр.» в лог. 1 (уровень ТТЛ), при этом открывается транзистор VT1. Контакты реле К1 включают оба стабилизатора одновременно. После включения реле К1 включаются индикаторы HL1, HL2, которые позволяют визуально контролировать наличие напряжения на входе стабилизаторов.
Источники опорного напряжения микросхем DA3, DA3 в ИСТ не задействованы. Функциональный узел, формирующий опорное напряжение (оно является в схеме и управляющим) для стабилизаторов тока № 1 и № 2, включает в себя: операционный усилитель DA1 и выходной транзистор VT2. Внешнее входное напряжение, задающее ток в нагрузке ИСТ, поступает на него с контакта 5 соединителя Х2. Выходное напряжение с данного функционального узла соответствует определённому значению управляющего напряжения, которое с эмиттера транзистора VT5 поступает на оба стабилизатора тока. Резисторами R2 и R6 устанавливается смещение и коэффициент усиления операционного усилителя DA1. Более точная регулировка в каналах стабилизации тока № 1 и № 2 осуществляется соответственно резисторами R23 и R26.
Заключение
Микросхема К1114ЕУ4А реализует полный набор функций ШИМ-управления и обеспечивает разработчику широкие возможности при разработке схем управления импульсных источников вторичного электропитания ИВЭП. Независимые выходные формирователи микросхемы обеспечивают работу выходного каскада как в двухтактном, так и в однотактном режимах. Применение ШИМ-контроллеров типа К1114ЕУ4А позволяет значительно увеличить энергетическую плотность вторичных источников электропитания, разработанных на её базе. В настоящее время кроме серийного производства данной микросхемы на предприятиях, выпускающих ИВЭП, накоплены значительные технологические запасы К1114ЕУ4А и её аналога TL494CN.
Литература
- Микросхемы интегральные КР1114ЕУ4А. Технические условия. бКО.348.901-02ТУ/02.
- Интегральные микросхемы: Микросхемы для импульсных источников питания и их применение. М.: ДОДЕКА, 1997. 224 с.
Если вам понравился материал, кликните значок — вы поможете нам узнать, каким статьям и новостям следует отдавать предпочтение. Если вы хотите обсудить материал —не стесняйтесь оставлять свои комментарии : возможно, они будут полезны другим нашим читателям!

